images/testate/Template-Header-Sito-OMALBALLVALVES.jpg

Válvula de bola de hierro fundido Item 216

Válvula de bola de hierro fundido Item 216

Válvula de bola de hierro fundido 2 vías reforzadas paso integral

CONFIGURA Accionamiento
SOLICITA INFORMACIÓN
IMPRIME PÁGINA
  • características
  • dimensiones
  • materiales
  • diagramas y pares de aceleración

CARACTERÍSTICAS GENERALES:
• Bridas: EN 1092/2 PN16
• Calibre EN558/1 (ISO 5752)
• Temperatura de funcionamiento: desde -10°C a +70°C
• Presión de funcionamiento: máx. 16 Bar (10 Bar como fin de la línea) VER DIAGRAMA
• Fluido interceptado: gas ciudad, gas líquido, combustibles gaseosos de acuerdo con las normas UNI-CIG 7129 y DIN-DVGW tabella G 260/I para gases.

EJECUCIONES ESPECIALES BAJO PEDIDO:

• PN 6 - PN 10
• Para otras aplicaciones contactar con nuestro departamento comercial.

CERTIFICACIONES:

• Homologación DIN-DVGW para interceptación de gas combustibles tab. G260

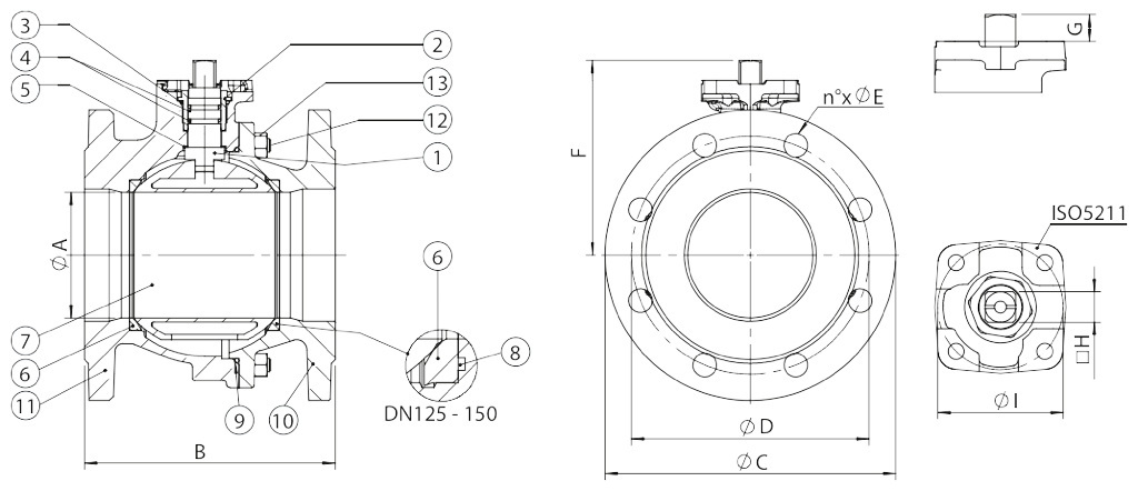
DIMENSIONES   
MEDIDA  
øA
B
øC
øD
øE
F
G
□H
øI
DN [mm]
[pulgadas]
DN 50
2"
50
150
165
125
4x18
100,5
13,5
14
50
DN 65
2" 12
63
170
185
145
4x18
108,5
13,5
14
50
DN 80
3"
76
180
200
160
8x18
133
15
17
70
DN 100
4"
95
190
220
180
8x18
147,5
15
17
70
DN 125
5"
120
200
250
210
8x18
186
21
22
102
DN 150
6"
145
210
285
240
8x22
203,5
21
22
102


MATERIALES    
1
Vástago
Latón cromado
CuZn40Pb2
2
Abrazadera
Latón cromado
CuZn40Pb2
3
Junta tórica de sellado superior
NBR

4
Junta tórica de sellado del vástago
NBR

5
Anillo antifricción
P.T.F.E.

6
Juntas de sellado lateral
P.T.F.E.

7
Bola
Ottone
CuZn40Pb2
8
Junta tórica
NBR

9
Junta tórica de sellado del cuerpo
NBR

10
Brida
Hierro fundido esferoidal
EN GJS 400-15
11
Cuerpo
Hierro fundido esferoidal
EN GJS 400-15
12
Tirante
Acero al carbono galvanizado

13
Tuerca de bloqueo
Acero al carbono galvanizado

DIAGRAMA PRESIÓN/TEMPERATURA

Capacidad de carga/pérdida de carga y coeficiente nominal Kv

El valor Kv es el valor de la capacidad de carga en m3/h (con agua a 15°C) que provoca una caída de presión de 1 bar.

PARES DE ACELERACIÓN en Nm  
MEDIDA  
DN 50
2"
DN 65
2"1/2
DN 80
3"
DN 100
4"
DN 125
5"
DN 150
6"
PN 16 bar
38
68
112
171
298
445


Los valores del par pueden variar según la temperatura y el tipo de fluido. Tener en cuenta un factor de seguridad igual a 1.4.
Con frecuentes ciclos de apertura y cierre, el par de maniobra puede disminuir sensiblemente con respecto al inicial. Los acoplamientos actuador/válvula, mostrados en las siguientes páginas, se realizan para válvulas que interceptan fluidos líquidos o gaseosos, limpios y para temperaturas medias. Para más información, o usos diferentes, consultar nuestro departamento comercial.

CONFIGURA CONDUCIR
Selecciona los parámetros de búsqueda
BUSCA ARTÍCULO
X CERRAR

SIGUIENTE EVENTO

IVS - Industrial Valve Summit 2026
IVS - Industrial Valve Summit 2026
Bergamo, Italy, 19 - 21 may 2026