images/testate/Template-Header-Sito-OMALBALLVALVES.jpg

Vanne à boisseau sphérique en fonte, Item 216

Vanne à boisseau sphérique en fonte, Item 216

Vanne à boisseau sphérique en fonte 2 voies, à brides, passage intégral

CONFIGURER Actionnement
DEMANDE D'INFORMATIONS
IMPRIMER PAGE
  • caractéristiques
  • dimensions
  • matériaux
  • diagrammes et couples de démarrage

CARACTÉRISTIQUES GÉNÉRALES:
• Brides: EN 1092/2 PN16
• Écartement EN558/1 (ISO 5752)
• Température de fonctionnement: -10°C à +70°C
• Pression de fonctionnement: 16 bar max. (10 bar en fin de ligne) VOIR DIAGRAMME
• Fluide véhiculé: gaz de ville, gaz liquides, carburant gazeux selon UNI-CIG 7129 et DIN-DVGW tableau G 260 / I pour gaz.

RÉALISATIONS SPÉCIALES SUR DEMANDE:
• PN 6 - PN 10
• Pour d'autres applications, veuillez vous adresser à notre service commercial.

CERTIFICATIONS:
• Homologation DIN-DVGW pour arrêt de gaz combustibles tab. G260

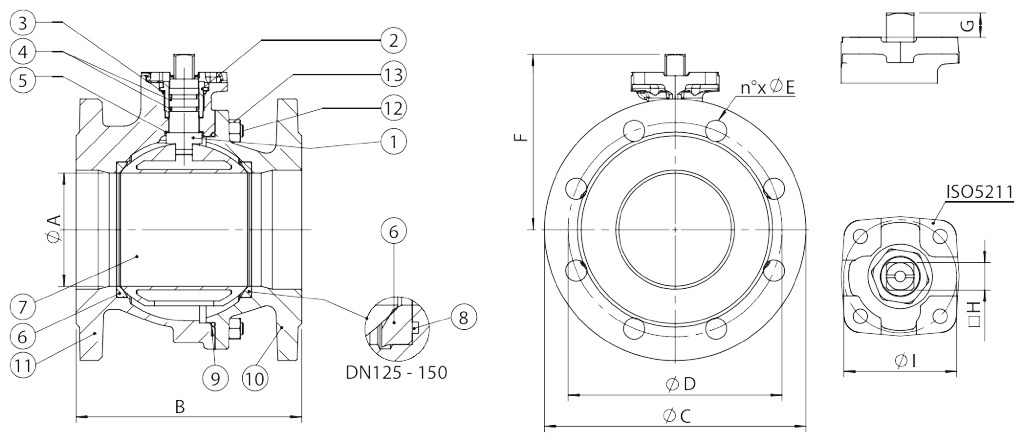
DIMENSIONS   
MESURE  
øA
B
øC
øD
øE
F
G
□H
øI
DN [mm]
[pouces]
DN 50
2"
50
150
165
125
4x18
100,5
13,5
14
50
DN 65
2" 12
63
170
185
145
4x18
108,5
13,5
14
50
DN 80
3"
76
180
200
160
8x18
133
15
17
70
DN 100
4"
95
190
220
180
8x18
147,5
15
17
70
DN 125
5"
120
200
250
210
8x18
186
21
22
102
DN 150
6"
145
210
285
240
8x22
203,5
21
22
102



MATÉRIAUX    
1
Tige
Laiton chromé
CuZn40Pb2
2
Bague
Laiton chromé
CuZn40Pb2
3
Joint torique d’étanchéité supérieure
NBR

4
Joint torique étanchéité tige
NBR

5
Bague antifriction
P.T.F.E.

6
Garnitures d’étanchéité latérale
P.T.F.E.

7
Boisseau
Laiton
CuZn40Pb2
8
Joint torique
NBR

9
Joint torique d’étanchéité corps
NBR

10
Bride
Fonte ductile
EN GJS 400-15
11
Corps
Fonte ductile
EN GJS 400-15
12
Goujons
Acier au carbone galvanisé

13
Écrou de blocage
Acier au carbone galvanisé


DIAGRAMME PRESSION/TEMPÉRATURE

Débit/perte de charge et coefficient nominal Kv

La valeur Kv est la valeur du débit en m3/h (avec de l’eau à 15°C) qui provoque une chute de pression d’1 bar.

COUPLES DE DÉMARRAGE en Nm 
MESURE  
DN 50
2"
DN 65
2"1/2
DN 80
3"
DN 100
4"
DN 125
5"
DN 150
6"
PN 16 bar
38
68
112
171
298
445


Les valeurs du couple peuvent varier en fonction de la température et du fluide. Considérer un facteur de sécurité de 1,4.
Avec des cycles fréquents d'ouverture et de fermeture, le couple de manœuvre pourrait être considérablement inférieur au couple initial. Les accouplements actionneur/vanne, montrés aux pages suivantes, sont conçus pour les vannes qui arrêtent des fluides liquides ou gazeux, propres et pour des températures moyennes. Pour plus d'informations ou pour des utilisations différentes, veuillez vous adresser à notre service commercial.

CONFIGURER ACTIONNEMENT
Sélectionnez les paramètres de recherche
RECHERCHER UN ARTICLE
X FERMER

PROCHAIN ÉVÈNEMENT

IVS - Industrial Valve Summit 2026
IVS - Industrial Valve Summit 2026
Bergamo, Italy, 19 - 21 may 2026