images/testate/Template-Header-Sito-OMALBALLVALVES.jpg

Valvola a sfera in ghisa Item 216

Valvola a sfera in ghisa Item 216

Valvola a sfera in ghisa 2 vie flangiata passaggio integrale

CONFIGURA Azionamento
RICHIEDI INFORMAZIONI
STAMPA PAGINA
  • caratteristiche
  • dimensioni
  • materiali
  • diagrammi e coppie di spunto

CARATTERISTICHE GENERALI:
• Flange: EN 1092/2 PN16
• Scartamento EN558/1 (ISO 5752)
• Temperatura di esercizio: da -10°C a +70°C
• Pressione di esercizio: max. 16 Bar (10 Bar come fine linea) VEDI DIAGRAMMA
• Fluido intercettato: gas di città, gas liquidi, combustibili gassosi secondo le norme UNI-CIG 7129 e DIN-DVGW tabella G 260/I per gas.

ESECUZIONI SPECIALI A RICHIESTA:
• PN 6 - PN 10
• Per altre applicazioni contattare il nostro ufficio commerciale.

CERTIFICAZIONI:
• Omologazione DIN-DVGW per intercettazione gas combustibili tab. G260

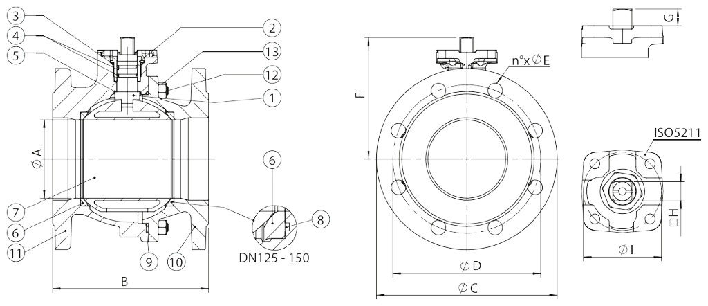
DIMENSIONI   
MISURA  
øA
B
øC
øD
øE
F
G
□H
øI
DN [mm]
[inch]
DN 50
2"
50
150
165
125
4x18
100,5
13,5
14
50
DN 65
2" 12
63
170
185
145
4x18
108,5
13,5
14
50
DN 80
3"
76
180
200
160
8x18
133
15
17
70
DN 100
4"
95
190
220
180
8x18
147,5
15
17
70
DN 125
5"
120
200
250
210
8x18
186
21
22
102
DN 150
6"
145
210
285
240
8x22
203,5
21
22
102


MATERIALI    
1
Stelo  
Ottone cromato
CuZn40Pb2
2
Ghiera
Ottone cromato
CuZn40Pb2
3
O-Ring di tenuta superiore
NBR

4
O-Ring di tenuta stelo
NBR

5
Anello antifrizione  
P.T.F.E.

6
Guarnizioni di tenuta laterale  
P.T.F.E.

7
Sfera
Ottone
CuZn40Pb2
8
O-ring
NBR

9
O-ring di tenuta corpo
NBR

10
Flangia
Ghisa sferoidale
EN GJS 400-15
11
Corpo
Ghisa sferoidale
EN GJS 400-15
12
Tirante
Acciaio al carbonio zincato

13
Dado di bloccaggio
Acciaio al carbonio zincato

Diagramma pressione/temperatura

Portata/perdita di carico e coefficiente nominale Kv

Il valore Kv è il valore di portata in m3/h (con acqua a 15°C) che provoca la caduta di pressione di 1 bar.

COPPIE DI SPUNTO in Nm 
MISURA  
DN 50
2"
DN 65
2"1/2
DN 80
3"
DN 100
4"
DN 125
5"
DN 150
6"
PN 16 bar
38
68
112
171
298
445


I valori della coppia possono variare in funzione della temperatura e del tipo di fluido. Considerare un fattore di sicurezza pari a 1,4.
Con frequenti cicli di apertura e chiusura la coppia di manovra può diminuire sensibilmente rispetto a quella iniziale. Gli accoppiamenti attuatore/valvola, riportati nelle pagine seguenti, sono realizzati per valvole che intercettano fluidi liquidi o gassosi, puliti e per medie temperature. Per maggiori informazioni, o utilizzi diversi, consultare il nostro ufficio commerciale.

CONFIGURA AZIONAMENTO
Seleziona i parametri di ricerca
CERCA ARTICOLO
X CHIUDI

PROSSIMO EVENTO

IVS - Industrial Valve Summit 2026
IVS - Industrial Valve Summit 2026
Bergamo, Italia, 19 - 21 maggio 2026