images/testate/Template-Header-Sito-OMALBALLVALVES.jpg

Kugelhahn aus Gusseisen Item 216

Kugelhahn aus Gusseisen Item 216
Makro Kugelhähne

Kugelhahn aus Gusseisen, 2 Wege, mit Flansch, voller Durchgang

KONFIGURIEREN Steuerung
INFORMATIONEN ANFORDERN
SEITE DRUCKEN
  • eigenschaften
  • abmessungen
  • werkstoffe
  • diagramme und anlaufmomente

ALLGEMEINE EIGENSCHAFTEN: 
• Flansch: EN 1092/2 PN16
• Baulänge EN558/1 (ISO 5752)
• Betriebstemperatur: -10°C bis +70°C
• Betriebsdruck max. 16 Bar (10 Bar als Endpunkt der Linie) SIEHE Diagramm
• Betriebsmedien: Gas, Flüssiggas, gasförmiger Brennstoff gemäß den Normen UNI-CIG 7129 und DIN-DVGW  Tabelle G 260/I für Gase. 

SONDERAUSFÜHRUNGEN AUF ANFRAGE: 
• PN 6 - PN 10
• Für andere Anwendungen wenden Sie sich an unsere Verkaufsabteilung.

ZERTIFIZIERUNGEN: 
• DIN-DVGW-Zulassung Sicherheitsabsperreinrichtung für brennbare Gase. Tab. G260

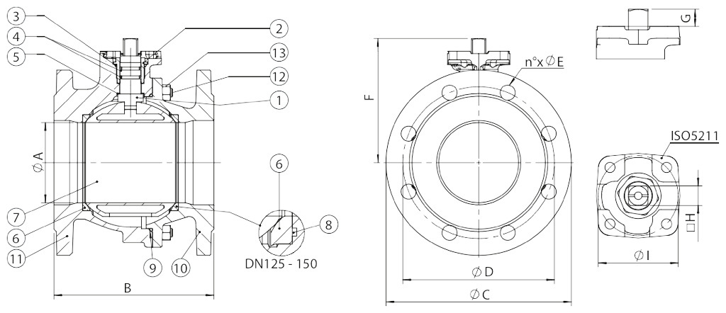
ABMESSUNGEN
BAUGRÖSSE   
øA
B
øC
øD
øE
F
G
□H
øI
DN [mm]
[Zoll]
DN 50
2"
50
150
165
125
4x18
100,5
13,5
14
50
DN 65
2" 12
63
170
185
145
4x18
108,5
13,5
14
50
DN 80
3"
76
180
200
160
8x18
133
15
17
70
DN 100
4"
95
190
220
180
8x18
147,5
15
17
70
DN 125
5"
120
200
250
210
8x18
186
21
22
102
DN 150
6"
145
210
285
240
8x22
203,5
21
22
102



WERKSTOFFE   
1
Spindel  
Verchromtes Messing
CuZn40Pb2
2
Gewindering
Verchromtes Messing
CuZn40Pb2
3
O-Ring der oberen Dichtung
NBR

4
O-Ring mittlere Dichtung
NBR

5
Gleitring
P.T.F.E.

6
Seitliche Dichtungen  
P.T.F.E.

7
Kugel
MessingCuZn40Pb2
8
O-Ring
NBR

9
Gehäusedichtung O-Ring
NBR

10
Flansch
Sphäroguss
EN GJS 400-15
11
Gehäuse
Sphäroguss
EN GJS 400-15
12
Gewindebolzen
Verzinkter Carbonstahl

13
Befestigungsmutter
Verzinkter Carbonstahl


DRUCK-/TEMPERATURDIAGRAMM

Durchflussrate/Druckverlust und Nennkoeffizient Kv

Der Kv-Wert ist der Durchflusswert in m3/h (bei einer Wassertemperatur von 15°C), der einen Druckabfall von 1 bar verursacht.

ANLAUFMOMENTE in Nm  
BAUGRÖSSE
DN 50
2"
DN 65
2"1/2
DN 80
3"
DN 100
4"
DN 125
5"
DN 150
6"
PN 16 bar
38
68
112
171
298
445


Die angegebenen Anlaufmomentwerte können sich je nach Temperatur oder Betriebsmedien ändern. Berücksichtigen Sie bitte einen Sicherheitsfaktor von 1,4.
Bei häufigen Öffnungs- und Schließzyklen kann sich das Betriebsdrehmoment im Vergleich zum Anfangswert leicht verringern. Die auf den folgenden Seiten angegebenen Kombinationen Antrieb/Armatur beziehen sich auf Armaturen mit flüssigen oder gasförmigen sauberen Medien bei mittleren Temperaturen. Für weitere Informationen oder andere Verwendungszwecke wenden Sie sich bitte an unsere Verkaufsabteilung.

KONFIGURIEREN BETÄTIGUNG
Wählen Sie die Suchparameter
ARTIKEL SUCHEN
SCHLIESSEN

NÄCHSTES EVENT

IVS - Industrial Valve Summit 2026
IVS - Industrial Valve Summit 2026
Bergamo, Italy, 19 - 21 may 2026