images/testate/Template-Header-Sito-OMALBALLVALVES.jpg

Item 216 iron ball valve

Item 216 iron ball valve
Macro Ball valves

2-way full-bore flanged cast iron ball valve

CONFIGURE Drive
REQUEST INFORMATION
PAGE PRINT
  • features
  • dimensions
  • materials
  • diagrams and breakaway torque

GENERAL FEATURES:
• Flanges: EN 1092/2 PN16
• Gauge as per EN558/1 (ISO 5752).
• Working temperature: from -10°C to +70°C
• Working pressure: 16 Bar max (10 Bar for end of line application) SEE DIAGRAM
• Fluid range: gas, liquid gases and gaseous fuels as per UNI-CIG 7129 and DIN-DVGW G 260/I table for gas.

ON REQUEST:
• PN 6 - PN 10:
• For other applications, please contact our sales department.

CERTIFICATIONS:
• DIN-DVGW approval for combustible gas tab. G260

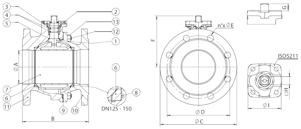
  DIMENSIONS
  SIZE
øA
B
øC
øD
øE
F
G
□H
øI
DN [mm]
[inch]
DN 50
2"
50
150
165
125
4x18
100,5
13,5
14
50
DN 65
2" 12
63
170
185
145
4x18
108,5
13,5
14
50
DN 80
3"
76
180
200
160
8x18
133
15
17
70
DN 100
4"
95
190
220
180
8x18
147,5
15
17
70
DN 125
5"
120
200
250
210
8x18
186
21
22
102
DN 150
6"
145
210
285
240
8x22
203,5
21
22
102

  MATERIALS
1
Shaft
Brass chrome plated
CuZn40Pb2
2
Ring nut
Brass chrome plated
CuZn40Pb2
3
Top O-ring
NBR

4
Shaft O-ring
NBR

5
Sliding ring
P.T.F.E.

6
Seals
P.T.F.E.

7
Ball
Brass
CuZn40Pb2
8
O-ring
NBR

9
Body o-ring
NBR

10
Flange
Ductile iron
EN GJS 400-15
11
Body
Ductile iron
EN GJS 400-15
12
Tie-rod
Carbon steel galvanized

13
Lock nut
Carbon steel galvanized

Pressure/temperature diagram

Flow/pressure loss diagram and Kv nominal coefficient

Kv is the coefficient, expressed in m3/h (with water at 15°C) causing a pressure loss of 1 bar.

BREAKAWAY TORQUES Nm
  SIZE
DN 50
2"
DN 65
2"1/2
DN 80
3"
DN 100
4"
DN 125
5"
DN 150
6"
PN 16 bar
38
68
112
171
298
445


Torque can vary depending on temperature and type of fluid; a safety factor of 1.4 must be applied. Torque can drop on high frequency of operations. The actuator/valve sizing, indicated on the following pages, are based for valves to be used with liquids or gaseous fluids, clean, and for medium temperatures. For further information, or different uses please contact our sales department.

CONFIGURE DRIVE
Select the search standards
FIND ITEM
X CLOSE

NEXT EVENT

IVS - Industrial Valve Summit 2026
IVS - Industrial Valve Summit 2026
Bergamo, Italy, 19 - 21 may 2026