ОБЩИЕ ХАРАКТЕРИСТИКИ: • Кран предназначен для эксплуатации при низких давлениях с неагрессивными текучими средами. • Рабочая температура: от -20°C до +150°C для текучих сред. • Рабочее давление: см. график. • Рабочая среда: воздух, вода, масла, лёгкие фракции. • Резьбовые концы по стандарту ISO 7/1. • Фланец для монтажа привода по ISO 5211.
СПЕЦИАЛЬНЫЕ ИСПОЛНЕНИЯ ПОД ЗАКАЗ: • По другим применениям обращаться в наш технический отдел.
СЕРТИФИКАЦИИ: • Соответствует европейской Директиве 2014/68/ЕС по оборудованию, работающему под давлением (PED)
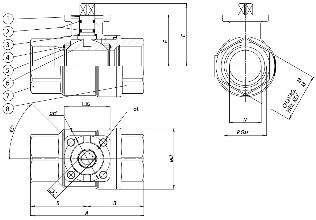
РАЗМЕРЫ
УСЛОВНЫЙ ПРОХОД
A
B
☐C
øD
E
F
☐G
øH
øL
ch.M
N
DN [mm]
[дюймы]
DN 10
3/8"
69
34,5
9
31,8
38,5
29,5
36
36
5,5
25
10
DN 15
1/2"
69
34,5
9
31,8
38,5
29,5
36
36
5,5
25
15
DN 20
3/4"
77
38,5
9
40
45,3
36,3
36
36
5,5
31
20
DN 25
1"
89
44,5
9
48
49,2
40,2
36
36
5,5
38
25
DN 32
1" 1/4
103
51,5
11
62
59,6
50,5
42
36
5,5
47
32
DN 40
1" 1/2
114
57
11
72,6
66,2
57
42
36
5,5
54
40
DN 50
2"
134
67
11
88,5
75,5
64,3
46
36/42
5,5
66
50
МАТЕРИАЛЫ
1
Шпиндель
Латунь
EN 12164 CW614N
2
Кольцо уплотнительное
FKM
3
Кольцо антифрикционное
П.Т.Ф.Э.
4
Кольца уплотнительные боковые
FKM
5
Прокладки уплотнения бокового
П.Т.Ф.Э.
6
Пробка шаровая
Nickel-chrome plating
EN 12164 CW614N
7
Корпус*
Латунь
EN 12165 CW617N
8
Муфта с внутренней резьбой*
Латунь
EN 12165 CW617N
* Внешняя обработка: блестящее никелирование
ГРАФИК ДАВЛЕНИЕ/ТЕМПЕРАТУРА
Расход/падение напора и номинальный коэффициент Kv
Значение Kv численно равно расходу в м3/ч (воды при температуре 15°C), при котором потери напора (на арматуре) составят 1 бар.
МОМЕНТЫ СТРАГИВАНИЯ в Н·м
MISURA
DN 10 3/8"
DN 15 1/2"
DN 20 3/4"
DN 25 1"
DN 32 1"1/4
DN 40 1"1/2
DN 50 2"
PN 16 bar
3
3
4
5
7
9
15
Значения момента могут варьировать в зависимости от температуры и типа рабочей среды. Применять коэффициент запаса прочности, равный 1,4. При часто повторяющихся циклах открывания и закрывания рабочий момент может значительно снижаться по сравнению с первоначальным. Показанные на последующих страницах присоединения привода к арматуре относятся к арматуре, перекрывающей чистые жидкие или газообразные среды при средних температурах. Для получения более подробной информации и иным применениям консультироваться с нашим техническим отделом.