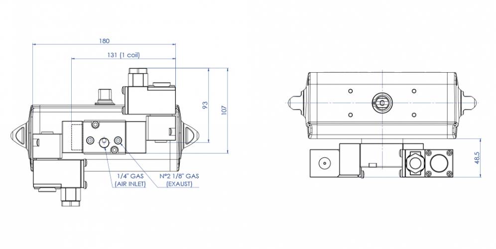
พื้นที่ปลอดภัย กล่องลิมิตสวิตช์ ลิมิตสวิตช์ภายนอกและตัวบ่งชี้ตำแหน่ง โพซิชันเนอร์ โซลินอยด์วาล์วและคอยล์ อุปกรณ์ควบคุมการไหล เกียร์บ็อกซ์พวงมาลัยมือ ตัวลดสี่เหลี่ยมและฟิลเตอร์ พื้นที่ ATEX กล่องลิมิตสวิตช์ ลิมิตสวิตช์ภายนอกและตัวบ่งชี้ตำแหน่ง โพซิชันเนอร์ โซลินอยด์วาล์วและคอยล์ Download General catalogue ดาวน์โหลด Actuator Accessories Catalogue การถอดรหัส MAGNUM & THOR กำหนดค่าผลิตภัณฑ์ของคุณ ดาวน์โหลดไฟล์ 2D และ 3D ในหลายรูปแบบ ดาวน์โหลด Sales conditions มาโคร อุปกรณ์เสริมสำหรับแอคชูเอเตอร์ หมวดหมู่ พื้นที่ ATEX หมวดย่อย โซลินอยด์วาล์วและคอยล์ ค้นหารหัส ขอข้อมูล ดาวน์โหลดแค็ตตาล็อก 3/2 - 5/2 NAMUR SOLENOID VALVE WITH CNOMO COIL ตัวอย่างการใช้งานด้วยขดลวด 1 ชุด (แบบโมโนสเตเบิล) ตัวอย่างการใช้งานด้วยขดลวด 2 ชุด (แบบไบสเตเบิล) คุณสมบัติทางเทคนิค- แบบโมโนสเตเบิลหรือไบสเตเบิล 3/2 - 5/2 ตามมาตรฐาน NAMUR พร้อมอินเทอร์เฟซขดลวดแบบ CNOMO- วาล์วโซลินอยด์ออกแบบมาเพื่อเลือกฟังก์ชันการทำงานระหว่าง 5/2 และ 3/2 ซึ่งสามารถปรับได้โดยใช้เพลทเชื่อมต่อ 2 แบบที่แตกต่างกัน- การป้องกันเมื่อใช้ขั้วต่อ: IP65- มีระบบระบายลมในตัวแบบ ETS (Exhaust to Spring) เมื่ออยู่ในตำแหน่ง 3/2- ความสามารถในการไหล: 675 ลิตร/นาที ที่ 6 บาร์ Δp 1 บาร์- การเชื่อมต่อลม: ช่องลมเข้า 1/4" ช่องระบายลม 1/8" ISO 228- การควบคุมแบบไบสเตเบิลด้วยสกรู- แรงดันการทำงาน: 3 ถึง 10 บาร์- อุณหภูมิโดยรอบ: ตั้งแต่ -20°C ถึง 60°C วัสดุ- ตัวเรือนและปลั๊ก: อะลูมิเนียม DURAL ชุบอโนไดซ์; สแตนเลส AISI-316 ตามคำขอ- สปูล: อะลูมิเนียมชุบอโนไดซ์ เคลือบ PTFE- ซีล: NBR- สปริง: สแตนเลส- สกรู: สแตนเลส- เพลทแปลง 3/2 – 5/2: ไนลอน 66 เสริมใยแก้ว (30%) ใบรับรองมาตรฐาน- ATEX ตามมาตรฐานของขดลวด- ใบรับรอง CE ตามคำขอ- ใบรับรองอื่น ๆ ตามคำขอ- ได้รับการรับรองมาตรฐานความปลอดภัยถึงระดับ SIL 2- ได้รับการรับรองมาตรฐานความปลอดภัยถึงระดับ SIL 3 สำหรับการทำงานแบบ 3/2 ขดลวด ExNA IIC T4ขดลวด CNOMO สำหรับโซลินอยด์วาล์ว ATEX รุ่น ER85 - ER86 - ER8187 คุณสมบัติทางเทคนิค- การใช้พลังงาน: 2.4 W (กระแสตรง DC) / 5 VA (สูงสุด 10 VA) (กระแสสลับ AC)- ค่าความคลาดเคลื่อนของแรงดันไฟฟ้า: ±10%- การทำงานต่อเนื่อง (Duty cycle): 100%- ระดับการป้องกัน: IP65- การเชื่อมต่อทางไฟฟ้า: PG 9 (M20x1.5 ตามคำขอ)- อุณหภูมิการทำงาน: ตั้งแต่ -20°C ถึง +60°C วัสดุ- ตัวเรือน: โลหะผสมน้ำหนักเบาพ่นสี (เคลือบผงอีพ็อกซีสแตนเลสตามคำขอ)- ขดลวด: ทองแดงเคลือบ ระดับฉนวนคลาส H ใบรับรองมาตรฐาน- ATEX ExNA IIC T4 II 1 GD Exia IIC T6*ขดลวด CNOMO สำหรับโซลินอยด์วาล์ว ATEX รุ่น ER85 - ER86 - ER8187 คุณสมบัติทางเทคนิค- การใช้พลังงาน: สูงสุด 0.4 W- ค่าความคลาดเคลื่อนของแรงดันไฟฟ้า: ±10%- การทำงานต่อเนื่อง (Duty cycle): 100%- การป้องกัน: IP65- การเชื่อมต่อทางไฟฟ้า: PG 9 (M20x1.5 ตามคำขอ)- อุณหภูมิโดยรอบ: ตั้งแต่ -20°C ถึง +55°C วัสดุ- ตัวเรือน: โลหะผสมน้ำหนักเบาพ่นสี- ขดลวด: ทองแดงเคลือบ ระดับฉนวนคลาส H ใบรับรองมาตรฐาน- ATEX II 1 GD Ex ia IIC T6- IECEX, NEPSI, FM สำหรับสหรัฐอเมริกาและแคนาดา (ตามคำขอ) * เพื่อให้เป็นไปตามมาตรฐาน ATEX Exia ขดลวดต้องได้รับการป้องกันด้วยอุปกรณ์นิรภัยที่เหมาะสม ซึ่งไม่ได้รวมอยู่ในการจัดจำหน่าย II2GD Exd IIC T4 - T6ขดลวด CNOMO สำหรับโซลินอยด์วาล์ว ATEX รุ่น ER85 - ER86 - ER8187 คุณสมบัติทางเทคนิค- การใช้พลังงาน: 9.5 VA (กระแสสลับ AC) / 1.3 W (24Vdc)- ค่าความคลาดเคลื่อนของแรงดันไฟฟ้า: ±10%- การทำงานต่อเนื่อง (Duty cycle): 100%- ระดับการป้องกัน: IP66- การเชื่อมต่อทางไฟฟ้า: M20x1.5 (1/2” NPT ตามคำขอ)- อุณหภูมิการทำงาน: ตั้งแต่ -20°C ถึง +55°C วัสดุ- ตัวเรือน: สแตนเลสเคลือบผงอีพ็อกซี- ขดลวด: ทองแดงเคลือบ ระดับฉนวนคลาส H ใบรับรองมาตรฐาน- ATEX II2GD Exd IIC T4 - T6- IEC Ex, NEPSI, EAC CU-TR ตามคำขอ ค้นหารหัส