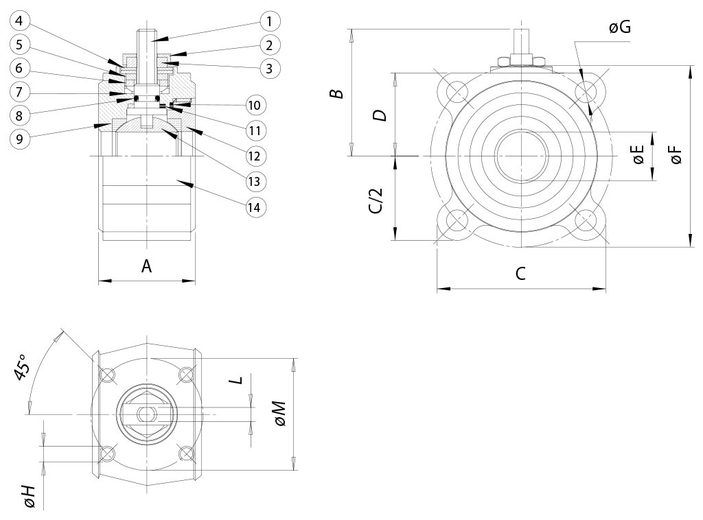
H2 INVICTUS (เอชทู อินวิคตัส) MAGNUM (แม็กนัม) THOR PROCHEMIE 60 (โปรเคมมี 60) HERCULES (เฮอร์คิวลีส) KRATOS (เครโทส) SUPREME TRUNNION (ซูพรีม ทรันเนียน) OTHER BRASS BALL VALVES (วาล์วลูกบอลทองเหลืองอื่น ๆ) OTHER CAST IRON BALL VALVES (วาล์วลูกบอลเหล็กหล่ออื่น ๆ) OTHER STAINLESS STEEL BALL VALVES (วาล์วลูกบอลสแตนเลสอื่น ๆ) OTHER CARBON STEEL BALL VALVES (วาล์วลูกบอลเหล็กกล้าคาร์บอนอื่น ๆ) OTHER PVC BALL VALVES (วาล์วลูกบอลพีวีซีอื่น ๆ) Download General catalogue ดาวน์โหลด Actuator Accessories Catalogue การถอดรหัส MAGNUM & THOR กำหนดค่าผลิตภัณฑ์ของคุณ ดาวน์โหลดไฟล์ 2D และ 3D ในหลายรูปแบบ ดาวน์โหลด Sales conditions มาโคร วาล์วบอล หมวดหมู่ Other brass ball valves (วาล์วลูกบอลทองเหลืองอื่น ๆ) วาล์วบอลทองเหลือง 2 ทาง แบบรูเต็ม ตัวเรือนแบน หน้าแปลน กำหนดค่า ระบบขับเคลื่อน ขอข้อมูล พิมพ์หน้าเว็บ ดาวน์โหลดแค็ตตาล็อก 1-6-1-4: ITEM 115 คุณลักษณะ ขนาด วัสดุ แผนภาพและแรงบิดเริ่มต้น คุณลักษณะทั่วไป:• หน้าแปลนตามมาตรฐาน EN1092-1 PN16• อุณหภูมิการทำงาน: -20°C ถึง +150°C สำหรับของเหลว, -20°C ถึง +60°C สำหรับก๊าซ• ความดันการทำงาน: 16 บาร์ ดูแผนภาพ• ช่วงของไหล: น้ำ อากาศ ก๊าซ ผลิตภัณฑ์ปิโตรเลียมและปิโตรเคมี ไม่เหมาะสำหรับตัวกลางที่ก้าวร้าว• การเชื่อมต่อ ISO 5211 สำหรับแอคชูเอเตอร์ตามคำขอ:• สำหรับการใช้งานอื่น กรุณาติดต่อฝ่ายการขายของเรา ขนาดขนาดABCDøEøFøGøHLøMDN [mm][inch]DN 151/2"354866311565M12M5636DN 203/4"385173342075M12M5636DN 251"4363,58339,52585M12M5842DN 321" 1/454681004632100M16M5842DN 401" 1/260801055040110M16M61050DN 502"70871155750125M16M61050 วัสดุ1เพลาสเตนเลส 3041.4301UNI X5CrNi 18 102ตัวยึดน็อตสเตนเลส 3041.4301UNI X5CrNi 18 103น็อตล็อกสเตนเลส 3041.4301UNI X5CrNi 18 104แหวนสปริงเบลล์วิลล์50 CrV45แท่นรองสเตนเลส 3041.4301UNI X5CrNi 18 106แหวนเกลียวน็อตยึดก้านสเตนเลส 3041.4301UNI X5CrNi 18 107ซีลบนPTFE8โอริงFKM9ซีลPTFE10โอริงPTFE11ซีลด้านล่างPTFE12น็อตวงแหวน*ทองเหลืองEN 12164 CW614N13ลูกบอลชุบโครเมียมทองเหลืองEN 12164 CW614N14ตัวเรือน*ทองเหลืองEN 12165 CW617Nการเคลือบผิว: ชุบนิกเกิลเงา แผนภาพความดัน/อุณหภูมิ แผนภาพการไหล/การสูญเสียความดัน และค่าสัมประสิทธิ์ Kv ที่กำหนด Kv คือค่าสัมประสิทธิ์ แสดงเป็น m³/h (โดยใช้น้ำที่อุณหภูมิ 15°C) ซึ่งทำให้เกิดการสูญเสียความดัน 1 บาร์ แรงบิดเริ่มต้น (Nm) ขนาดDN 151/2"DN 203/4"DN 251/2"DN 321"1/4DN 401"1/2DN 502"PN 16 บาร์7916263958ค่าแรงบิดอาจเปลี่ยนแปลงได้ขึ้นอยู่กับอุณหภูมิและชนิดของของไหล ต้องใช้ค่าปลอดภัย 1.4 ค่าแรงบิดอาจลดลงเมื่อมีการใช้งานบ่อย การเลือกขนาดแอคชูเอเตอร์/วาล์วที่แสดงในหน้าถัดไป อ้างอิงจากการใช้งานวาล์วกับของเหลวหรือก๊าซที่สะอาด และที่อุณหภูมิปานกลาง สำหรับข้อมูลเพิ่มเติมหรือการใช้งานในลักษณะอื่น กรุณาติดต่อฝ่ายการขายของเรา กำหนดค่า ไดรฟ์ เลือกมาตรฐานการค้นหา -- ไดรฟ์ -- เพลาอิสระ คันโยก แอคทูเอเตอร์นิวเมติกแบบ DA แอคทูเอเตอร์นิวเมติกแบบ SR ค้นหารายการ