OMAL,<br>EMPOWERED<br>PERFORMANCE
OMAL,
EMPOWERED
PERFORMANCE
วาล์วและแอคชูเอเตอร์
โซลูชันขั้นสูงสำหรับการควบคุมของไหลและระบบอัตโนมัติในกระบวนการ

EF 25-250 ตัวกระตุ้นไฟฟ้าแบบหมุน

  • คุณลักษณะ
  • ขนาด

ข้อมูลทางเทคนิค
ตัวกระตุ้นไฟฟ้าแบบหมุน สามารถใช้งานได้ทั้งแบบเปิด/ปิด หรือแบบมอดูเลต
ใช้สำหรับควบคุมวาล์วที่มีมุมการหมุนตั้งแต่ 90° ถึง 180°
ตำแหน่งการทำงาน: เปิด / ปิด / กึ่งกลาง
แรงบิดที่กำหนด: 10–100 Nm
แรงบิดสูงสุด: 25–250 Nm
แรงดันไฟฟ้าที่กำหนด: AC 100–230 V, 50/60 Hz หรือ AC/DC 24 V, 50/60 Hz
ค่าความคลาดเคลื่อนของแรงดันไฟฟ้า: ±15%
ระดับการป้องกัน: IP65 (IP67 เมื่อใช้กับข้อต่อสายไฟและติดตั้งในแนวตั้ง) ตามมาตรฐาน EN60529
ตัวกระตุ้นสำหรับวาล์วอุตสาหกรรมตามมาตรฐาน EN 15714-2
อุณหภูมิสภาพแวดล้อม: -10°C ถึง +50°C
ความชื้นสัมพัทธ์ที่อนุญาต: สูงสุด 90% โดยไม่มีการควบแน่น
วัสดุตัวเรือน: โพลีโพรพิลีนผสมใยแก้ว (PP เสริมใยแก้ว)

* เมื่ออุณหภูมิต่ำกว่า -10°C และมีการควบแน่น ควรเปิดใช้งานฮีตเตอร์ภายใน

อุปกรณ์เสริม (ตามคำขอ)
ตัวปรับตำแหน่ง: แบบกระแสไฟฟ้าหรือแรงดันไฟฟ้า
ระบบเครือข่าย: Profibus DP
ระบบคืนตำแหน่งกรณีฉุกเฉิน: แบตเตอรี่สำรอง หรือบอร์ดจ่ายไฟภายนอก
โมดูลอัจฉริยะ: การตรวจสอบรอบการทำงาน, ตัวนับรอบ, การตรวจสอบกระแสไฟของมอเตอร์

แผ่นข้อมูลทางเทคนิค

EF 25EF 45EF 120EF 250
แรงบิดที่กำหนด (Nm)102060100
แรงบิดสูงสุดขณะพีค (Nm)2545120250
รอบการทำงานต่อเนื่อง100%50%50%35%
เวลาหมุนต่อรอบที่แรงบิดกำหนด5 วินาที/90°6 วินาที/90°15 วินาที/90°20 วินาที/90°
แรงดันไฟฟ้าที่กำหนด100–230 VAC, 50/60 Hz
24 VAC/DC, 50/60 Hz
กำลังไฟฟ้าที่ใช้35VA @ 100–230VAC
40VA @ 24VAC/DC
55VA @ 100–230VAC
60VA @ 24VAC/DC
50VA @ 100–230VAC
55VA @ 24VAC/DC
60VA @ 100–230VAC
65VA @ 24VAC/DC
กระแสไฟที่ใช้0.35A @ 100VAC
0.15A @ 230V
1.7A @ 24VDC
0.55A @ 100VAC
0.24A @ 230V
2.5A @ 24VDC
0.5A @ 100VAC
0.22A @ 230V
2.3A @ 24VDC
0.55A @ 100VAC
0.26A @ 230V
2.7A @ 24VDC
น้ำหนัก (กก.)2.12.23.65.0
มุมการทำงานสูงสุด 355° ตั้งค่าเริ่มต้นที่ 90°
จำนวนรอบที่ทดสอบ (ที่ 20°C และแรงบิดกำหนด)250,000100,000100,00075,000

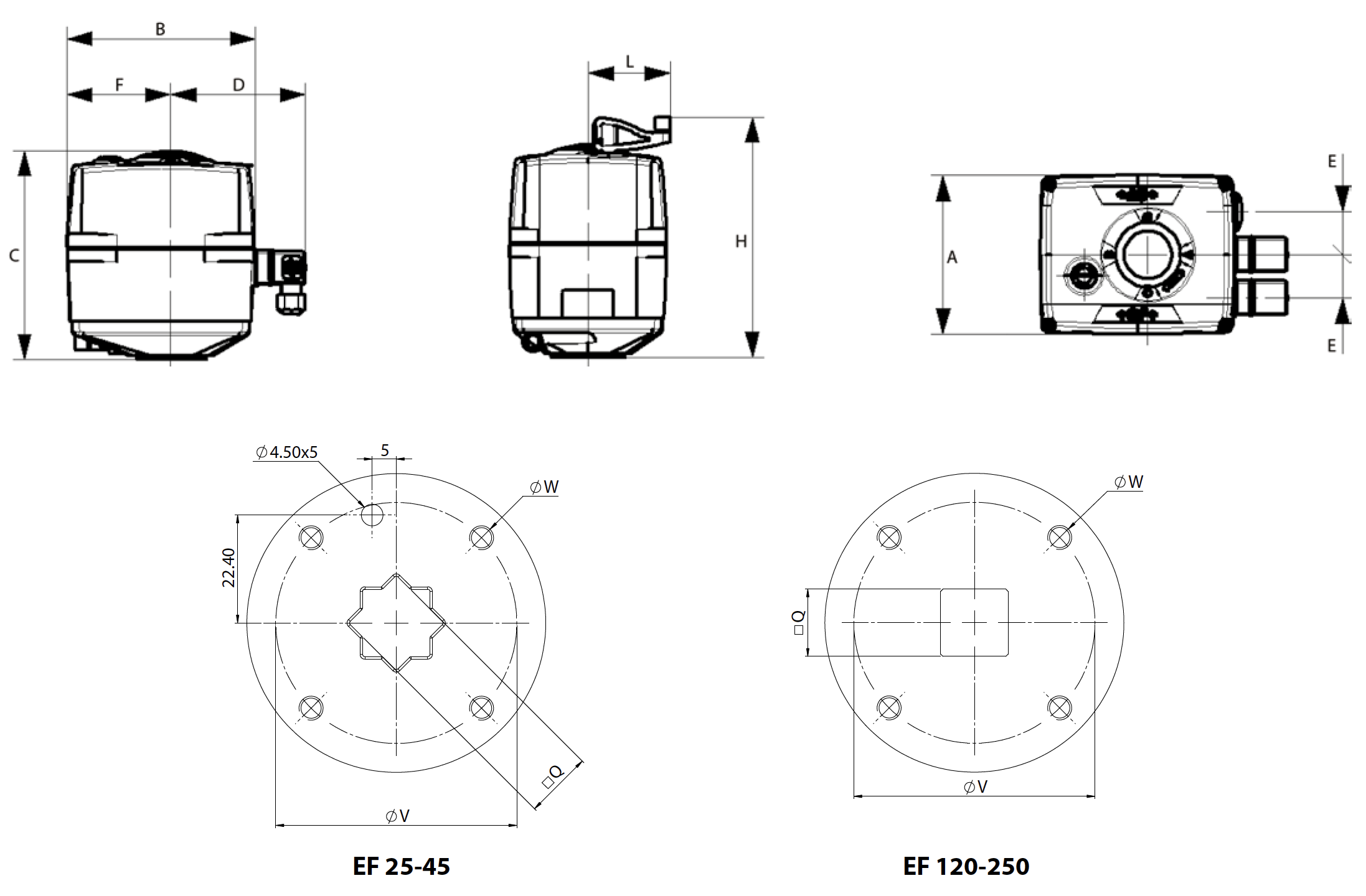
 ขนาด
รุ่น
ISO
A
B
C
D
E
F
H
L
Q
øV
øW
EF 25
F05
122
150
167
108
33
83
189
64
14
50
M6
EF 45
F05
122
150
167
108
33
83
189
64
14
50
M6
EF 120
F07
122
150
190
108
33
83
212
64
17
70
M8
EF 250
F07
122
150
208
108
33
83
230
64
17
70
M8

เลือก ขนาด
เลือกมาตรฐานการค้นหา
ค้นหารายการ
ปิด X

กิจกรรมถัดไป

Asia Water 2026
Asia Water 2026
Kuala Lumpur, 7-9 April 2026