images/testate/6gJZ09_Template-Header-Sito-OMAL2560x768-AGO-ok.jpg

AGO HANDWHEEL - SR พร้อมล้อมือแบบบูรณาการ

  • ประโยชน์
  • คุณลักษณะ
  • ขนาด
  • วัสดุ
  • ข้อกำหนดทางเทคนิค
  • อุปกรณ์เสริม
  • เอกสาร

1. แถบหล่อลื่นตัวเองแบบมีพลังงาน
ลดแรงเสียดทานระหว่างลูกสูบและกระบอก
ป้องกันการยึดติดของซีลกับกระบอกแม้ในกรณีที่ไม่ได้ใช้งานเป็นเวลานาน

2. ร่อง บุช และพิน ผลิตจากเหล็กที่มีค่าความแข็งมากกว่า 50 HRC
เพิ่มความทนทานต่อแรงภายในตัวกระตุ้น (แอคชูเอเตอร์)

3. แรงเสียดทานแบบหมุนระหว่างลูกสูบและร่อง
ลดแรงเสียดทาน

4. ระบบสก็อตยอร์กแบบแรงเสียดทานหมุน (แปลงการเคลื่อนไหวแบบหมุนให้เป็นแบบเชิงเส้นด้วยลูกสูบและเพลาโดยไม่ใช้เฟือง)
ลดแรงเสียดทานระหว่างลูกสูบและเพลา จึงทำให้การสึกหรอของชิ้นส่วนลดลง
แรงบิดเริ่มต้น (BTO และ BTC) สูงขึ้น
ขนาดเล็กกว่าตัวกระตุ้นแบบแร็คและเฟือง (ในแรงบิดเท่ากัน) จึงใช้พื้นที่ติดตั้งน้อยกว่า
น้ำหนักเบากว่าตัวกระตุ้นแบบแร็คและเฟืองประมาณ 30% (กก./นิวตันเมตร) ทำให้ประหยัดในการออกแบบโครงสร้างของระบบ/อุปกรณ์
ใช้ลมน้อยกว่าตัวกระตุ้นแบบแร็คและเฟือง (-40% ลูกบาศก์เซนติเมตร/นิวตันเมตร สำหรับชนิดทำงานสองทาง และ -20% สำหรับชนิดสปริงรีเทิร์น) ทำให้ภาระงานของคอมเพรสเซอร์ลดลง หรือสามารถใช้คอมเพรสเซอร์ขนาดเล็กลงได้

5. กระบอกม้วนขึ้นรูป
ลดการสึกหรอของแถบหล่อลื่นตัวเองเนื่องจากผิวมีความเรียบเนียนสูง

6. เพลาสแตนเลส
ทนการกัดกร่อนได้ดียิ่งขึ้น

ตั้งแต่ขนาดใหญ่กว่า DAN15 ขึ้นไป จะมีอินเทอร์เฟซ NAMUR สำหรับวาล์วโซลินอยด์ในตัว
ไม่จำเป็นต้องติดตั้งแผ่นเสริมเพิ่มเติม

กระบวนการผลิตครบวงจรภายในโรงงาน
ควบคุมและตรวจสอบความแม่นยำได้สูงสุดในทุกขั้นตอนของการผลิต

ใบรับรอง ATEX
สามารถติดตั้งได้ในพื้นที่ที่มีความเสี่ยงต่อการเกิดการระเบิด

ได้รับการรับรองสูงสุดถึงระดับ SIL 3
รับประกันความปลอดภัยการทำงานในระดับสูง

คุณลักษณะทางเทคนิค
แรงบิดตั้งแต่ 30 Nm ถึง 1920 Nm
หน้าแปลนยึดตามมาตรฐาน EN ISO 5211
F05 - F07 - F10 - F12 - F14 - F16
เป็นไปตามมาตรฐาน EN 15714-3
มุมการหมุน: 92° (-1°, +91°)
แรงบิด: แรงบิดขากลับขึ้นอยู่กับแรงสปริงเท่านั้น โดยไม่ขึ้นกับแรงลมอัด สปริงมีให้เลือก 4 ขนาด (ดูตาราง)
รหัสตัวเลขหลังตัวอักษร SRNV หมายถึงค่าแรงบิดเริ่มต้น (breakaway torque) หน่วย Nm ที่แรงดันลม 5.6 bar
การปิดอัตโนมัติของตัวกระตุ้น (actuator) จะเกิดขึ้นในทิศตามเข็มนาฬิกาโดยใช้แรงสปริง รุ่น ATEX เป็นไปตามข้อกำหนดของ Directive 2014/34/EU โปรดเติมรหัส YX ต่อท้ายสำหรับรุ่น ATEX

สภาวะการทำงาน
อุณหภูมิ: ตั้งแต่ -20°C ถึง +80°C (รุ่นพิเศษ: อุณหภูมิสูง -20°C ถึง +150°C; อุณหภูมิต่ำ -50°C ถึง +60°C)
แรงดันลม: 5.6 bar; สูงสุด 8.4 bar
สื่อกระตุ้น (Actuating media): อากาศอัดแห้งที่ผ่านการกรอง อาจหล่อลื่นหรือไม่ก็ได้
หากใช้อากาศหล่อลื่น ต้องใช้น้ำมันที่ไม่มีผงซักฟอกและเข้ากันได้กับ NBR

เมื่อมีการร้องขอ ตัวกระตุ้นแบบหมุนไตรมาส (quarter turn pneumatic actuator) สามารถติดตั้งพร้อมล้อมือ (handwheel) ได้
อุปกรณ์นี้สามารถติดตั้งร่วมกับรุ่นแบบ Double Acting หรือแบบ Spring Return ได้ สำหรับการทำงานที่ถูกต้องของระบบและเพื่อความสมบูรณ์ทางกลของอุปกรณ์ จำเป็นต้องตัดการเชื่อมต่อแหล่งลมอัดออกจากตัวกระตุ้นก่อนทำการใช้งานด้วยล้อมือ
ล้อมือทำงานผ่านชุดส่งกำลังกลหลักของตัวกระตุ้นนิวเมติก และเมื่อใช้แรงบิดกับล้อมือตามมาตรฐาน EN 12570 จะให้แรงบิดขาออกเท่ากับค่าแรงบิดที่กำหนดของตัวกระตุ้น

SRNV 30 ÷ SRNV 240

แผ่นข้อมูลทางเทคนิค SRNV 30 ÷ SRNV 240
รหัส
SRNV0030401SSRNV0030402SSRNV0053401SSRNV0060401SSRNV0090401SSRNV0120401SSRNV0180401SSRNV0240401S
ซีลสำรอง
KGGI0016VXKGGI0016VXKGGI0060VXKGGI0018VXKGGI0019VXKGGI0020VXKGGI0021VXKGGI0022VX
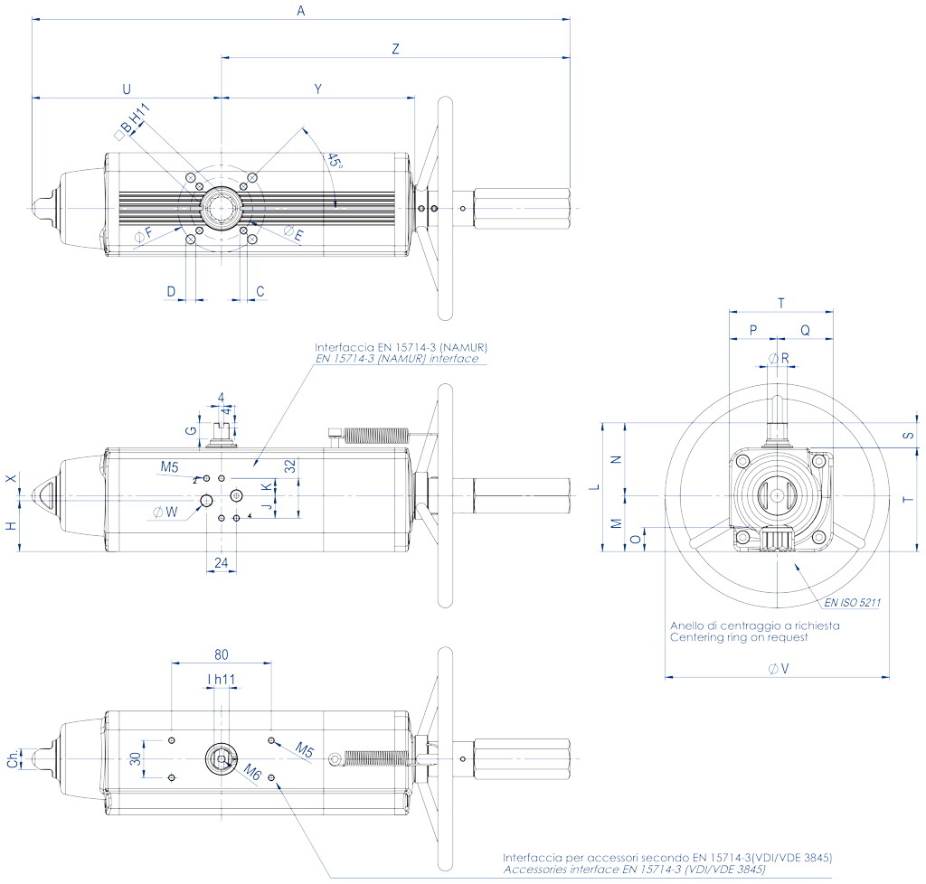
ขนาด
SRNV 30SRNV 30SRNV 53SRNV 60SRNV 90SRNV 120SRNV 180SRNV 240
ISOF04F05/F07F05/F07F05/F07F07/F10F07/F10F07/F10F10/F12
A392,7392,7431,4457,7534,9558,5635700,8
B1414171722222227
C x ความลึกM5x8M6x9M6x9M6x9M8x12M8x12M8x12M10x15
D x ความลึก-M8x12M8x12M8x12M10x15M10x15M10x15M12x18
E42505050707070102
F-707070102102102125
G1313131316171919
H33,733,740,842,852,556,15857,4
J1818181818181816
K1414141414141416
I1010121215151919
L90,490,4103,3107137,5141,1148164,9
M37,737,744,846,856,560,16272,9
N52,752,758,560,281818692
O16,516,519,319,324,824,824,329,5
P32,732,738,540,251515662
Q37,737,744,846,856,560,16272,9
R14,514,516,21820,222,525,529
S2020202030303030
T70,470,483,387107,5111,1118134,9
U129,4129,4152,1169,3196,8204,8237260,2
V180180180180220220300300
W (เกลียวแก๊ส)1/8"1/8"1/8"1/8"1/8"1/8"1/8"1/4"
X4444444-
Y137,6137,6154,8163,9183,5199,1220,8236,4
Z263,3263,3279,3288,4338,1353,7398440,6
Ch1313171722222227
จำนวนรอบ*
1111131416181516
น้ำหนัก (Kg)3,23,24,55,36,8911,715,2
อากาศ (dm3/รอบการทำงาน)0,170,170,30,330,550,811,5

* จำนวนรอบเชิงทฤษฎีในการปิด/เปิด โดยเริ่มจากตำแหน่งกึ่งกลาง

แผ่นข้อมูลทางเทคนิค SRNV 360 ÷ SRNV 960
รหัส
SRNV0360401SSRNV0480401SSRNV0480402SSRNV0720401SSRNV0720402SSRNV0960401SSRNV0960402S
ซีลสำรอง
KGGI0023VXKGGI0024VXKGGI0024VXKGGI0025VXKGGI0025VXKGGI0026VXKGGI0026VX
ขนาด
SRNV 360SRNV 480SRNV 480SRNV 720SRNV 720SRNV 960SRNV 960
ISOF10/F12F10/F12F14F14F12F14F12/F16
A810,1842,4842,41035,41035,41067,71067,7
B27363636364646
C x ความลึกM10x15M10x15M16x24M16x24M12x18M16x24M12x18
D x ความลึกM12x18M12x18----M20x30
E102102140140125140125
F125125----165
G19,519,519,519,519,518,518,5
H61,5787886,586,599,299,2
J16161616161616
K16161616161616
I22242427273232
L178198198216216237,7237,7
M78,593,593,5101,5101,5114,7114,7
N99,5104,5104,5114,5114,5123123
O29,538,538,538,538,548,548,5
P69,574,574,584,584,59393
Q78,593,593,5101,5101,5114,7114,7
R31,836,536,541414646
S30303030303030
T148168168186186207,7207,7
U306,6324,1324,1399399414414
V350350350400400400400
W (เกลียวแก๊ส)1/4"1/4"1/4"1/4"1/4"1/4"1/4"
X-------
Y282,3297,1297,1365,6365,6382,9382,9
Z503,5518,3518,3636,4636,4653,7653,7
Ch27272736363636
จำนวนรอบ*
19202025252626
น้ำหนัก (Kg)19,528,128,138,838,850,650,6
อากาศ (dm3/รอบการทำงาน)22,82,84,24,25,95,9

* จำนวนรอบเชิงทฤษฎีในการปิด/เปิด โดยเริ่มจากตำแหน่งกึ่งกลาง

SRNV 1920

แผ่นข้อมูลทางเทคนิค SRNV 1920
รหัสSRNV1920E1608A
ซีลสำรองKGGI0230VX
ขนาดSRNV 1920
ISOF16
จำนวนรอบ*30
น้ำหนัก (กก.)91
อากาศ (dm3/รอบการทำงาน)12,5

* จำนวนรอบเชิงทฤษฎีในการปิด/เปิด โดยเริ่มจากตำแหน่งกึ่งกลาง

ส่วนประกอบของแอคชูเอเตอร์แบบสปริงรีเทิร์นพร้อมล้อมือแบบบูรณาการ - ขนาด: ถึงรุ่น SRNV960

วัสดุ สำหรับรุ่นถึง SRNV960
ตำแหน่งชื่อชิ้นส่วนจำนวนวัสดุ
1สกรู1สเตนเลสสตีล
2*แหวนรองสำหรับตลับลูกปืนลูกกลิ้ง4เหล็กอัลลอย
3*ตลับลูกปืนลูกกลิ้ง2เหล็กอัลลอย
4หน้าแปลน1อะลูมิเนียมอัลลอย
5แหวนจัดศูนย์ (เฉพาะ SRNV360)1อะลูมิเนียมอัลลอย
6*โอริง (เฉพาะ SRNV360)1ยางไนไตรล์
7*โอริง2ยางไนไตรล์
8*โอริง1ยางไนไตรล์
9*โอริง1ยางไนไตรล์
10*โอริง1ยางไนไตรล์
11สกรู1สเตนเลสสตีล
12สปริง1สเตนเลสสตีล
13ปลอกเว้นระยะกระบอก1อะลูมิเนียมอัลลอย
14*โอริง1ยางไนไตรล์
15*ฝาครอบซีล1ทองเหลือง + ยางไนไตรล์
16ฝาครอบ (ปรับปรุง)1อะลูมิเนียมอัลลอย
17สกรู4สเตนเลสสตีล
18*โอริง1ยางไนไตรล์
19ล้อมือสำหรับควบคุม1เหล็กอัลลอย
20สกรูเซ็ต2สเตนเลสสตีล
21ท่อปกป้อง1อะลูมิเนียมอัลลอย
22ท่อใส1PVC
23ฝาครอบป้องกัน1อะลูมิเนียมอัลลอย
24ลิ่ม1เหล็กอัลลอย
25สปริง2เหล็กอัลลอย
26*หมุดย้ำ1เหล็กอัลลอย
27*ตัวชี้ตำแหน่ง1โพลีโพรพิลีน
28น็อตเกลียวนำสำหรับควบคุม1เหล็กอัลลอย
29บุชเกลียว (เฉพาะ SRNV240)2สเตนเลสสตีล
30ฝาครอบสปริงพิเศษ1อะลูมิเนียมอัลลอย
31พิน1เหล็กอัลลอย
32สกรูควบคุม1เหล็กอัลลอย
33*ซีลไดนามิก (ลูกสูบ)2โพลียูรีเทน
34*โอริงลูกสูบ2ยางไนไตรล์
35ลูกสูบ (ปรับปรุง)1อะลูมิเนียมอัลลอย
36*บ่ารองลูกสูบ4PTFE เติมคาร์บอน-กราไฟต์
37บุช2เหล็กอัลลอย
38ปลอกหมุน2เหล็กอัลลอย
39*ซีลบอนด์2เหล็กอัลลอย + ยางไนไตรล์
40สกรู2สเตนเลสสตีล
41สก็อตช์โยก1เหล็กอัลลอย
42บ่ารองเพลา1เรซินอะซีทาล
43สลักยืดหยุ่นภายนอกของโยก1เหล็กอัลลอย
44สลักยืดหยุ่นภายในของโยก1เหล็กอัลลอย
45เพลา1สเตนเลสสตีล
46บุชรองรับ1เรซินอะซีทาล
47ซีลเพลาล่าง1FKM
48กระบอก1อะลูมิเนียมอัลลอย
49ซีลเพลาบน1FKM
50แหวนรองรับภายนอก1เรซินอะซีทาล
51แหวนรอง1สเตนเลสสตีล
52แหวนล็อก (Seeger)1สเตนเลสสตีล
53ลูกสูบ (มาตรฐาน)1อะลูมิเนียมอัลลอย
54สกรูอัดสปริง1สเตนเลสสตีล
55ฝาครอบสปริง (มาตรฐาน)1เหล็กอัลลอย หรือ อะลูมิเนียมอัลลอย
56*โอริงฝาครอบ1ยางไนไตรล์
57ฝาครอบ (มาตรฐาน)1อะลูมิเนียมอัลลอย
58สกรู4สเตนเลสสตีล
59*โอริง1ยางไนไตรล์
60นอต1อะลูมิเนียมอัลลอย
61ชิ้นแทรกสำหรับโอริง
(เฉพาะ SRNV53-120-180-360)
1สเตนเลสสตีล
* ชิ้นส่วนในชุดอะไหล่

ส่วนประกอบของแอคชูเอเตอร์แบบสปริงรีเทิร์นพร้อมล้อมือแบบบูรณาการ - ขนาด: SRNV1920

วัสดุ SRNV1920
ตำแหน่งชื่อชิ้นส่วนจำนวนวัสดุ 
1กระบอก1อะลูมิเนียมอัลลอย
2กระบอก1อะลูมิเนียมอัลลอย
3กระบอก1อะลูมิเนียมอัลลอย
4ฝาครอบ (มาตรฐาน)1อะลูมิเนียมอัลลอย
5ฐานรองสปริงด้านใน1อะลูมิเนียมอัลลอย
6ฐานรองสปริงด้านนอก1อะลูมิเนียมอัลลอย
7สกรูอัดสปริง1สเตนเลสสตีล
8*โอริง1ยางไนไตรล์
9นอตฝาครอบ1สเตนเลสสตีล
10โอริง1ยางไนไตรล์
11โอริง1ยางไนไตรล์
12นอต1สเตนเลสสตีล
13สปริงด้านนอก2เหล็กอัลลอย
14สปริงด้านใน2เหล็กอัลลอย
15ลูกสูบ (มาตรฐาน)1อะลูมิเนียมอัลลอย
16บุช2เหล็กอัลลอย
17*บ่ารองลูกสูบ4เรซินอะซีทาล
18พิน2เหล็กอัลลอย
19ปลอกหมุน2เหล็กอัลลอย
20สก็อตช์โยก1เหล็กอัลลอย
21เพลา1สเตนเลสสตีล
22บุชรองรับ1เรซินอะซีทาล
23บ่ารองเพลา1เรซินอะซีทาล
24*โอริงฝาครอบ1ยางไนไตรล์
25*แบริ่ง (ปลายเพลาล่าง)1PTFE เติมคาร์บอน-กราไฟต์
26*แบริ่ง (ปลายเพลาบน)1PTFE เติมคาร์บอน-กราไฟต์
27*แหวนรองรับภายนอก1เรซินอะซีทาล
28แหวนรอง1สเตนเลสสตีล
29*โอริง3ยางไนไตรล์
30แหวนล็อก (Seeger)1สเตนเลสสตีล
31สกรู6สเตนเลสสตีล
32*ซีลเพลาล่าง1FKM
33*โอริงลูกสูบ2ยางไนไตรล์
34*ซีลเพลาบน1FKM
35*โอริง2ยางไนไตรล์
36*แบริ่ง (หัวลูกสูบ)
2PTFE เติมคาร์บอน-กราไฟต์
37นอต12สเตนเลสสตีล
38ลูกสูบ (ปรับปรุง)1อะลูมิเนียมอัลลอย
39*แบริ่ง (ล้อมือ)2โพลียูรีเทน 
40ฝาครอบ (ปรับปรุง)1อะลูมิเนียมอัลลอย
41น็อตเกลียวนำสำหรับควบคุม1เหล็กอัลลอย
42*ตัวชี้ตำแหน่ง1โพลีโพรพิลีน
43ล้อมือสำหรับควบคุม1เหล็กอัลลอย
44หน้าแปลน1อะลูมิเนียมอัลลอย
45*แบริ่งรับแรงธรรศนะ2เหล็กอัลลอย
46สกรู8สเตนเลสสตีล
47สกรู1สเตนเลสสตีล
48แหวนรอง1สเตนเลสสตีล
49ส้อมล็อกปิด1อะลูมิเนียมอัลลอย
50ฐานรองส้อม1อะลูมิเนียมอัลลอย
51ล้อล็อก1สเตนเลสสตีล
52ฝาครอบป้องกัน1อะลูมิเนียมอัลลอย
53สกรู3สเตนเลสสตีล
54*หมุดย้ำ1สเตนเลสสตีล
55ลิ่ม1สเตนเลสสตีล
56สกรู6เหล็กอัลลอย
57*โอริง1ยางไนไตรล์
58*โอริง1ยางไนไตรล์
59*โอริง1ยางไนไตรล์
60สกรู2สเตนเลสสตีล
61*ซีลบอนด์2เหล็กอัลลอย + ยางไนไตรล์
62*โอริง1ยางไนไตรล์
63*โอริง1ยางไนไตรล์
64*ปลั๊ก2PTFE
65นอต1สเตนเลสสตีล
66สกรูควบคุม1สเตนเลสสตีล
67ท่อปกป้องแบบถอดได้1อะลูมิเนียมอัลลอย
68พิน1สเตนเลสสตีล
69ฝาครอบสปริงพิเศษ1เหล็กอัลลอย
70*โอริง1ยางไนไตรล์
71*โอริง1ยางไนไตรล์
72สกรู1สเตนเลสสตีล
73สกรูนิรภัย1สเตนเลสสตีล
74ท่อปกป้อง1อะลูมิเนียมอัลลอย
* ชิ้นส่วนในชุดอะไหล่

แอคชูเอเตอร์นิวแมติกแบบทำงานเชิงเส้น พร้อมพวงมาลัยมือในตัว

กล่องลิมิตสวิตช์ (Limit Switch Box)

ระบบควบคุมมือด้วยพวงมาลัยมือ (Manual Override with Hand Wheel)

โซลินอยด์วาล์ว NAMUR (NAMUR Solenoid Valves)

โซลินอยด์วาล์ว (Solenoid Valves)

โพซิชันเนอร์อิเล็กโทรนิวแมติก (ชนิดนิรภัยโดยธรรมชาติ – Intrinsically Safe)

โพซิชันเนอร์นิวแมติก (Pneumatic Positioner)

ลิมิตสวิตช์แบบใกล้ชิด (Proximity Limit Switches)

ลิมิตสวิตช์อิเล็กโทรแมคคานิค (Electromechanical Limit Switches)

ลิมิตสวิตช์นิวแมติก (Pneumatic Limit Switches)

ลิมิตสวิตช์กันระเบิด II2GD ExdIIC (Explosion Proof Limit Switches)

 ใบรับรอง

 คำแนะนำ

 คู่มือ

เลือก ขนาด
เลือกมาตรฐานการค้นหา
ค้นหารายการ
ปิด X

กิจกรรมถัดไป

Asia Water 2026
Asia Water 2026
Kuala Lumpur, 7-9 April 2026