images/testate/Template-Header-Sito-OMALBALLVALVES.jpg

Pirinç küresel vana Item 153

Pirinç küresel vana Item 153

Pirinç küresel vana 3 yollu dişli küresel vana “L” bilyeli integral hatve

KONFİGÜRE İşlem
BİLGİ İSTEYİN
SAYFAYI YAZDIRIN
  • özellikleri
  • boyutlar
  • malzemeler
  • şemalar ve başlangıç momentleri
  • özellikler
  • belgeler

GENEL ÖZELLİKLER:
• Agresif olmayan akışkanlarla orta basınçta kullanım için üretilmiş olan vana, sadece yön değiştirici olarak çalışmaktadır. Merkezleme manşonuna bağlı olması gereken gidiş vanasının kapanmasına izin vermez, şemaya bakınız.
• Çalışma sıcaklığı: -20°C  + 120°C.arası
• Çalışma basıncı: PN 16 şemaya bakınız
• Tutulan sıvı: hava, su, gaz, yağlar, petrol ürünleri ve petrokimya ürünleri.
• ISO 7/1  and NPT standardına uygun vida dişli uçlar.
• ISO 5211'e göre aktüatör montaj flanşı.

İSTEĞE UYGUN ÖZEL UYGULAMALAR:

• Diğer uygulamalar için satış servisimize başvurunuz.

SERTİFİKALAR:

• 2014/68/UE “PED” Avrupa Direktifine uygun
• İsteğe göre 2014/34/UE direktifine uyumlu ATEX versiyonu

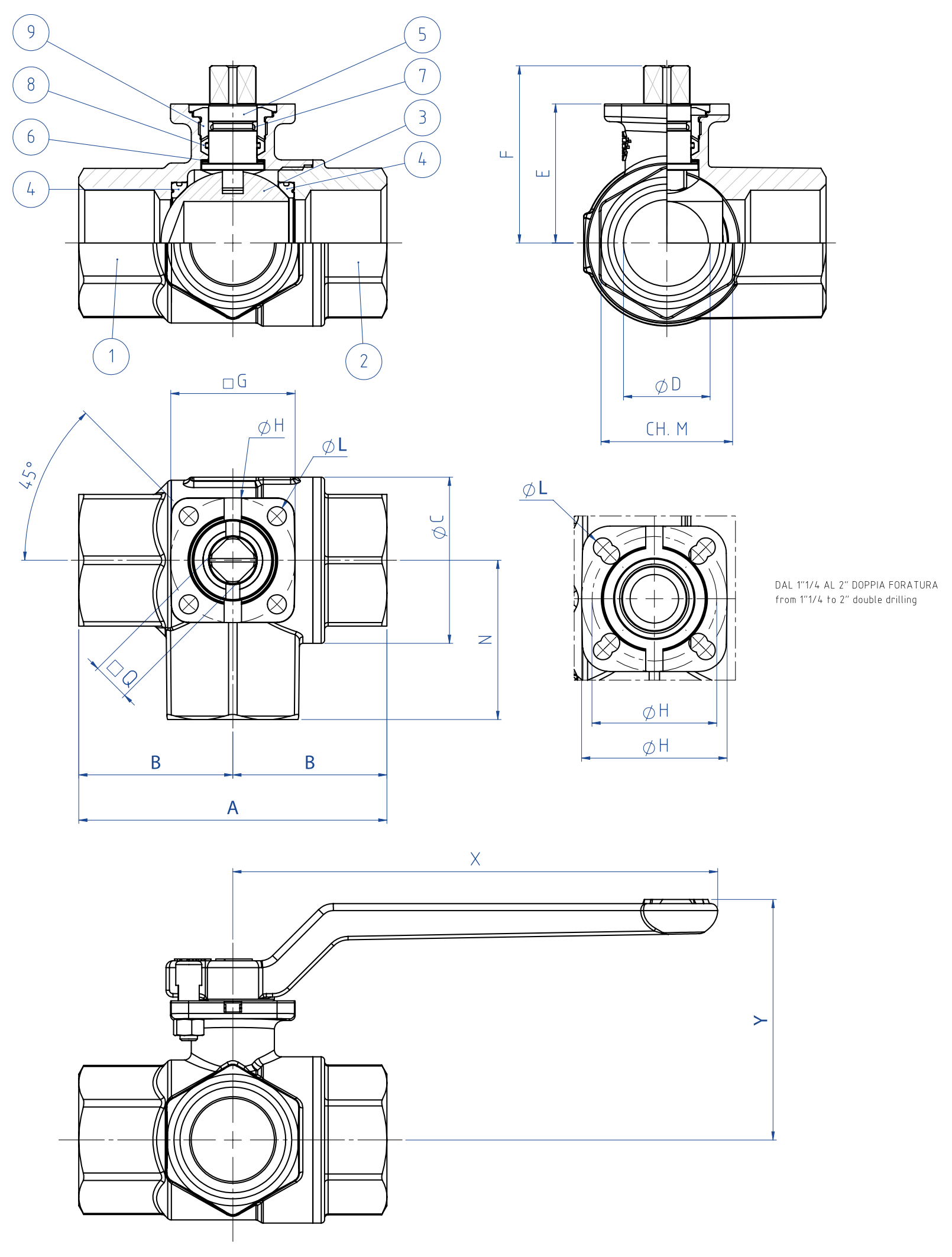
BOYUTLAR  
ÖLÇÜ 
øD
A
B
øc
N
□Q
E
F
□G
øH
ISO
øL
ch.M
X
Y
DN [mm]
[inç]
ISO 7/1
NPT
ISO 7/1
NPT
DN 10
3/8"
106962333131,833930,538,43636F035,52514058,5
DN 15
1/2"
156962333131,833930,538,43636F035,525140
58,5
DN 20
3/4"
207768383440381136,347,13636F035,531140
64,5
DN 25
1"
258979,54639,848461140,250,93636F035,538140
68,5
DN 32
1" 1/4
3210392544660541151,562,54236/42F03/F045,547140
80
DN 40
1" 1/2
40114102615170,6611158694236/42F03/F045,554140
86
DN 50
2"
50134116735886,5731165,376,34642/50F04/F055,5/6,566140
93,5

MALZEMELER    
1
Gövde*
Pirinç
EN 12165 CW617N
2
Dişi manşon*
Pirinç
EN 12165 CW617N
3
Küre
Sert krom kaplamalı pirinç
EN 12164 CW614N
4
Yan contalar
P.T.F.E.

5
Mil
Pirinç
EN 12164 CW614N
6
Sürtünme önleyici halkalar
P.T.F.E.

7
O-ringFKM
8
Mil contası
P.T.F.E.

9
Conta tutucu*
Pirinç
EN 12164 CW614N
* Dış yüzey işlemi: Parlak nikel kaplama

Basınç/sıcaklık şeması

Basınç debisi/düşüşü ve Kv nominal katsayısı

Kv değeri, 1 bar'lık basınç düşüşüne neden olan  m3/sa (15°C'de su ile) cinsinden akış hızıdır.

Nm cinsinden BAŞLANGIÇ MOMENTLERİ  
ÖLÇÜ 
DN 10
3/8"
DN 15
1/2"
DN 20
3/4"
DN 25
1"
DN 32 1"1/4
DN 40 1"1/2
DN 50
2"
PN 16 bar
4
4581116
23



moment değerleri, sıcaklığa ve akışkanın türüne bağlı olarak değişebilir.. ‘1.4’e eşdeğer  olan bir emniyet faktörünü dikkate alınız.

Sık açılma ve kapanma döngülerinde hareket momenti başlangıçtakine nazaran önemli ölçüde azalmaktadır. İlerleyen sayfalarda gösterilen aktüatör/vana bağlantıları, sıvı veya gaz akışkanları kesen, temiz ve orta sıcaklıklardaki vanalar için yapılmıştır. Daha fazla bilgi veya farklı kullanımlar için satış servisimize danışınız.

"L” bilye şeması

NOT:
NORMAL OLARAK SR aktüatörü KAPALI iken bilyenin bekleme pozisyonu "A" olmalıdır.
NORMAL OLARAK SR aktüatörü AÇIK iken bilyenin bekleme pozisyonu "B" olmalıdır.

Üstten görünüş

KONFİGÜRE SÜRÜCÜ
Arama parametrelerini seçin
MAKALE ARAYIN
X KAPAT

GELECEK ETKİNLİK

Asia Water 2026
Asia Water 2026
Kuala Lumpur, 7-9 April 2026