images/testate/G9c8XY_Template-Header-Sito-OMALAngleseatARESOK.jpg

ARES pnömatik vana flanşlı

  • özellikleri
  • boyutlar
  • özellikler
  • aksesuarlar
  • belgeler

GENEL KARAKTERİSTİKLER:
Vana gövdesi malzemesi: A351-CF3M (316L S.S.).
Vana bağlantıları: Kodlama şemasına bakınız
Herhangi bir pozisyonda montaj: Yatay, dikey, eğik
Çift etkili versiyonlarda DN 15 ile DN 50 arasında mevcut olan aralık; tek etkili: normalde kapalı,
normalde kapalı darbe önleyici ve normalde açık.
Performanslar ve basınç diyagramları standart versiyonlarla aynıdır ancak PN16 ile sınırlıdır.
İsteğe göre: vakum ve oksijen kullanımı amaçlı versiyonlar.
ATEX 2014/34/UE direktifi sipariş esnasında istenecektir.

KONTROL SIVISI:
Pilotaj sıvısı: yağlı veya kuru basınçlı hava, gazlar ve nötr sıvılar;
Ortam sıcaklığı: -10°C a +60° C

DURDURULAN SIVI:
Hava, su, alkol, yağlar, yakıtlar, tuz çözeltileri, buhar vb. (CF3M (316L S.S.) ve PTFE ile uyumlu)
Seçilen boyuta ve versiyona bağlı olarak 0-16/25 bar arası çalışma basıncı (180°C'deki buhar 0-10 bar arası) sonraki sayfalara bakınız.
Sıcaklık  -10°C ila +180°C arasındadır.
Maksimum viskosite 600 cst (mm2/s).

Flanşlı UNI EN1092-1

FLANŞLI VANA ANSI 150RF ÖLÇÜ.ASME B16.10 A1
DN [mm]
H
L
øN
øP
øQ
øR
F
15
11,39,735,1
89,0
60,5
16,0
108,0
20
12,811,2
42,9
99,0
69,816,0
117,0
25
15,0
13,4
50,8
108,0
79,2
16,0
127,0
32
15,814,2
63,5
117,0
88,9
16,0
140,0
40
18,0
16,4
73,0
127,0
98,616,0
165,0
50
19,1
17,5
91,9
152,0
120,619,0
178,0
  
DÜŞÜK FLANŞLI VANA
DN [mm]
H
øP
øQ
øR
F
15
7,0
70,0
50,0
7,0
104,5
20
8,0
75,0
55,0
9,0
119,5
25
9,0
80,0
60,0
9,0
134,5
32
9,0
90,0
70,0
9,0
149,5
40
10,0
100,0
80,0
9,0
164,5
50
10,0
110,0
90,0
11,0
179,5

İsteğe bağlı versiyonlar:
flanşlı ASME 150 RF;
düşük flanşlı

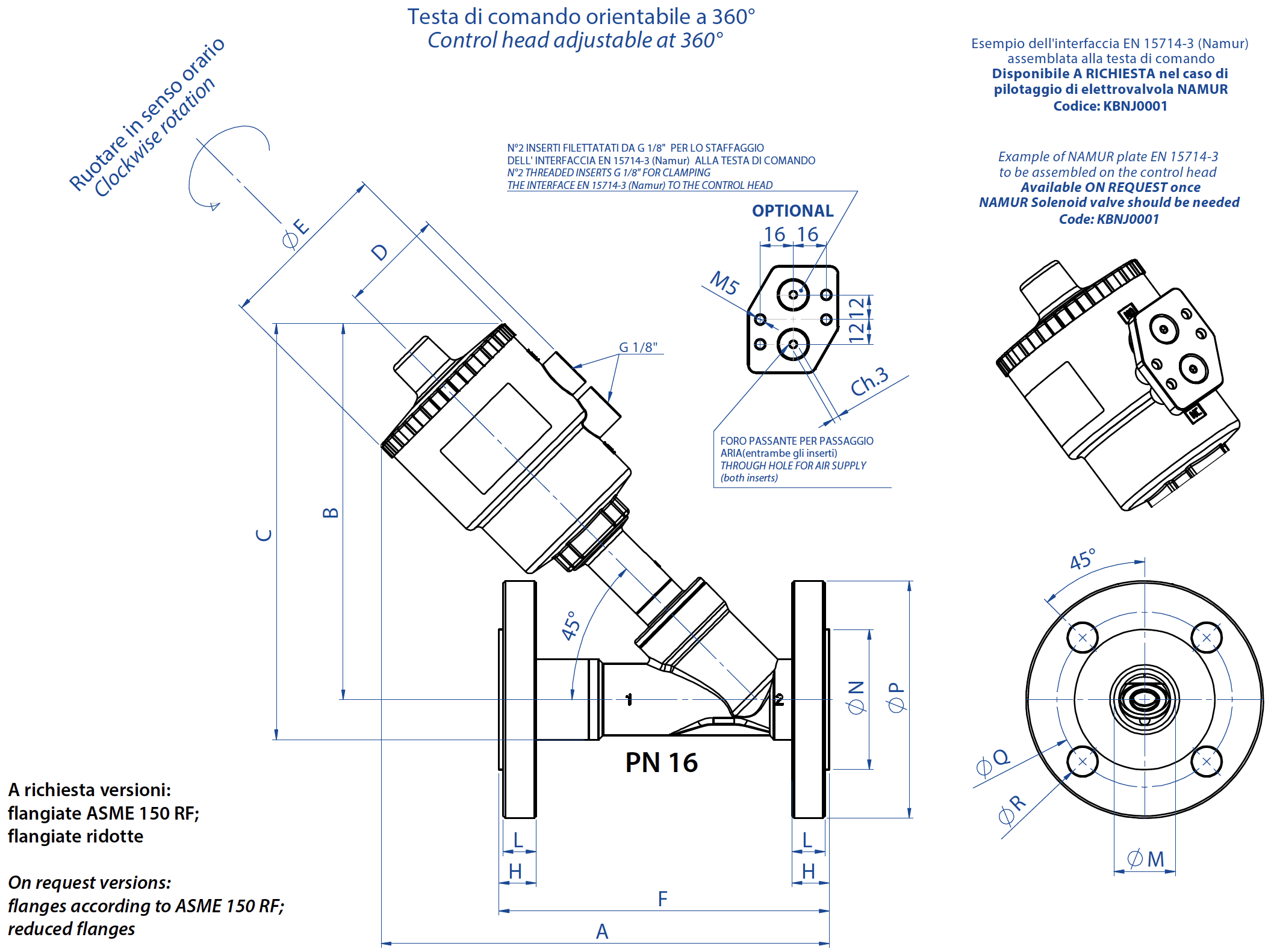
BOYUTLAR
DN [mm]Kontrol kafası
Control head
ABCDøEFHLøMøNøPøQøR
15ø 50182,5156203,54470130161418,145956514
20ø 50192,3160212,54470150181623,7581057514
20ø 63210,3178230,550,584,4150181623,7581057514
25ø 50197,36164221,54470160181629,7681158514
25ø 63216,36182239,550,584,4160181629,7681158514
25ø 90256,36222279,566,2116,4160181629,7681158514
32ø 50202,51682384470180181638,47814010018
32ø 63220,518625650,584,4180181638,47814010018
32ø 90260,522629666,2116,4180181638,47814010018
32ø 110296,526133177,4140,6180181638,47814010018
40ø 63228,619026550,584,4200181544,38815011018
40ø 90268,623030566,2116,4200181544,38815011018
40ø 110304,226634177,4140,6200181544,38815011018
50ø 63241,87200282,550,584,4230181555,710216512518
50ø 90281,87240322,566,2116,4230181555,710216512518
50ø 110317,87276358,577,4140,6230181555,710216512518
Önerilen uygulamalar koyu renkle yazılmıştır. İsteğe göre diğer kombinasyonlar.

KULLANIM METODU

Limit anahtarı kapağı

Şeffaf plastik malzemeden yapılmış özel kapak, manyetik kontaklı limit anahtarlarını hızlı bir şekilde sabitlemek ve ayarlamak için iki oluğa sahiptir. Limit anahtarları, limit anahtarı enerjilendirildiğinde görünür bir dahili LED ile donatılmıştır. REED tipi ve HALL etkili limit anahtarları, serbest bağlantılı veya önceden kablolanmış M12 olarak mevcuttur. Kapak IP68 koruma derecesine sahiptir. Dikkat: Limit anahtarının muhafazasına doğru şekilde sabitlenmesini sağlamak için, vana tamamen açıkken görsel gösterge kapağın ucuna ulaşmamalıdır. Sınır anahtarları, vana sisteme monte edildikten sonra ayarlanmalıdır.

Kit kodu
Başlık boyutu
 A mm
 B mm
KFJM16
∅ 503077
KFJM18
∅ 632687
KFJM21
∅ 901597
KFJM23
∅ 1108107

Kit, limit anahtarları içermez.

Kurs boyu sınırlayıcı
Vana kurs boyu açılışını sınırlayarak akış hızını ayarlamanıza olanak sağlar. Tüm versiyonlar için mevcuttur. Normalde açık tek etkili versiyonlarında acil durum manüel kontrol olarak da kullanılabilir.

Kontrol A mm
Kod
∅ 50 25,5
KLJL0016
∅ 63 21,5
KLJL0018
∅ 90 5,2
KLJL0021
∅ 1105,9
KLJL0023

∅ 40 kafa ile mevcut değildir.

Manüel acil durum kontrol
Vananın acil bir durumda açılmasını sağlar (pilotaj sıvısı eksikliği, sistem arızası, pilot sinyali arızası vb.). Normalde kapalı versiyonlardaki tüm vanalar için mevcuttur.

Kontrol 
mm
Kod
∅ 50
35,8
KLJA0016
∅ 63
35,8
KLJA0018
∅ 90
29,5
KLJA0021
∅ 110
29,5
KLJA0023

∅ 40 kafa ile mevcut değildir

Elektro pilot 3/2 - Solenoit vana 3/2 - 5/2

Solenoit kontrol vanası
Doğrudan montaj için 3/2 elektro pilot.
360° ayarlanabilen gövde ve bobin
Standart manüel kontrol.
İlgili tabanın (her ikisi de birlikte verilir) monte edilerek gerçekleştirilen 5/2 ve 3/2 fonksiyonu arasında seçim için düzenlenmiş solenoid valf (NAMUR).
Ortam sıcaklığı -10° C ile +50°C arası

Gerilim

24 Vac

115 Vac

230 Vac

24 Vdc

Elektro pilot

EP415024

EP415110

EP415220

EP412024


Gerilim

24 Vac

115 Vac

230 Vac

24 Vdc

NAMUR Solenoit vana*

ER8188A2

ER8188A4

ER8188A5

ER8188C2

NAMUR arayüzü

KBNJ0001 Not available with ∅ 40 head


* Sadece NAMUR arayüzü ile kullanılacaktır.

Sinyal kutusu
İki mekanik veya endüktif limit anahtarlı açık veya kapalı konum kontrolü için sinyal kutusu, tüm aktüatörlü Ø50 - Ø90 - Ø110 vana serisine monte etmeye uygundur..
İsteğe göre, solenoit vana ve görsel göstergeleri ledler üzerinden bağlamak için terminaller mevcuttur.
Koruma derecesi IP 65
Ortam sıcaklığı -20°C ile +70°C arası
Kablo girişi n°1 PG11
Şeffaf polimetakrilat kapaklı poliamid kaplama malzemesi.

Kontrol
A
mm

∅ 50  
52,1
∅ 63
47,5
∅ 90
37,7
∅ 110
29,5

MEVCUT LİMİT SVİÇ TÜRLERİ

NAMUR EExia Endüktif limit anahtarları
Anma gerilimi: 8 Vdc
Tüketim: çalışma ≤1 mA; açığa çıkan ≥3 mA
Çalışma sıcaklığı: -20° C ile +70 C arasında

KonfigürasyonKOD 
1 limit anahtarı: açık vana pozisyonunda üstte
KSIN9A0xx
1 limit anahtarı: kapalı vana pozisyonunda altta
KSIN9C0xx
2 limit anahtarı:  açık ve kapalı vana
KSIN920xx

Yakınlık limit anahtarları
Anma gerilimi: 10÷30 Vdc
Tüketim: 15 mA;
Çalışma sıcaklığı: -20° C ile +70° C arasında

KONFİGÜRASYONKOD
1 limit anahtarı: açık vana pozisyonunda üstteKSI09A0xx
1 limit anahtarı: kapalı vana pozisyonunda alttaKSI09C0xx
2 limit anahtarı:  açık ve kapalı vana
KSI0920xx

Mekanik limit anahtarları
Üst limit anahtarı: vana açık
Alt limit anahtarı: vana kapalı
Maks. yük: 5A 250 Vac; 1A 250 Vdc

KonfigürasyonKod
2 limit anahtarı
KSM0C20xx

xx = Ø kontrol kafası
16 = Ø50
18 = Ø63
21 = Ø90
23 = Ø110

 SERTIFIKALAR

 TALİMATLAR

KONFİGÜRE SÜRÜCÜ
Arama parametrelerini seçin
MAKALE ARAYIN
X KAPAT

GELECEK ETKİNLİK

IVS - Industrial Valve Summit 2026
IVS - Industrial Valve Summit 2026
Bergamo, Italy, 19 - 21 may 2026