images/testate/Template-Header-Sito-OMALBALLVALVES.jpg

Valvola a sfera MAGNUM Split Wafer PN 63-100 ANSI 600 acciaio al carbonio

Valvola a sfera MAGNUM Split Wafer PN 63-100 ANSI 600 acciaio al carbonio
Categoria MAGNUM
Sottocategoria MAGNUM Split Wafer

Famiglia MAGNUM Split Wafer PN 63-100 ANSI 600

CONFIGURA Azionamento
RICHIEDI INFORMAZIONI
STAMPA PAGINA
DECODIFICA CODICE
  • benefits
  • caratteristiche
  • dimensioni
  • materiali
  • diagrammi e coppie di spunto
  • accessori
  • documenti

1. Antistatic device (continuità elettrica tra sfera, stelo e corpo)
Si evitano cariche elettrostatiche che potrebbero essere causa d'innesco in ambienti infiammabili e/o esplosivi
Sicurezza garantita del contatto durante tutta la vita della valvola

2. Doppio anello antifrizione
Garantisce una minor coppia di azionamento della valvola
Minor usura rispetto all'esecuzione con singolo anello

3. Pacco guarnizioni a "v" con 3 guarnizioni più o-ring
Si garantisce una perfetta tenuta anche dopo un numero elevato di cicli

4. Molle a tazza sulla tenuta dello stelo
Garantiscono il recupero dei giochi dovuti all'usura causata dal movimento semirotatorio dell'albero evitando perdite vero l'esterno
Consentono di mantenere energizzate le guarnizoini tipo "chevron" (a V),evitando perdite verso l'esterno, a fronte di notevoli escursioni termiche

5. Tenuta elasticizzata in grafite
Garantisce una tenuta verso l'esterno indipendentemente dalle escursioni termiche a cui è sottoposta la valvola

Maggiore precisione nell'allineamento degli assi grazie alla lavorazione dal grezzo al finito con un unico posizionamento
Maggior vita della valvola stessa
Minor coppia di azionamento

Corpo valvola in acciaio al carbonio realizzato con materiale normalizzato certificato NACE in esecuzione standard
Garantisce una maggior resistenza alla corrosione
Maggior duttilità del materiale

Processo produttivo interamente eseguito in OMAL
Massimo controllo in tutte le fasi di lavorazione
Possibilità di fornire rapidamente esecuzioni speciali richieste dal cliente

Certificato "Fire Safe"
Garantisce la tenuta della valvola anche in caso di incendio

Certificato ATEX
Ne consente l'installazione in presenza di ambiente potenzialmente esplosivo

Certificazione "TA LUFT fugitive emission"
Garantisce un elevato grado di sicurezza della tenuta stelo verso l'esterno

Certificato PED
Piena conformità alle norme di sicurezza europee per i dispositivi in pressione

Certificato fino a SIL 3
Elevato livello di sicurezza funzionale

ESECUZIONE STANDARD
• Sfera flottantecontenuta, passaggio totale
• Tenuta soft-seat: DEVLON
• Norme per flange d’attacco EN 1092-1; ASME B16.5
• Temperature di utilizzo vedi diagramma pressione temperatura
• Classe di pressione: PN 63-100; ANSI 600
• Classe di tenuta: EN12266-1 rate A
• Fluido intercettato: prodotti petroliferi, fluidi autolubrificanti (liquidi e gassosi), purchè compatibili con i materiali costruttivi. Per fluidi non-autolubrificanti (acqua,…) o altre applicazioni rivolgersi all'ufficio commerciale.
• Antistatic device EN12266-2
• Tenuta stelo: pacco a V di serie in PTFE Modificato
• Tenuta addizionale su stelo con O-ring FKM
• Stelo anti Blow-out
• Foratura piano per attuatore a norma ISO 5211
• Angolo di chiusura >7°
• Trattamento superficiale brunitura

ESECUZIONI A RICHIESTA

• Esecuzione per temperatura -40 C° in LF2
• Per altri tipi di flangiature contattare il nostro ufficio commerciale.
• Guarnizioni di tenuta in:PTFE caricato vetro (PTFE-GF), PTFE caricato carbografite (PTFE-CF). Per altri tipi di materiale contattare il nostro ufficio commerciale
• Esecuzione monodirezionale con foro di compensazione della pressione nella sfera
• Leva inox
• Dadi e molle stelo inox
• Per esecuzioni con materiali (corpo/sfera/stelo) diversi dallo standard contattare il nostro ufficio commerciale
• Trattamento superficiale: zincatura bianca, verniciatura epossidica, (per altri trattamenti contattare il nostro ufficio commerciale).
• Marcatura e certificato ATEX A RICHIESTA

CERTIFICAZIONI
• Conforme alla direttiva Europea 2014/68/UE PED; Fugitive Emission ISO 15848 (ISO FE BH-C03-SSA 0); TA-LUFT VDI 2440; FIRE SAFE: ISO 10497 Third ed. 2010 / API 607 Sixth ed. 2010
• Livello di sicurezza funzionale fino a SIL 3 in accordo a IEC 61508
• Conforme alla direttiva ATEX 2014/34/UE, certificato ATEX A RICHIESTA

NORME DI PROGETTAZIONE
• Spessori corpo in accordo a: ASME B16.34, ASME VIII div.1, EN 12516.
• Materiali e rating in accordo ad ASME B16.34 per valvole ANSI ed EN 12516 per valvole PN

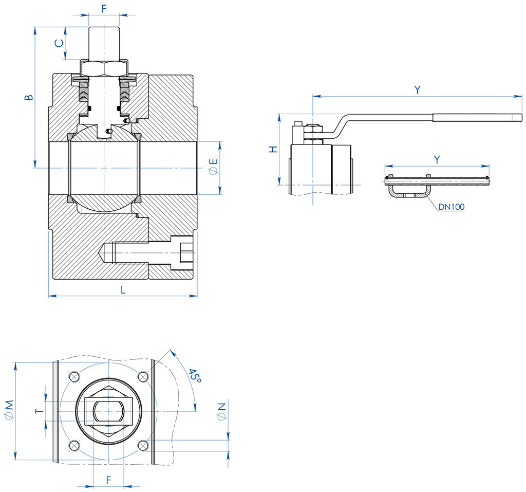
DIMENSIONI   
MISURA  
E
L
B
C
ATT.ISO
M
N
F/T
H
Y
KIT LEVA
DN [mm]
[inch]
DN 15
1/2"
13
68
54,5
95
F04
42
M5
12/8
80
150
KLV58006
DN 20
3/4"
19
72
57,5
95
F04
42
M5
12/8
83
150
KLV58006
DN 25
1"
25
87
71,5
14,6
F05
50
M6
16/10
95
275
KLV58008
DN 32
1" 1/4
32
92
76,5
14,6
F05
50
M6
16/10
100
275
KLV58008
DN 40
1" 1/2
38
107
98,5
20,4
F07
70
M8
22/14
120
350
KLV58010
DN 50
2"
51
115
107,5
20,4
F07
70
M8
22/14
129
350
KLV58010
DN 65
2" 1/2
64
140
144
25,1
F10
102
M10
30/18
180
450
KLV58012
DN 80
3"
76
150
151,5
25,1
F10
102
M10
30/18
188
450
KLV58012
DN 100
4"
102
190
196,5
40,5
F14
140
M16
45/30
233
800
KLV58014

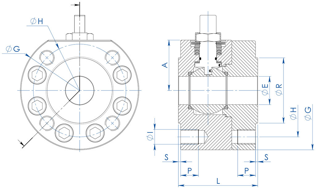
DIMENSIONI -PN-
MISURA
PN
A
G
R
S
H
N°FORI
I
P
Kg
L
KIT GUARNIZIONI
DN [mm]
[inch]
DN 15
1/2"
PN 63-100
40
95
45
2
75
4
M12
16
4,2
68
KGBV472040
DN 20
3/4"
PN 63-100
45
115
58
2
90
4
M16
20
6,7
72
KGBV472050
DN 25
1"
PN 63-100
50
125
68
2
100
4
M16
20
6,9
87
KGBV472060
DN 32
1" 1/4
PN 63-100
55
145
78
2
110
4
M20
24
9,3
92
KGBV472070
DN 40
1" 1/2
PN 63-100
68
160
88
3
125
4
M20
24
13,5
107
KGBV472080
DN 50
2"
PN 63
79
170
102
3
135
4
M20
24
16,5
115
KGBV472090
DN 50
2"
PN 100
79
185
102
3
145
4
M24
28
19,5
115
KGBV472090
DN 65
2" 1/2
PN 63
94
208
122
3
160
8
M20
25
29,5
140
KGBV472100
DN 65
2" 1/2
PN 100
101
220
122
3
170
8
M24
30
33,2
140
KGBV472100
DN 80
3"
PN 63
101,5
220
138
3
170
8
M20
25
34,9
150
KGBV472110
DN 80
3"
PN 100
108,5
235
138
3
180
8
M24
30
40,3
150
KGBV472110
DN 100
4"
PN 63
123
275
162
3
200
8
M24
30
67,5
190
KGBV472120
DN 100
4"
PN 100
123
275
162
3
210
8
M27
32
67,2
190
KGBV472120

DIMENSIONI  -ANSI-
MISURA  
ANSI
A
G
R
S
H
N°FORI
I
P
Kg
L
KIT GUARNIZIONI
DN [mm]
[inch]
DN 15
1/2"
ANSI 600
40
95
35,16,4
66,5
4
1/2”UNC
16
4,1
68
KGBV472040
DN 20
3/4"
ANSI 600
45
115
42,9
6,4
82,6
4
5/8”UNC
20
4,4
72
KGBV472050
DN 25
1"
ANSI 600
50
125
50,8
6,4
88,9
4
5/8”UNC
20
6,3
87
KGBV472060
DN 32
1" 1/4
ANSI 600
55
135
63,5
6,4
98,6
4
5/8”UNC
20
7,6
92
KGBV472070
DN 40
1" 1/2
ANSI 600
68
155
73
6,4
114,3
4
3/4”UNC
24
11,2
107
KGBV472080
DN 50
2"
ANSI 600
79
170
91,96,4
127
8
5/8”UNC
20
15,5
115
KGBV472090
DN 65
2" 1/2
ANSI 600
94
208
104,6
6,4
149,4
8
3/4”UNC
25
28,3
140
KGBV472100
DN 80
3"
ANSI 600
101,5
220
127
6,4
168,1
8
3/4”UNC
25
33,8
150
KGBV472110
DN 100
4"
ANSI 600
126
279
157,2
6,4
215,9
8
7/8”UNC
30
68,2
190
KGBV472120

MATERIALI   
SPLIT WAFER PN63-100 ANSI 600 acciaio carbonio 

Descrizione 
A105 Carbon steel
A350 LF2 Carbon steel
1
Corpo  
ASTM A105
ASTM A350 LF2
2
Ghiera
3
Sfera
ASTM A351 CF8(*) (1.4308/Gx5CrNi19-10) (**)
4
Stelo
A564 TP.630 (17-4PH)
5*
Seggio
DEVLON (.)
6*
Guarnizione corpo ghiera
GRAFOIL
7*
Tenuta inferiore stelo
PTFE Modificato (.) •
8*
Pacco a V  
PTFE Modificato (.)
9*
O-ring stelo  
FKM (.)
10
Anello premiguarnizione  
Acciaio al carbonio zincato (x) (1)
11
Piastra blocca dado  
304 S.S.
12
Dado stelo  
Acciaio al carbonio zincato (x) (x)
13
Molle a tazza
Acciaio al carbonio zincato (x) (xx)
14
Dispositivo antistatico  
316 S.S.
19
Vite corpo-ghiera  
A2.70 (304 S.S:)
15
Controdado  
Acciaio al carbonio zincato (x)
16
Vite di fermo
A2-70 (304 S.S.)
17
Fermo di posizione  
Acciaio al carbonio zincato (x)
18
Leva  
Fe37 zincato (x)
* Componenti del kit di guarnizioni

A richiesta disponibile in:
(*): A351 CF8M
(**): per ≤DN32 disponibile solo in CF8M
(x): 304 s.s.
(xx): 301 s.s.
• : per ≤DN32 disponibile solo in DEVLON
(1): Per DN100 disponibile solo in 304
(.): Altri materiali disponibili a richiesta

Diagramma pressione/temperatura per valvole con corpo in acciaio carbonio

Diagramma pressione/temperatura per valvole con corpo in acciaio inox

Diagramma portata/perdita di carico e coefficiente nominale Kv

Il valore Kv è il valore di portata in m3/h (con acqua a 15°C) che provoca la caduta di pressione di 1 bar.

Il dimensionamento degli attuatori pneumatici è stato fatto considerando una pressione minima di alimentazione pari a 5,6 barg.

PROLUNGA GUIDATA DA FUSIONE A LEVA

MATERIALI    
PART. N°
DESCRIZIONE
MATERIALE
1
Prolunga  
AISI304 S.S.
2
Perno
AISI 430 F
3
Bussola
DELRIN
4
O-RING  
NBR
5
Leva  
Fe 37 galvanized (*)
6
Dado  
galvanized carbon steel (*)
7
Fermo leva  
galvanized carbon steel (*)
8
Vite fermo leva  
A2-70
9
Distanziale
PTFE Carbon Filled

(*): A richiesta disponibili in 304 S.S.

DIMENSIONI   
ISO VALVOLA
ØA
ØB
ØM
ØN
F/T
X
Y
F03
36
5,5365,5
10/638,5141,5
F04
425,542M512/845,5151,5
F05
506,5506,516/1048,5276,5
F07
708,5708,522/1457,5351,5
F10
102111021130/1879,5451,5

NOTA: Il codice della prolunga dipende dal tipo di azionamento e dall’attacco valvola; richiedere in fase d’ordine.

PROLUNGA GUIDATA DA FUSIONE PER ATTUATORE

MATERIALI    
PART. N°
DESCRIZIONE
MATERIALE
1
Prolunga
ASTM A351 CF8M
2
Perno  
AISI 430 F
3
Bussola  
DELRIN
4
O-RING  
NBR

NOTA: Il codice della prolunga dipende dal tipo di azionamento e dall’attacco valvola; richiedere in fase d’ordine

PROLUNGA GUIDATA SALDATA A LEVA

MATERIALI    
PART. N°
DESCRIZIONE
MATERIALE
1
Prolunga  
304 s.s.
2
Perno
AISI 430 F
3
Bussola
DELRIN
4
O-Ring
NBR
5
Leva
Fe 37 galvanized (*)
6
Dado
galvanized carbon steel  (*)
7
Fermo leva
galvanized carbon steel  (*)
8
Vite fermo leva
A2-70
9
Dado fermo leva
A2-70 (**)
10
Distanziale
PTFE Carbon Filled


(*): a richiesta disponibili in 304 S.S.

(**): non presente su valvole con attacco iso F04.

DIMENSIONI   
ISO VALVOLA
ØA
ØB
ØM
ØN
F/T
X
Y
F03
36
5,5365,510/638,5141,5
F04
425,542M512/845,5151,5
F05
506,5506,516/1048,5276,5
F07
70970922/1457,5351,5
F10
102111021130/1879,5451,5


NOTA: Il codice della prolunga dipende dal tipo di azionamento e dall’attacco valvola; richiedere in fase d’ordine.

PROLUNGA GUIDATA SALDATA PER ATTUATORE

MATERIALI    
PART. N°
DESCRIZIONE
MATERIALE
1
Prolunga
304 S.S.
2
Perno  
AISI 430 F
3
Bussola  
DELRIN
4
O-RING  
NBR


NOTA: Il codice della prolunga dipende dal tipo di azionamento e dall’attacco valvola; richiedere in fase d’ordine

PROLUNGA CON TENUTA AGGIUNTIVA

MATERIALI    
PART. N°
DESCRIZIONE
MATERIALE
1
Prolunga  
304 s.s.
2
Perno
A564 TP.630 (17-4ph)
3
Anello Antifrizione  
TFM1600
4
O-Ring
FKM
5
Pacco A V  
TFM1600
6
Anello Premiguarnizione  
304 s.s.
7
Molle A Tazza  
50CrV4 Zincato
8
Dado Stelo
UNI 3740-1 6S Zincato
9
Piastra Blocca Dado  
304 s.s.
10
Guarnizione di tenuta
GRAFOIL

DIMENSIONI
ISO VALVOLA
ØA
ØB
ØM
ØN
F/T
CD
F03
36
5,5
36M510/6
2010,2
F04
42
5,5
42M512/8
2615,1
F05
50
6,550M616/10
3521,2
F07
70
8,570M822/14
47,528,4
F10
102
10,5102M1030/18
6135,2

NOTA: Il codice della prolunga dipende dal tipo di azionamento e dall’attacco valvola; richiedere in fase d’ordine.

CONFIGURA AZIONAMENTO
Seleziona i parametri di ricerca
CERCA ARTICOLO
X CHIUDI

PROSSIMO EVENTO

IVS - Industrial Valve Summit 2026
IVS - Industrial Valve Summit 2026
Bergamo, Italia, 19 - 21 maggio 2026