images/testate/TYwrds_Template-Header-Sito-OMAL2560x768-AGO-ok.jpg

AGO HANDWHEEL - DA com comando manual integrado

  • benefícios
  • características
  • dimensões
  • materiais
  • especificações
  • acessórios
  • documentos

1. Faixas de vedação e deslizamento energizadas autolubrificantes
Menor atrito entre o pistão e o cilindro  
É evitada a colagem da guarnição ao cilindro mesmo após longos períodos de inatividade

2. Ranhura, buchas e cavilhas com aço com dureza superior a 50 HRC
Maior resistência a forças presentes dentro do atuador

3. Atrito de rolamento entre a ranhura e o pistão 
Menor atrito

4. Scotch yoke com atrito de rolamento (transformação do movimento linear em movimento rotativo através de pistão e eixo sem engrenagens)
Menor atrito entre o pistão e o eixo, resultando em menor desgaste das peças  
Momento de rotação aprimorado na fase de abertura e fechamento  
Menor volume ocupado em relação aos atuadores de pinhão e cremalheira, com consequente menor espaço necessário
Menor peso em relação aos atuadores de pinhão e cremalheira (-30% Kg/Nm) com consequentes economias na construção da estrutura da planta
Menor consumo de ar comparado aos atuadores de pinhão e cremalheira (-40% de ar cm³/Nm efeito duplo e -20% de ar cm³/Nm efeito simples) com consequente menor carga de trabalho do compressor ou possibilidade de usar um compressor com dimensões reduzidas

5. Cilindro laminado

Menor desgaste nas faixas energizadas devido à baixa rugosidade da superfície

6. Stainless Steel shaft
Higher corrosion resistance

Interface para eletroválvulas NAMUR integradas pelo DAN15  
Não requer nenhuma base adicional

Processo de produção realizado inteiramente na OMAL
Controle máximo em todas as fases de processamento  

Certificado ATEX  
Permite instalação na presença de ambiente potencialmente explosivo  

Certificados até SIL 3
Alto nível de segurança funcional garantido

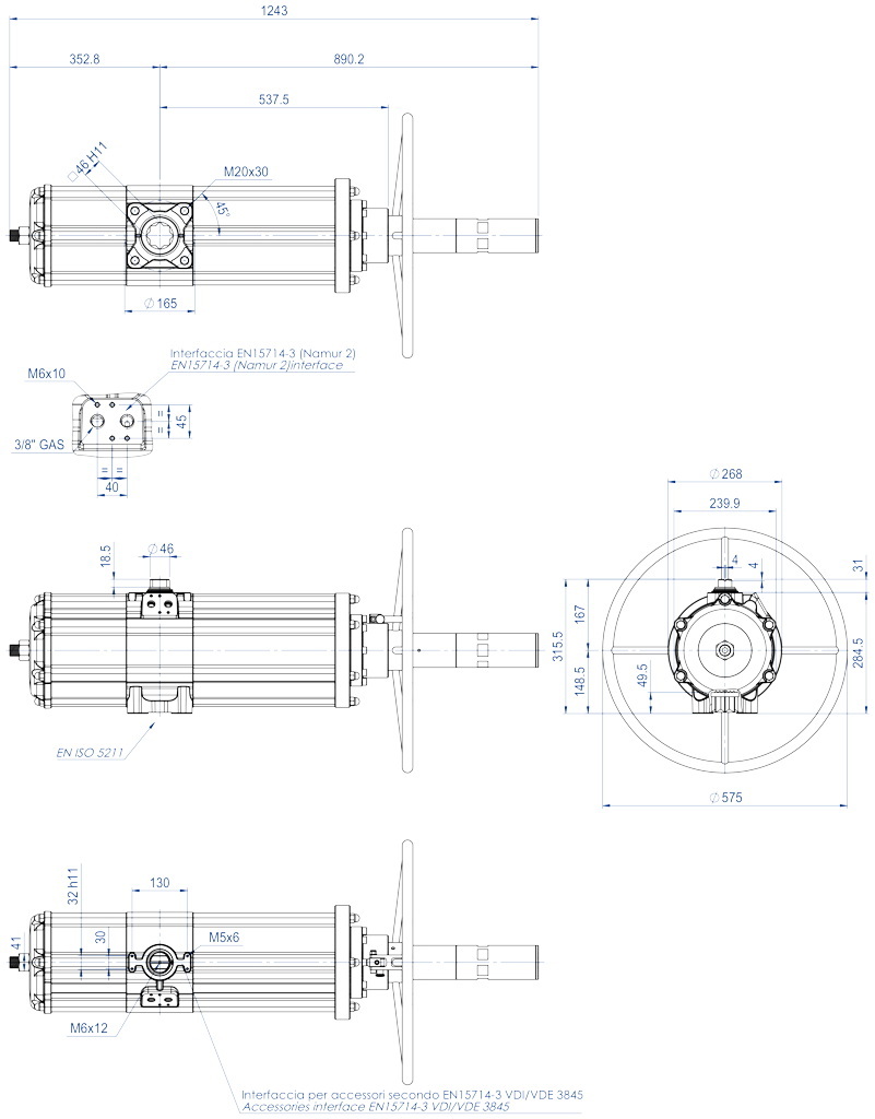
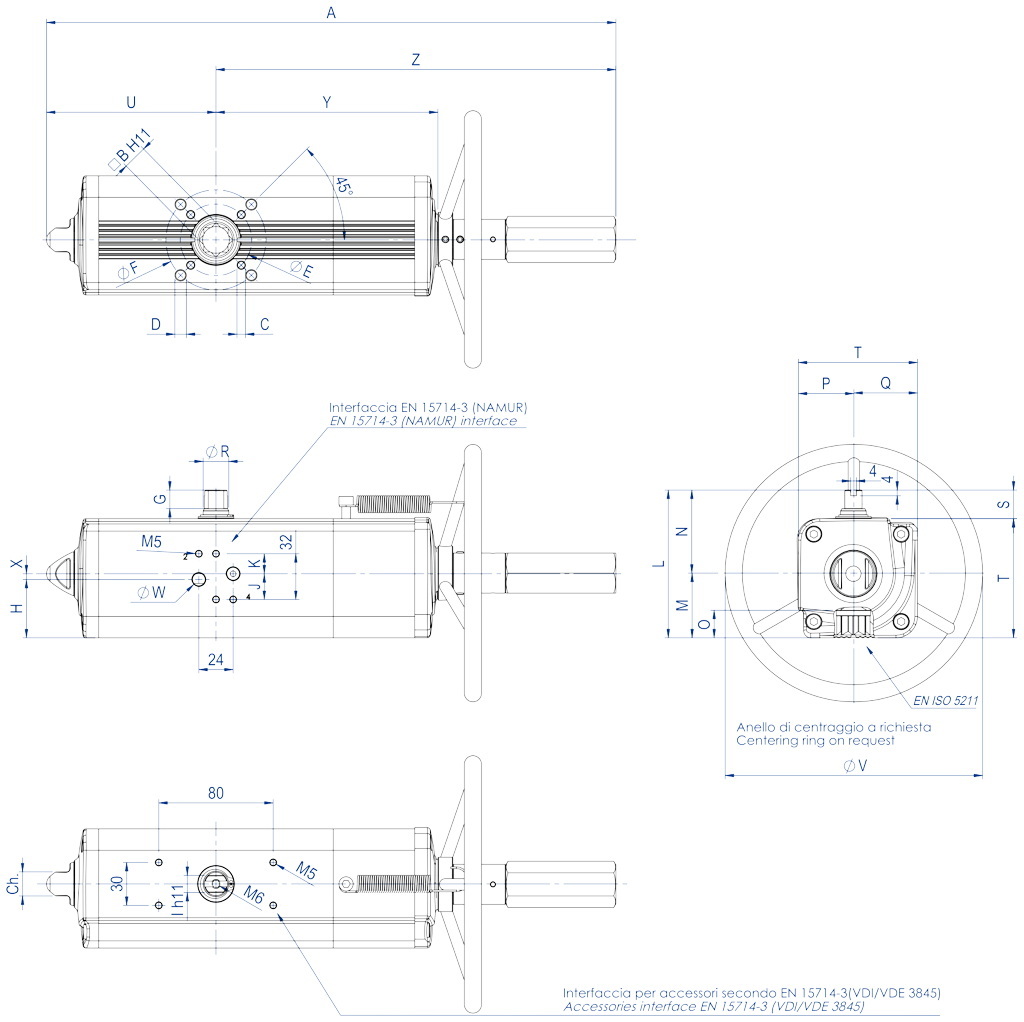
DADOS TÉCNICOS
Torque de 60 Nm a 3840 Nm.
Flange de conexão: EN ISO 5211
F05 - F07 - F10 - F12 - F14 - F16.
Em conformidade com a EN 15714-3
Ângulo de rotação: 92° (-1°, +91°)
Momento de rotação: Diretamente proporcional à pressão de alimentação; ver a tabela.
Em cada atuador, o número que segue a sigla DANV corresponde ao valor do torque de partida em Nm. à pressão de 5,6 bar.
Versão ATEX em conformidade com a diretiva 2014/34/UE. Para a versão ATEX, adicionar YX no final do código.

CONDIÇÕES DE OPERAÇÃO

Temperatura: de -20°C a +80°C. (Versões especiais: alta temperatura: -20°C + 150°C; baixa temperatura: -50°C + 60°C)
Pressão nominal: 5,6 bar; máxima de operação 8,4 bar.
Líquido de alimentação: ar comprimido filtrado seco não necessariamente lubrificado.
Em caso de lubrificação, usar óleo não detergente, compatível com NBR.

Se necessário, o atuador pneumático a um quarto de volta de nossa produção pode ser equipado com um acionamento manual.
O dispositivo pode ser integrado na versão Efeito Duplo e na versão Efeito Simples.
Para o bom fuincionamento do sistema e para a integridade mecânica do dispositivo, é essencial garantir que o atuador pneumático seja desconectado das linhas de alimentação de ar comprimido antes de executar qualquer manobra usando o dispositivo de acionamento manual.
O dispositivo de acionamento manual atua na transmissão mecânica primária do atuador pneumático e, na presença de torques aplicados ao volante em conformidade com a norma EN 12570, produz torques de saída com o mesmo valor que o torque nominal do próprio atuador.

DANV 60 ÷ DANV 1920

FICHA TÉCNICA DANV 60 ÷ DANV 480
Código
DANV0060411SDANV0060412SDANV0106411SDANV0120411SDANV0180411SDANV0240411SDANV0360411SDANV0480411S
Kit de guarnições
KGGI0016VXKGGI0016VXKGGI0060VXKGGI0018VXKGGI0019VXKGGI0020VXKGGI0021VXKGGI0022VX
Medida
DANV 60DANV 60DANV 106DANV 120DANV 180DANV 240DANV 360DANV 480
ISOF04F05/F07F05/F07F05/F07F07/F10F07/F10F07/F10F10/F12
A362,3362,3397,8410,5483510,5567,6634,4
B1414171722222227
C x profundidade.M5x8M6x9M6x9M6x9M8x12M8x12M8x12M10x15
D x profundidade.-M8x12M8x12M8x12M10x15M10x15M10x15M12x18
E42505050707070102
F-707070102102102125
G1313131316171919
H33,733,740,842,852,556,15857,4
J1818181818181816
K1414141414141416
I1010121215151919
L90,490,4103,3107137,5141,1148164,9
M37,737,744,846,856,560,16272,9
N52,752,758,560,281818692
O16,516,519,319,324,824,824,329,5
P32,732,738,540,251515662
Q37,737,744,846,856,560,16272,9
R14,514,516,21820,222,525,529
S2020202030303030
T70,470,483,387107,5111,1118134,9
U9999118,5122,1144,9156,8169,6193,8
V180180180180220220300300
W (Gás)1/8"1/8"1/8"1/8"1/8"1/8"1/8"1/4"
X4444444-
Y137,6137,6154,8163,9183,5199,1220,8236,4
Z263,3263,3279,3288,4338,1353,7398440,6
Ch1313171722222227
Número de rotações* 1111131416181516
Peso (Kg)2,82,844,56810,213,2
Ar (dm3/ciclo)0,30,30,70,591,21,652,33,2

* N° de rotações teórico para o fechamento/abertura a partir da posição natural.

FICHA TÉCNICA DANV 720 ÷ DANV 1920
Código
DANV0720411S
DANV0960411S
DANV0960412S
DANV1440411S
DANV1440412S
DANV1920411S
DANV1920412S
Kit de guarnições
KGGI0023VX
KGGI0024VX
KGGI0025VX
KGGI0026VX
Medida
DANV 720
DANV 960
DANV 1440
DANV 1920
ISO
F10/F12
F10/F12
F14
F14
F12
F14
F12/F16
A
720,1
758
758
919,9
919,9
954,1
954,1
B
27
36
36
36
36
46
46
C x profundidade.
M10x15
M10x15
M16x24
M16x24
M12x18
M16x24
M12x18
D x profundidade.
M12x18
M12x18
-
-
-
-
M20x30
E
102
102
140
140
125
140
125
F
125
125
-
-
-
-
165
G
19,5
19,5
19,5
19,5
19,5
18,5
18,5
H
61,5
78
78
86,5
86,5
99,2
99,2
J
16
16
16
16
16
16
16
K
16
16
16
16
16
16
16
I
22
24
24
27
27
32
32
L
178
198
198
216
216
237,7
237,7
M
78,5
93,5
93,5
101,5
101,5
114,7
114,7
N
99,5
104,5
104,5
114,5
114,5
123
123
O
29,5
38,5
38,5
38,5
38,5
48,5
48,5
P
69,5
74,5
74,5
84,5
84,5
93
93
Q
78,5
93,5
93,5
101,5
101,5
114,7
114,7
R
31,8
36,5
36,5
41
41
46
46
S
30
30
30
30
30
30
30
T
148
168
168
186
186
207,7
207,7
U
216,6
239,7
239,7
283,5
283,5
300,4
300,4
V
350
350
350
400
400
400
400
W (Gás)
1/4"
1/4"
1/4"
1/4"
1/4"
1/4"
1/4"
X
-
-
-
-
-
-
-
Y
282,3
297,1
297,1
365,6
365,6
382,9
382,9
Z
503,5
518,3
518,3
636,4
636,4
653,7
653,7
Ch
27
27
27
36
36
36
36
Número de rotações*  
19
20
25
26
Peso (Kg)
17,8
23,8
33,6
43
Ar (dm3/ciclo)
4,6
6,05
9,7
12,9

* N° de rotações teórico para o fechamento/abertura a partir da posição natural.

DANV 3840

FICHA TÉCNICA DANV 3840
Código
DANV3840E1600A
Kit de guarnições
KGGI0130VX
Tamanho
DANV 3840
ISO
F16
N° rotações*
30
Peso (Kg)
75
Ar (dm3/ciclo)
24,3

* N° de rotações teórico para o fechamento/abertura a partir da posição natural.

COMPONENTE ATUADOR PNEUMÁTICO EFEITO DUPLO COM COMANDO MANUAL INTEGRADO - TAMANHO: ATÉ DANV1920

MATERIAIS ATÉ DANV1920
PosDesignação
Q.Material
1Parafuso
1Aço inoxidável
2*Arruelas para Rolamentos de rolos
4Liga de aço
3*Rolamentos de rolos
2Liga de aço 
4Flange 1Liga de alumínio
5Anel de Centralização (apenas para DANV720)
1Liga de alumínio Aluminium 
6*O'ring (apenas para DANV720)
1Borracha nitrílica
7*O'ring2Borracha nitrílica 
8*O'ring1Borracha nitrílica 
9*O'ring1Borracha nitrílica 
10*O'ring1Borracha nitrílica
11Parafuso 1Aço inoxidável 
12Mola 1Aço inoxidável 
13Cilindro espaçador 1Liga de alumínio 
14*O'ring1Borracha nitrílica 
15*Tampa da guarnição  1Latão+Borracha nitrílica
16Tampa (modificada)
1Liga de alumínio 
17Parafuso 4Aço inoxidável 
18*O'ring1Borracha nitrílica
19Volante de manobra
1Liga de aço 
20Grão 2Aço inoxidável 
21Tubo de proteção
1Liga de alumínio 
22Tubo transparente 1PVC 
23Tampa de proteção
1Liga de alumínio
24Chave 1Liga de aço 
25*Rebite 1Liga de aço 
26*Indicador
1Polipropileno 
27Porca de manobra 1Liga de aço 
28Casquilho roscado (apenas para DANV480)
2Aço inoxidável
29Recipiente especial para molas
1Liga de alumínio 
30Pino 1Liga de aço 
31Parafuso de manobra
1Liga de aço
32*Anello di tenuta (Pistão)2Poliuretano 
33*O'ring pistão2Borracha nitrílica 
34Pistão (modificato)1Liga de alumínio 
35*Disco de suporte
4P.T.F.E. carbo-graphite filled
36Bucha 2Liga de aço 
37Pino
2Liga de aço
38*Guarnição
2Liga de aço+Borracha nitrílica
39Parafuso 2Aço inoxidável
40Garfo
1Liga de aço
41Suporte do eixo
1Resina acetálica
42Pino elástico externo 1Liga de aço 
43Pino elástico interno
1Liga de aço 
44Eixo 1Aço inoxidável 
45Bucha de deslizamento 1Resina acetálica 
46O'ring eixo inferior 1FKM
47Cilindro 1Liga de alumínio 
48O'ring eixo superior
1FKM
49Anel de suporte externo
1Resina acetálica 
50Arruela 1Aço inoxidável 
51Seeger1Aço inoxidável 
52Pistão (Standard)1Liga de alumínio
53*O'ring tampa 1Borracha nitrílica 
54Tampa (Standard)1Liga de alumínio 
55Parafuso
4Aço inoxidável 
56*O'ring1Borracha nitrílica 
57Grão
1Aço inoxidável
58Porca 1Liga de alumínio
59Inserir para o'ring
1Aço inoxidável
*Detalhes do kit de substituição

COMPONENTE ATUADOR PNEUMÁTICO EFEITO DUPLO COM COMANDO MANUAL INTEGRADO - TAMANHO: DANV3840

MATERIAIS DANV3840
PosDesignação
Qtd
Material
1Cilindro1Liga de alumínio
2Cilindro Lateral1Liga de alumínio
3Cilindro Lateral1Liga de alumínio
4Tampa (Standard)1Liga de alumínio
5*O'ring1Borracha nitrílica
6Porca 1Aço inoxidável
7Grão
1Aço inoxidável
8Pistão (Standard)1Liga de alumínio
9Bucha
2Liga de aço
10*Disco de suporte 4Resina Acetálica
11Pino 2Liga de aço
12Pino 2Liga de aço
13Garfo 1Liga de aço
14Eixo 1Aço inoxidável
15Bucha de deslizamento 1Resina Acetálica
16Suporte do eixo
1Resina Acetálica
17*O'ring tampa 1Borracha nitrílica
18*Bucha (eixo inferior)
1P.T.F.E. carbo-graphite filled
19*Bucha (eixo superior)
1P.T.F.E. carbo-graphite filled
20*Anel de suporte externo
1Resina Acetálica
21Arruela
1Aço inoxidável
22*O'ring3Borracha nitrílica
23Seeger1Aço inoxidável
24Parafuso
6Aço inoxidável
25*O'ring eixo inferior
1FKM
26*O'ring pistão
2Borracha nitrílica
27*O'ring eixo superior
1FKM
28*O'ring2Borracha nitrílica
29*Anel guia
2P.T.F.E. Carbo-grafite preenchido
30Porca
12Aço inoxidável
31Pistão (modificato1Liga de alumínio
32*Rolamento (Volante)
2Poliuretano
33Tampa (modificada)
1Liga de alumínio
34Porca de manobra
1Liga de aço
35Recipiente especial para molas
1Liga de aço
36*O'ring1Borracha nitrílica
37*Indicador
1Polipropileno
38Volante de manobra
1Liga de aço
39Flange
1Liga de alumínio
40*Rolamento
2Liga de aço
41Parafuso
8Aço inoxidável
42Parafuso
1Aço inoxidável
43Arruela
1Aço inoxidável
44Fechamento do garfo
1Liga de alumínio
45Suporte do garfo
1Liga de alumínio
46Tranca
1Aço inoxidável
47*O'ring1Gomma nitrilica
48Parafuso
3Aço inoxidável
49*Rebite Rivet
1Aço inoxidável
50Chiave 1Aço inoxidável
51Parafuso 6Liga de aço
52*O'ring1Borracha nitrílica
53*O'ring1Borracha nitrílica
54*O'ring1Borracha nitrílica
55Parafuso 2Aço inoxidável
56*Guarnição
2Liga de aço+Borracha nitrílica
57*O'ring1Borracha nitrílica
58*O'ring1Borracha nitrílica
59*Tampa 2P.T.F.E
60Porca 1Aço inoxidável
61Parafuso 1Aço inoxidável
62Parafuso de segurança 1Aço inoxidável
63Parafuso de manobra
1Aço inoxidável
64Tampa de proteção
1Liga de alumínio
65Pino 1Aço inoxidável
66Tubo de proteção
1Liga de alumínio
67Tubo de proteção removível
1Liga de alumínio
* Detalhes do kit de substituição

ESQUEMA DE FUNCIONAMENTO DO ATUADOR COM COMANDO MANUAL INTEGRADO

CAIXA DE SINALIZAÇÃO COM INTERRUPTOR DE LIMITE

OPERADOR MANUAL DE DESBLOQUEIO

ELETROVÁLVULAS NAMUR

ELETROVÁLVULAS

POSICIONADOR ELETROPNEUMÁTICO (SEGURANÇA INTRÍNSECA)

POSICIONADOR PNEUMÁTICO

INTERRUPTORES DE LIMITE DE PROXIMIDAD

INTERRUPTORES DE LIMITE ELETROMECÂNICOS

INTERRUPTORES DE LIMITE PNEUMÁTICOS

INTERRUPTORES DE LIMITE ANTIDEFLAGRANTES II2GD ExdIIC

SELEÇÃO TAMANHO
Selecionar os parâmetros de pesquisa
PESQUISA DE ITEM
X FECHAR

PRÓXIMO EVENTO

IVS - Industrial Valve Summit 2026
IVS - Industrial Valve Summit 2026
Bergamo, Italy, 19 - 21 may 2026