images/testate/TYwrds_Template-Header-Sito-OMAL2560x768-AGO-ok.jpg

AGO HANDWHEEL - DA Volan entegreli

  • avantajları
  • özellikleri
  • boyutlar
  • malzemeler
  • özellikler
  • aksesuarlar
  • belgeler

1.Kendinden yağlamalı, enerjili sızdırmaz ve kayan bantlar
Piston ve silindir arasında daha az sürtünme
Conta uzun süre durduktan sonra bile silindire yapışması önlenir.

2.50 HRC'den büyük çelik sertliği olan yuvalar, burçlar ve soketler
 
 
Aktüatör içindeki mevcut kuvvetlere daha fazla mukavemet

3.Yiv ve piston arasındaki yuvarlanma sürtünmesi

Daha az sürtünme

4.Yuvarlanma sürtünmeli iskoç boyunduruğu (doğrusal hareketin bir piston ve dişlisiz mil vasıtasıyla döner harekete dönüşümü).

Piston ile mil arasında daha az sürtünme, parçalarda daha az aşınma
Açma ve kapama sırasında artan dönme momenti
Pinyon ve kremayer aktüatörlere nazaran daha küçük boyutlarda, dolayısıyla daha az alan gerektirir
Pinyon ve kremayer aktüatörlere nazaran daha az ağırlıkta (-30% Kg/Nm) ve bunun sonucunda tesisat yapımında tasarruf
Kompresörde daha düşük çalışma yükü veya kompresörün küçültülen boyutlarda kullanılması olasılığıyla pinyon ve kremayer aktüatörlere nazaran daha az hava tüketimi (% -40 hava cm3/Nm çift etkili ve %-20 hava cm3/Nm tek etkili)

5.Haddelenmiş silindir

Düşük yüzey pürüzlülüğü sayesinde enerjili bantlarda daha az aşınma

6. Stainless Steel shaft
Higher corrosion resistance

DAN15 ile entegre NAMUR solenoit vana arayüzü

İlave taban plakası gerektirmez

Üretim süreci tümüyle OMAL’de gerçekleşmektedir

Tüm işlem aşamalarında maksimum kontrol

ATEX
Sertifikası
Potansiyel olarak patlayıcı ortamlarda montaja olanak sağlar

SIL 3'e kadar sertifikalı

Yüksek düzeyde işlevsel güvenlik garantisi

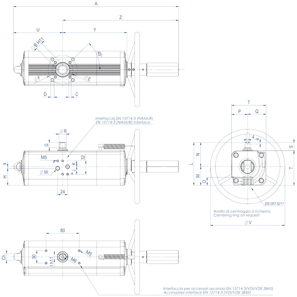
TEKNİK BİLGİLER
60 Nm ile 3840 Nm arasında moment
Bağlantı flanşı: EN ISO 5211
F05 - F07 - F10 - F12 - F14 - F16
EN 15714-3 standardına uygun
Dönme açısı: 92° (-1°, +91°)
Dönme momenti: Besleme basıncı ile doğrudan orantılı; tabloya bakınız
Her aktüatörde DANV kısaltmasını takip eden simge 5.6 bar basınçta Nm cinsinden başlangıç torkunun değerine karşılık gelir
2014/34 / EU direktifine uygun ATEX versiyonu. ATEX versiyonu için kodun sonuna YX ekleyin

ÇALIŞMA KOŞULLARI

Sıcaklık: -20°C ile +80°C arası (Özel versiyonlar: Yüksek sıcaklık: -20 ° C ila +150 ° C; düşük sıcaklık: -50°C +60°C)
Nominal basınç: 5,6 bar; Maksimum çalışma 8.4 bar
Besleme sıvısı: kuru olarak filtrelenmiş basınçlı yağlı ya da yağlı olmayan hava
Yağlama durumunda, deterjan içermeyen veya NBR uyumlu yağ kullanınız

Gerekirse, çeyrek tur yapabilen pnömatik aktüatörümüz manuel işlemle donatılabilir.
Cihaz, hem Çift etkili versiyona hem de Tek Etkili versiyona entegre edilebilir.
Sistemin düzgün çalışması ve cihazın mekanik sağlamlığı için, manüel çalıştırma düzeneğini kullanma yoluyla herhangi bir işlem yapmadan önce, pnömatik aktüatörün basınçlı hava besleme hatlarından çıkarılmasının sağlanması önem arz etmektedir.
Manüel işlem cihazı, pnömatik aktüatörün birincil mekanik şanzımanı üzerinde ekilidir ve EN 12570 standardına uygun el çarkına uygulanan dönme momentleri varken, aktüatörün kendisinin nominal dönme momenti ile aynı değerde çıkış momentleri üretir.

DANV 60 ÷ DANV 1920

TEKNİK BİLGİ FORMU DANV 60 ÷ DANV 480
KodDANV0060411SDANV0060412SDANV0106411SDANV0120411SDANV0180411SDANV0240411SDANV0360411SDANV0480411S
Conta kiti
KGGI0016VXKGGI0016VXKGGI0060VXKGGI0018VXKGGI0019VXKGGI0020VXKGGI0021VXKGGI0022VX
Ölçü
DANV 60DANV 60DANV 106DANV 120DANV 180DANV 240DANV 360DANV 480
ISOF04F05/F07F05/F07F05/F07F07/F10F07/F10F07/F10F10/F12
A362,3362,3397,8410,5483510,5567,6634,4
B1414171722222227
C x derinlikM5x8M6x9M6x9M6x9M8x12M8x12M8x12M10x15
D x derinlik-M8x12M8x12M8x12M10x15M10x15M10x15M12x18
E42505050707070102
F-707070102102102125
G1313131316171919
H33,733,740,842,852,556,15857,4
J1818181818181816
K1414141414141416
I1010121215151919
L90,490,4103,3107137,5141,1148164,9
M37,737,744,846,856,560,16272,9
N52,752,758,560,281818692
O16,516,519,319,324,824,824,329,5
P32,732,738,540,251515662
Q37,737,744,846,856,560,16272,9
R14,514,516,21820,222,525,529
S2020202030303030
T70,470,483,387107,5111,1118134,9
U9999118,5122,1144,9156,8169,6193,8
V180180180180220220300300
W (Gaz)1/8"1/8"1/8"1/8"1/8"1/8"1/8"1/4"
X4444444-
Y137,6137,6154,8163,9183,5199,1220,8236,4
Z263,3263,3279,3288,4338,1353,7398440,6
Ch1313171722222227
Devir sayısı*
1111131416181516
Ağırlık  (Kg)
2,82,844,56810,213,2
Hava (dm3/devir)
0,30,30,70,591,21,652,33,2

* Doğal pozisyondan başlayarak kapa./açma. Amaçlı teorik devir sayısı

TEKNİK BİLGİ FORMU DANV 720 ÷ DANV 1920
Kod
DANV0720411S
DANV0960411S
DANV0960412S
DANV1440411S
DANV1440412S
DANV1920411S
DANV1920412S
Conta kiti
KGGI0023VX
KGGI0024VX
KGGI0025VX
KGGI0026VX
Ölçü
DANV 720
DANV 960
DANV 1440
DANV 1920
ISO
F10/F12
F10/F12
F14
F14
F12
F14
F12/F16
A
720,1
758
758
919,9
919,9
954,1
954,1
B
27
36
36
36
36
46
46
C x derinlik
M10x15
M10x15
M16x24
M16x24
M12x18
M16x24
M12x18
D x derinlik
M12x18
M12x18
-
-
-
-
M20x30
E
102
102
140
140
125
140
125
F
125
125
-
-
-
-
165
G
19,5
19,5
19,5
19,5
19,5
18,5
18,5
H
61,5
78
78
86,5
86,5
99,2
99,2
J
16
16
16
16
16
16
16
K
16
16
16
16
16
16
16
I
22
24
24
27
27
32
32
L
178
198
198
216
216
237,7
237,7
M
78,5
93,5
93,5
101,5
101,5
114,7
114,7
N
99,5
104,5
104,5
114,5
114,5
123
123
O
29,5
38,5
38,5
38,5
38,5
48,5
48,5
P
69,5
74,5
74,5
84,5
84,5
93
93
Q
78,5
93,5
93,5
101,5
101,5
114,7
114,7
R
31,8
36,5
36,5
41
41
46
46
S
30
30
30
30
30
30
30
T
148
168
168
186
186
207,7
207,7
U
216,6
239,7
239,7
283,5
283,5
300,4
300,4
V
350
350
350
400
400
400
400
W (Gaz)
1/4"
1/4"
1/4"
1/4"
1/4"
1/4"
1/4"
X
-
-
-
-
-
-
-
Y
282,3
297,1
297,1
365,6
365,6
382,9
382,9
Z
503,5
518,3
518,3
636,4
636,4
653,7
653,7
Ch
27
27
27
36
36
36
36
Devir sayısı*
19
20
25
26
Ağırlık  (Kg)
17,8
23,8
33,6
43
Hava (dm3/devir)
4,6
6,05
9,7
12,9

* Doğal pozisyondan başlayarak kapa./açma. Amaçlı teorik devir sayısı

DANV 3840

TEKNİK BİLGİ FORMU DANV 3840
Kod
DANV3840E1600A
Conta kiti
KGGI0130VX
Ölçü
DANV 3840
ISO
F16
Devir sayısı* 
30
Ağırlık  (Kg)
75
Hava (dm3/devir)
24,3

* Doğal pozisyondan başlayarak kapa./açma. Amaçlı teorik devir sayısı

ENTEGRE MANÜEL KONTROLLÜ ÇİFT ETKİLİ PNÖMATİK AKTÜATÖR BİLEŞENLERİ - ÖLÇÜ DANV1920'YA KADAR

DANV1920’ YA KADAR MALZEMELER
Poz
Adı:Q.
Malzeme
1
Vida
1
Paslanmaz çelik
2*
Makaralı rulman rondelaları
4
Çelik alaşımı
3*
Makaralı rulmanlar
2
Çelik alaşımı
4
Flanş
1
Alüminyum alaşımı
5
Merkezleme halkası (Sadece DANV720 için)
1
Alüminyum alaşımı Aluminium
6*
O'ring (Sadece DANV720 için)
1
Nitril kauçuk
7*
O'ring
2
Nitril kauçuk
8*
O'ring
1
Nitril kauçuk
9*
O'ring
1
Nitril kauçuk
10*
O'ring
1
Nitril kauçuk
11
Vida
1
Paslanmaz çelik
12
Yay
1
Paslanmaz çelik
13
Ara silindir parçası
1
Alüminyum alaşımı
14*
O'ring
1
Nitril kauçuk
15*
Sızdırmazlık tapası
1
Pirinç+Nitril kauçuk
16
Tapa (değiştirilmiş)
1
Alüminyum alaşımı
17
Vida
4
Paslanmaz çelik
18*
O'ring
1
Nitril kauçuk
19
Manevra el çarkı
1
Çelik alaşımı
20
Pim2
Paslanmaz çelik
21
Koruyucu boru1
Alüminyum alaşımı
22
Şeffaf boru1
PVC
23
Koruyucu tapa1
Alüminyum alaşımı
24
Anahtarlar1
Çelik alaşımı
25*
Perçin1
Çelik alaşımı
26*
Gösterge1
Polipropilen
27
Manevra sonsuz vidası1
Çelik alaşımı
28
Dişli burç (Sadece DANV480 için)
2
Paslanmaz çelik
29
Özel yay muhafazası1
Alüminyum alaşımı
30
Soket1
Çelik alaşımı
31
Manevra vidası1
Çelik alaşımı
32*
sızdırmazlık halkası (piston)
2
Poliüretan
33*
Piston o’ringi
2
Nitril kauçuk
34
Piston (değiştirilmiş)
1
Alüminyum alaşımı
35*
Destek diski
4
P.T.F.E. carbo-graphite filled
36
Ara burcu2
Çelik alaşımı
37
Pim2
Çelik alaşımı
38*
Conta
2
Alaşım Çelik+Nitril kauçuk
39
Vida
2
Paslanmaz çelik
40
Çatal
1
Çelik alaşımı
41
Mil desteği
1
Asetalik reçine
42
Dış elastik soket
1
Çelik alaşımı
43
İç elastik soket1
Çelik alaşımı
44
Mil1
Paslanmaz çelik
45
Kaydırma burcu
1
Asetalik reçine
46
Alt mil o-ringi
1
FKM
47
Silindir
1
Alüminyum alaşımı
48
Üst mil o-ringi
1
FKM
49
Dış destek halkası
1
Asetalik reçine
50
Rondela
1
Paslanmaz çelik
51
Seeger
1
Paslanmaz çelik
52
Piston (Standart)
1
Alüminyum alaşımı
53*
Tapa o-ringi
1
Nitril kauçuk
54
Tapa (Standart)
1
Alüminyum alaşımı
55
Vi
4
Paslanmaz çelik
56*
O'ring
1
Nitril kauçuk
57
Pim
1
Paslanmaz çelik
58
Somun
1
Alüminyum alaşımı
59
O-ring ek parçası
1
Paslanmaz çelik
* Yedek parça kitinin detayları.

ENTEGRE MANÜEL KONTROLLÜ ÇİFT ETKİLİ PNÖMATİK AKTÜATÖR BİLEŞENLERİ - ÖLÇÜ DANV3840

DANV3840 MALZEMELERİ
Poz.Adı:Q.tyMalzeme
1Silindir
1Alüminyum alaşımı
2Yan silindir
1Alüminyum alaşımı
3Yan silindir
1Alüminyum alaşımı
4Tapa (Standart)
1Alüminyum alaşımı
5*O'ring1Nitril kauçuk
6Somun
1Paslanmaz çelik
7Pim
1Paslanmaz çelik
8Piston (Standart)
1Alüminyum alaşımı
9Ara burcu
2Çelik alaşımı
10*Destek diski
4Asetal reçine
11Soket
2Çelik alaşımı
12Pim2Çelik alaşımı
13Çatal1Çelik alaşımı
14Mil
1Paslanmaz çelik
15Kaydırma burcu
1Asetal reçine
16 Mil desteği1Asetal reçine
17*Tapa o-ringi1Nitril kauçuk
18*Burç (alt mil)1P.T.F.E. carbo-graphite filled
19*Burç (üst mil)1P.T.F.E. carbo-graphite filled
20*Dış destek halkası1Asetal reçine
21Rondela1Paslanmaz çelik
22*O'ring3Nitril kauçuk
23Seeger1Paslanmaz çelik
24Vida6Paslanmaz çelik
25*Alt mil o-ringi1FKM
26*Piston o-ringi2Nitril kauçuk
27*Üst mil o-ringi1FKM
28*O'ring2Nitril kauçuk
29*Klavuz halka2P.T.F.E. Karbon grafit dolgulu
30Somun
12Paslanmaz çelik
31Piston (değiştirilmiş)
1Alüminyum alaşımı
32*Rulman (El çarkı)
2Poliüretan
33Tapa (değiştirilmiş)
1Alüminyum alaşımı
34Manevra sonsuz vidası
1Çelik alaşımı
35Özel yay muhafazası
1Çelik alaşımı
36*O'ring1Nitril kauçuk
37*Gösterge Indicator
1Polipropilen
38Manevra el çarkı
1Çelik alaşımı
39Flanş1Alüminyum alaşımı
40*Rulman
2Çelik alaşımı
41Vida8Paslanmaz çelik
42Vida1Paslanmaz çelik
43Rondela1Paslanmaz çelik
44Çatal kapatma
1Alüminyum alaşımı
45Çatal destek
1Alüminyum alaşımı
46Asma kilit
1Paslanmaz çelik
47*O'ring1Nitril kauçuk
48Vida3Paslanmaz çelik
49*Perçin Rivet
1Paslanmaz çelik
50Anahtarlar
1Paslanmaz çelik
51Vida6Çelik alaşımı
52*O'ring1Nitril kauçuk
53*O'ring1Nitril kauçuk
54*O'ring1Nitril kauçuk
55Vida2Paslanmaz çelik
56*Conta
2Alaşım Çelik+Nitril kauçuk
57*O'ring1Nitril kauçuk
58*O'ring1Nitril kauçuk
59*Tapa2P.T.F.E
60Somun
1Paslanmaz çelik
61Vida1Paslanmaz çelik
62Emniyet vidası
1Paslanmaz çelik
63Manevra vidası
1Paslanmaz çelik
64Koruyucu tapa
1Alüminyum alaşımı
65Soket
1Paslanmaz çelik
66Koruyucu boru
1Alüminyum alaşımı
67Çıkarılabilir koruyucu boru
1Alüminyum alaşımı
* Yedek parça kitinin detayları.

Entegre manüel kontrole sahip aktüatör çalışma şeması

LİMİT SVİÇLİ SİNYAL KUTUSU

MANÜEL KİLİT AÇMA İŞLEMCİSİ

SOLENOİT VANA NAMUR

SOLENOİT VANA

ELEKTROPNÖMATİK KONUMLANDIRICI (İNTRENSEK EMNİYET)

PNÖMATİK KONUMLANDIRICI

YAKINLIK LİMİT ANAHTARI

ELEKTROMEKANİK LİMİT ANAHTARI

PNÖMATİK LİMİT ANAHTARI

PATLAMAYA KARŞI SINIRLAYICI LİMİT ANAHTARI II2GD ExdIIC

SEÇİN BOYUT
Arama parametrelerini seçin
MAKALE ARAYIN
X KAPAT

GELECEK ETKİNLİK

IVS - Industrial Valve Summit 2026
IVS - Industrial Valve Summit 2026
Bergamo, Italy, 19 - 21 may 2026