1. Bandes d'étanchéité et de glissement autolubrifiantes sous tension
Frottement réduit entre le piston et le vérin
Évite que la garniture ne se colle au vérin, même après de longues périodes d’immobilisation
2. Fentes, douilles et goupilles en acier avec une dureté supérieure à 50 HRC
Plus grande résistance aux forces à l’intérieur de l'actionneur
3. Frottement de roulement entre la fente et le piston
Réduction du frottement
4. Bielle-manivelle avec frottement de roulement (transformation du mouvement linéaire en mouvement de rotation par piston et arbre sans engrenages).
Moins de frottement entre le piston et l'arbre, ce qui réduit l'usure des pièces
Moment de torsion accru en phase d’ouverture et fermeture
Encombrement réduit par rapport aux actionneurs à pignon et crémaillère, donc moins d'espace requis
Moins de poids par rapport aux actionneurs à pignon et crémaillère (-30 % Kg/Nm), ce qui entraîne des économies sur la construction de la structure de l'installation
Réduction de la consommation d'air par rapport aux actionneurs à pignon et crémaillère (-40 % air cm³/Nm double effet et -20 % air cm³/Nm simple effet) avec une charge de travail réduite du compresseur en conséquence ou possibilité d'utiliser un compresseur de dimensions réduites
5. Vérin laminé
Usure moindre des bandes sous tension grâce à la faible rugosité de la surface
6. Stainless Steel shaft
Higher corrosion resistance
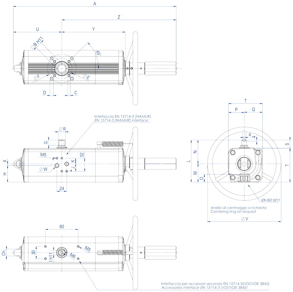
Plan de pose pour électrovannes NAMUR intégré par le DAN15
Ne nécessite aucune embase supplémentaire
Processus de production entièrement réalisé chez OMAL
Contrôle maximum dans toutes les phases de d’usinage
Certificat ATEX
Permet son installation en présence d'un milieu potentiellement explosif
Certifié jusqu'à SIL 3
Niveau élevé garanti de sécurité fonctionnelle
CARACTÉRISTIQUES TECHNIQUES
Couple compris entre 60 Nm et 3840 Nm.
Bride de raccordement: EN ISO 5211
F05 - F07 - F10 - F12 - F14 - F16.
Conforme à la norme EN 15714-3
Angle de rotation: 92° (-1°, +91°)
Moment de torsion: Directement proportionnel à la pression d'alimentation; voir tableau.
Dans chaque actionneur, le chiffre qui suit le sigle DANV correspond à la valeur du couple de démarrage en Nm à une pression de 5,6 bar.
Version ATEX conformément à la directive 2014/34/UE. Pour la version ATEX, ajouter YX à la fin du code.
CONDITIONS DE TRAVAIL
Température: de -20°C à +80°C. (Versions spéciales: températures élevées: -20°C + 150°C; basses températures: -50°C + 60°C) Pression nominale: 5,6 bar; maximum de fonctionnement 8,4 bar.
Fluide d'alimentation: air comprimé filtré sec pas nécessairement lubrifié.
En cas de lubrification, utilisez une huile non détergente, compatible avec NBR.
Si nécessaire, notre actionneur pneumatique quart de tour peut être équipé d'un actionnement manuel.Le dispositif peut être intégré aussi bien à la version double effet qu’à la version simple effet.Pour que le système fonctionne correctement et pour garantir l'intégrité mécanique du dispositif, il est essentiel de s'assurer que l'actionneur pneumatique est débranché des lignes d'alimentation en air comprimé avant d'effectuer toute opération à l'aide du dispositif d'actionnement manuel.
Le dispositif d'actionnement manuel agit sur l’entraînement mécanique primaire de l'actionneur pneumatique et, en présence de couples appliqués au volant conformes à la norme EN 12570, produit des couples de sortie de la même valeur que le couple nominal de l'actionneur même.
| FICHE TECHNIQUE DANV 60 ÷ DANV 480 | ||||||||
| Code | DANV0060411S | DANV0060412S | DANV0106411S | DANV0120411S | DANV0180411S | DANV0240411S | DANV0360411S | DANV0480411S |
| Kit garnitures | KGGI0016VX | KGGI0016VX | KGGI0060VX | KGGI0018VX | KGGI0019VX | KGGI0020VX | KGGI0021VX | KGGI0022VX |
| Mesure | DANV 60 | DANV 60 | DANV 106 | DANV 120 | DANV 180 | DANV 240 | DANV 360 | DANV 480 |
| ISO | F04 | F05/F07 | F05/F07 | F05/F07 | F07/F10 | F07/F10 | F07/F10 | F10/F12 |
| A | 362,3 | 362,3 | 397,8 | 410,5 | 483 | 510,5 | 567,6 | 634,4 |
| B | 14 | 14 | 17 | 17 | 22 | 22 | 22 | 27 |
| C x profondeur | M5x8 | M6x9 | M6x9 | M6x9 | M8x12 | M8x12 | M8x12 | M10x15 |
| D x profondeur | - | M8x12 | M8x12 | M8x12 | M10x15 | M10x15 | M10x15 | M12x18 |
| E | 42 | 50 | 50 | 50 | 70 | 70 | 70 | 102 |
| F | - | 70 | 70 | 70 | 102 | 102 | 102 | 125 |
| G | 13 | 13 | 13 | 13 | 16 | 17 | 19 | 19 |
| H | 33,7 | 33,7 | 40,8 | 42,8 | 52,5 | 56,1 | 58 | 57,4 |
| J | 18 | 18 | 18 | 18 | 18 | 18 | 18 | 16 |
| K | 14 | 14 | 14 | 14 | 14 | 14 | 14 | 16 |
| I | 10 | 10 | 12 | 12 | 15 | 15 | 19 | 19 |
| L | 90,4 | 90,4 | 103,3 | 107 | 137,5 | 141,1 | 148 | 164,9 |
| M | 37,7 | 37,7 | 44,8 | 46,8 | 56,5 | 60,1 | 62 | 72,9 |
| N | 52,7 | 52,7 | 58,5 | 60,2 | 81 | 81 | 86 | 92 |
| O | 16,5 | 16,5 | 19,3 | 19,3 | 24,8 | 24,8 | 24,3 | 29,5 |
| P | 32,7 | 32,7 | 38,5 | 40,2 | 51 | 51 | 56 | 62 |
| Q | 37,7 | 37,7 | 44,8 | 46,8 | 56,5 | 60,1 | 62 | 72,9 |
| R | 14,5 | 14,5 | 16,2 | 18 | 20,2 | 22,5 | 25,5 | 29 |
| S | 20 | 20 | 20 | 20 | 30 | 30 | 30 | 30 |
| T | 70,4 | 70,4 | 83,3 | 87 | 107,5 | 111,1 | 118 | 134,9 |
| U | 99 | 99 | 118,5 | 122,1 | 144,9 | 156,8 | 169,6 | 193,8 |
| V | 180 | 180 | 180 | 180 | 220 | 220 | 300 | 300 |
| W (Gaz) | 1/8" | 1/8" | 1/8" | 1/8" | 1/8" | 1/8" | 1/8" | 1/4" |
| X | 4 | 4 | 4 | 4 | 4 | 4 | 4 | - |
| Y | 137,6 | 137,6 | 154,8 | 163,9 | 183,5 | 199,1 | 220,8 | 236,4 |
| Z | 263,3 | 263,3 | 279,3 | 288,4 | 338,1 | 353,7 | 398 | 440,6 |
| Ch | 13 | 13 | 17 | 17 | 22 | 22 | 22 | 27 |
| Nombre de tours* | 11 | 11 | 13 | 14 | 16 | 18 | 15 | 16 |
| Poids (Kg) | 2,8 | 2,8 | 4 | 4,5 | 6 | 8 | 10,2 | 13,2 |
| Air (dm3/cycle) | 0,3 | 0,3 | 0,7 | 0,59 | 1,2 | 1,65 | 2,3 | 3,2 |
FICHE TECHNIQUE DANV 720 ÷ DANV 1920 | |||||||
Code | DANV0720411S | DANV0960411S | DANV0960412S | DANV1440411S | DANV1440412S | DANV1920411S | DANV1920412S |
Kit garnitures | KGGI0023VX | KGGI0024VX | KGGI0025VX | KGGI0026VX | |||
Mesure | DANV 720 | DANV 960 | DANV 1440 | DANV 1920 | |||
ISO | F10/F12 | F10/F12 | F14 | F14 | F12 | F14 | F12/F16 |
A | 720,1 | 758 | 758 | 919,9 | 919,9 | 954,1 | 954,1 |
B | 27 | 36 | 36 | 36 | 36 | 46 | 46 |
C x profondeur | M10x15 | M10x15 | M16x24 | M16x24 | M12x18 | M16x24 | M12x18 |
D x profondeur | M12x18 | M12x18 | - | - | - | - | M20x30 |
E | 102 | 102 | 140 | 140 | 125 | 140 | 125 |
F | 125 | 125 | - | - | - | - | 165 |
G | 19,5 | 19,5 | 19,5 | 19,5 | 19,5 | 18,5 | 18,5 |
H | 61,5 | 78 | 78 | 86,5 | 86,5 | 99,2 | 99,2 |
J | 16 | 16 | 16 | 16 | 16 | 16 | 16 |
K | 16 | 16 | 16 | 16 | 16 | 16 | 16 |
I | 22 | 24 | 24 | 27 | 27 | 32 | 32 |
L | 178 | 198 | 198 | 216 | 216 | 237,7 | 237,7 |
M | 78,5 | 93,5 | 93,5 | 101,5 | 101,5 | 114,7 | 114,7 |
N | 99,5 | 104,5 | 104,5 | 114,5 | 114,5 | 123 | 123 |
O | 29,5 | 38,5 | 38,5 | 38,5 | 38,5 | 48,5 | 48,5 |
P | 69,5 | 74,5 | 74,5 | 84,5 | 84,5 | 93 | 93 |
Q | 78,5 | 93,5 | 93,5 | 101,5 | 101,5 | 114,7 | 114,7 |
R | 31,8 | 36,5 | 36,5 | 41 | 41 | 46 | 46 |
S | 30 | 30 | 30 | 30 | 30 | 30 | 30 |
T | 148 | 168 | 168 | 186 | 186 | 207,7 | 207,7 |
U | 216,6 | 239,7 | 239,7 | 283,5 | 283,5 | 300,4 | 300,4 |
V | 350 | 350 | 350 | 400 | 400 | 400 | 400 |
W (Gaz) | 1/4" | 1/4" | 1/4" | 1/4" | 1/4" | 1/4" | 1/4" |
X | - | - | - | - | - | - | - |
Y | 282,3 | 297,1 | 297,1 | 365,6 | 365,6 | 382,9 | 382,9 |
Z | 503,5 | 518,3 | 518,3 | 636,4 | 636,4 | 653,7 | 653,7 |
Ch | 27 | 27 | 27 | 36 | 36 | 36 | 36 |
Nombre de tours* | 19 | 20 | 25 | 26 | |||
Poids (Kg) | 17,8 | 23,8 | 33,6 | 43 | |||
Air (dm3/cycle) | 4,6 | 6,05 | 9,7 | 12,9 | |||
FICHE TECHNIQUE DANV 3840 | |
Code | DANV3840E1600A |
Kit garnitures | KGGI0130VX |
Mesure | DANV 3840 |
ISO | F16 |
Nombre de tours* | 30 |
Poids (Kg) | 75 |
Air (dm3/cycle) | 24,3 |
COMPOSANTS ACTIONNEUR PNEUMATIQUE À DOUBLE EFFET AVEC COMMANDE MANUELLE INTÉGRÉE - MESURE: JUSQU'À DANV1920
| MATÉRIAUX JUSQU'À DANV1920 | ||||
| Pos | Désignation | Q.té | Matériau | |
| 1 | Vis | 1 | Acier inoxydable | |
| 2* | Rondelles pour paliers à roulements | 4 | Alliage d'acier | |
| 3* | Paliers à roulements | 2 | Alliage d'acier | |
| 4 | Bride | 1 | Alliage d'aluminium | |
| 5 | Bague de centrage (uniquement pour DANV720) | 1 | Alliage d'aluminium Aluminium | |
| 6* | Joint torique (uniquement pour DANV720) | 1 | Gomma nitrilica | |
| 7* | Joint torique | 2 | Caoutchouc nitrile | |
| 8* | Joint torique | 1 | Caoutchouc nitrile | |
| 9* | Joint torique | 1 | Caoutchouc nitrile | |
| 10* | Joint torique | 1 | Caoutchouc nitrile | |
| 11 | Vis | 1 | Acier inoxydable | |
| 12 | Ressort | 1 | Acier inoxydable | |
| 13 | Vérin espaceur | 1 | Alliage d'aluminium | |
| 14* | Joint torique | 1 | Caoutchouc nitrile | |
| 15* | Bouchon garniture | 1 | Laiton+Caoutchouc nitrile | |
| 16 | Bouchon (modifié) | 1 | Alliage d'aluminium | |
| 17 | Vis | 4 | Acier inoxydable | |
| 18* | Joint torique | 1 | Caoutchouc nitrile | |
| 19 | Volant de manœuvre | 1 | Alliage d'acier | |
| 20 | Vis sans tête | 2 | Acier inoxydable | |
| 21 | Tube de protection | 1 | Alliage d'aluminium | |
| 22 | Tube transparent | 1 | PVC | |
| 23 | Bouchon de protection | 1 | Alliage d'aluminium | |
| 24 | Clé | 1 | Alliage d'acier | |
| 25* | Rivet | 1 | Alliage d'acier | |
| 26* | Indicateur | 1 | Polypropylène | |
| 27 | Écrou de manœuvre | 1 | Alliage d'acier | |
| 28 | Douille filetée (uniquement pour DANV480) | 2 | Acier inoxydable | |
| 29 | Cuvette ressort spécial | 1 | Alliage d'aluminium | |
| 30 | Goupille | 1 | Alliage d'acier | |
| 31 | Vis de manœuvre | 1 | Alliage d'acier | |
| 32* | Bague d'étanchéité (piston) | 2 | Polyuréthane | |
| 33* | Joint torique piston | 2 | Caoutchouc nitrile | |
| 34 | Piston (modifié) | 1 | Alliage d'aluminium | |
| 35* | Disque de support | 4 | P.T.F.E. carbo-graphite filled | |
| 36 | Douille | 2 | Alliage d'acier | |
| 37 | Axe | 2 | Alliage d'acier | |
| 38* | Garniture | 2 | Alliage d'acier+Caoutchouc nitrile | |
| 39 | Vis | 2 | Acier inoxydable | |
| 40 | Bielle-manivelle | 1 | Alliage d'acier | |
| 41 | Support arbre | 1 | Résine acétal | |
| 42 | Goupille élastique externe | 1 | Alliage d'acier | |
| 43 | Goupille élastique interne | 1 | Alliage d'acier | |
| 44 | Arbre | 1 | Acier inoxydable | |
| 45 | Douille de guidage | 1 | Résine acétal | |
| 46 | Joint torique arbre inférieur | 1 | FKM | |
| 47 | Vérin | 1 | Alliage d'aluminium | |
| 48 | Joint torique arbre supérieur | 1 | FKM | |
| 49 | Bague de support extérieur | 1 | Résine acétal | |
| 50 | Rondelle | 1 | Acier inoxydable | |
| 51 | Seeger | 1 | Acier inoxydable | |
| 52 | Piston (Standard) | 1 | Alliage d'aluminium | |
| 53* | Joint torique bouchon | 1 | Gomma nitrilica | |
| 54 | Bouchon (Standard) | 1 | Alliage d'aluminium | |
| 55 | Vis | 4 | Acier inoxydable | |
| 56* | Joint torique | 1 | Caoutchouc nitrile | |
| 57 | Vis sans tête | 1 | Acier inoxydable | |
| 58 | Écrou | 1 | Alliage d'aluminium | |
| 59 | Insert pour joint torique | 1 | Acier inoxydable | |
| *Détails du kit des pièces de rechange | ||||
| MATÉRIAUX DANV3840 | |||
| Pos | Désignation | Q.té | Matériau |
| 1 | Vérin | 1 | Alliage d'aluminium |
| 2 | Vérin latéral | 1 | Alliage d'aluminium |
| 3 | Vérin latéral | 1 | Alliage d'aluminium |
| 4 | Bouchon (Standard) | 1 | Alliage d'aluminium |
| 5* | Joint torique | 1 | Caoutchouc nitrile |
| 6 | Écrou | 1 | Acier inoxydable |
| 7 | Vis sans tête | 1 | Acier inoxydable |
| 8 | Piston (Standard) | 1 | Alliage d'aluminium |
| 9 | Douille | 2 | Alliage d'acier |
| 10* | Disque de support | 4 | Résine acétal |
| 11 | Goupille | 2 | Alliage d'acier |
| 12 | Axe | 2 | Alliage d'acier |
| 13 | Bielle-manivelle | 1 | Alliage d'acier |
| 14 | Arbre | 1 | Acier inoxydable |
| 15 | Douille de guidage | 1 | Résine acétal |
| 16 | Support arbre | 1 | Résine acétal |
| 17* | Joint torique bouchon | 1 | Caoutchouc nitrile |
| 18* | Douille (arbre inférieur) | 1 | P.T.F.E. carbo-graphite filled |
| 19* | Douille (arbre supérieur) | 1 | P.T.F.E. carbo-graphite filled |
| 20* | Bague de support extérieur | 1 | Résine acétal |
| 21 | Rondelle | 1 | Acier inoxydable |
| 22* | Joint torique | 3 | Caoutchouc nitrile |
| 23 | Seeger | 1 | Acier inoxydable |
| 24 | Vis | 6 | Acier inoxydable |
| 25* | Joint torique arbre inférieur | 1 | FKM |
| 26* | Joint torique piston | 2 | Caoutchouc nitrile |
| 27* | Joint torique arbre supérieur | 1 | FKM |
| 28* | Joint torique | 2 | Caoutchouc nitrile |
| 29* | Bague de guidage | 2 | P.T.F.E. Rempli de carbone de graphite |
| 30 | Écrou | 12 | Acier inoxydable |
| 31 | Piston (modifié) | 1 | Alliage d'aluminium |
| 32* | Palier (volant) | 2 | Polyuréthane |
| 33 | Bouchon (modifié) | 1 | Alliage d'aluminium |
| 34 | Écrou de manœuvre | 1 | Alliage d'acier |
| 35 | Cuvette ressort spécial | 1 | Alliage d'acier |
| 36* | Joint torique | 1 | Caoutchouc nitrile |
| 37* | Indicateur Indicator | 1 | Polypropylène |
| 38 | Volant de manœuvre | 1 | Alliage d'acier |
| 39 | Bride | 1 | Alliage d'aluminium |
| 40* | Palier | 2 | Alliage d'acier |
| 41 | Vis | 8 | Acier inoxydable |
| 42 | Vis | 1 | Acier inoxydable |
| 43 | Rondelle | 1 | Acier inoxydable |
| 44 | Fermeture bielle-manivelle | 1 | Alliage d'aluminium |
| 45 | Support bielle-manivelle | 1 | Alliage d'aluminium |
| 46 | Cadenassage | 1 | Acier inoxydable |
| 47* | Joint torique | 1 | Caoutchouc nitrile |
| 48 | Vis | 3 | Acier inoxydable |
| 49* | Rivet Rivet | 1 | Acier inoxydable |
| 50 | Clé | 1 | Acier inoxydable |
| 51 | Vis | 6 | Alliage d'acier |
| 52* | Joint torique | 1 | Caoutchouc nitrile |
| 53* | Joint torique | 1 | Caoutchouc nitrile |
| 54* | Joint torique | 1 | Caoutchouc nitrile |
| 55 | Vis | 2 | Acier inoxydable |
| 56* | Joint | 2 | Alliage d'acier+Caoutchouc nitrile |
| 57* | Joint torique | 1 | Caoutchouc nitrile |
| 58* | Joint torique | 1 | Caoutchouc nitrile |
| 59* | Bouchon | 2 | P.T.F.E |
| 60 | Écrou | 1 | Acier inoxydable |
| 61 | Vis | 1 | Acier inoxydable |
| 62 | Vis de sécurité | 1 | Acier inoxydable |
| 63 | Vis de manœuvre | 1 | Acier inoxydable |
| 64 | Bouchon de protection | 1 | Alliage d'aluminium |
| 65 | Goupille | 1 | Acier inoxydable |
| 66 | Tube de protection | 1 | Alliage d'aluminium |
| 67 | Tube de protection amovible | 1 | Alliage d'aluminium |
| * Détails du kit des pièces de rechange | |||