images/testate/TYwrds_Template-Header-Sito-OMAL2560x768-AGO-ok.jpg

AGO HANDWHEEL - DA mit integriertem Handrad

  • vorteile
  • eigenschaften
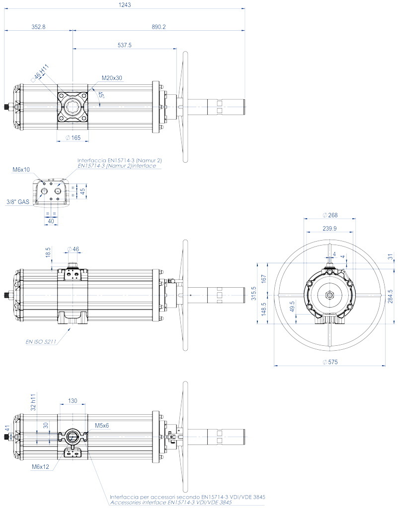
  • abmessungen
  • werkstoffe
  • merkmale
  • zubehör
  • dokumente

1. Energieversorgte, selbstschmierende Dichtungs- und Gleitleisten
Weniger Reibung zwischen Kolben und Zylinder
Das Anhaften der Dichtung am Zylinder wird auch nach langen Standzeiten verhindert
 
2. Schlitz, Buchsen und Stifte mit härterem Stahl - Härte von über 50 HRC 
Größere Beständigkeit gegen die Kräfte innerhalb des Antriebs
 
3. Rollwiderstand zwischen Schlitz und Kolben 
Geringerer Abrieb
 
4. Kurbelschleife mit Rollwiderstand (Umwandlung der linearen in eine Drehbewegung mittels Kolben und Welle ohne Zahnräder)
Geringerer Verschleiß der Teile durch geringeren Abrieb zwischen Kolben und Welle
Verbessertes Drehmoment beim Öffnen und Schließen
Geringerer Platzbedarf im Vergleich zu Zahnstangenantrieben
Geringeres Gewicht im Vergleich zu Zahnstangenantrieben (-30% kg/Nm)  und somit Einsparungen bei Ausführung der Anlagenstruktur
Geringere Belastung des Kompressors bzw. Möglichkeit zur Nutzung eines Kompressors mit kleineren Abmessungen durch geringeren Luftverbrauch im Vergleich zu Zahnstangenantrieben (-40% Luft cm³/Nm doppeltwirkend und -20% Luft cm³/Nm einfachwirkend)
 
5. Rollenzylinder
Geringerer Verschleiß der energieversorgten Dichtungsleisten durch die geringe Rauheit der Oberfläche

6. Stainless Steel shaft
Higher corrosion resistance
 
Integrierter Anschluss für NAMUR-Magnetventile DAN15
Kein zusätzlicher Sockel erforderlich
 
Der gesamte Produktionsprozess erfolgt hausintern bei OMAL
Maximale Kontrolle in allen Verarbeitungsphasen
 
ATEX-Zertifikat
Ermöglicht die Installation in explosionsgefährdeten Umgebungen
 
Zertifikat bis SIL 3
Hohes funktionales Sicherheitsniveau garantiert

TECHNISCHE DATEN 
Drehmoment von 60 Nm bis 3840 Nm. 
Flanschanschluss: EN ISO 5211
F05 - F07 - F10 - F12 - F14 - F16. 
In Einklang mit der Norm EN 15714-3
Schwenkwinkel: 92° (-1°, +91°)
Drehmoment: Direkt proportional zum Versorgungsdruck; siehe Tabelle. 
Bei jedem Antrieb entspricht der Wert, der der Abkürzung DANV folgt, dem Wert des Anlaufmoments in Nm, bei einem Druck von 5,6 bar. 
ATEX-Ausführung gemäß der EU-Richtlinie 2014/34/EU. Für die ATEX-Ausführung YX am Ende der Artikelnummer hinzufügen. 

BETRIEBSBEDINGUNGEN 
Temperatur: -20°C bis +80°C. (Sonderausführungen: Hohe Temperatur: -20°C +150°C; niedrige Temperatur: -50°C +60°C)
Nenndruck: 5,6 bar; maximaler Betriebsdruck 8,4 bar. 
Versorgungsmedium: Trockene, gefilterte, nicht unbedingt geschmierte Druckluft. 
Verwenden Sie zum Schmieren kein reinigendes Öl, sondern solches, das mit NBR kompatibel ist.

Bei Bedarf kann der von unser hergestellte pneumatische Stellantrieb mit Vierteldrehung mit einem Handantrieb ausgestattet werden.
Der Antrieb kann sowohl in die doppeltwirkende als auch in die einfachwirkende Ausführung integriert werden.
Damit das System ordnungsgemäß funktioniert und die mechanische Integrität der Vorrichtung gewährleistet ist, muss sichergestellt sein, dass der pneumatische Antrieb von den Druckluftversorgungsleitungen getrennt ist, bevor Arbeiten mit dem Handantrieb ausgeführt werden können.
Der Handantrieb wirkt auf das primäre mechanische Getriebe des pneumatischen Stellantriebs und erzeugt bei Anlaufmomenten am Handrad gemäß der Norm EN 12570 Ausgangsdrehmomente, die dem Nenndrehmoment des Stellantriebs selbst entsprechen.

DANV 60 ÷ DANV 1920

TECHNISCHES DATENBLATT DANV 60 ÷ DANV 480
Artikelnummer
DANV0060411SDANV0060412SDANV0106411SDANV0120411SDANV0180411SDANV0240411SDANV0360411SDANV0480411S
DichtungssatzKGGI0016VXKGGI0016VXKGGI0060VXKGGI0018VXKGGI0019VXKGGI0020VXKGGI0021VXKGGI0022VX
Baugröße
DANV 60DANV 60DANV 106DANV 120DANV 180DANV 240DANV 360DANV 480
ISOF04F05/F07F05/F07F05/F07F07/F10F07/F10F07/F10F10/F12
A362,3362,3397,8410,5483510,5567,6634,4
B1414171722222227
C x TiefeM5x8M6x9M6x9M6x9M8x12M8x12M8x12M10x15
D x Tiefe-M8x12M8x12M8x12M10x15M10x15M10x15M12x18
E42505050707070102
F-707070102102102125
G1313131316171919
H33,733,740,842,852,556,15857,4
J1818181818181816
K1414141414141416
I1010121215151919
L90,490,4103,3107137,5141,1148164,9
M37,737,744,846,856,560,16272,9
N52,752,758,560,281818692
O16,516,519,319,324,824,824,329,5
P32,732,738,540,251515662
Q37,737,744,846,856,560,16272,9
R14,514,516,21820,222,525,529
S2020202030303030
T70,470,483,387107,5111,1118134,9
U9999118,5122,1144,9156,8169,6193,8
V180180180180220220300300
W (Gas)1/8"1/8"1/8"1/8"1/8"1/8"1/8"1/4"
X4444444-
Y137,6137,6154,8163,9183,5199,1220,8236,4
Z263,3263,3279,3288,4338,1353,7398440,6
Ch1313171722222227
Anzahl Umdrehungen*1111131416181516
Gewicht (kg)2,82,844,56810,213,2
Luft (dm3/Zyklus)0,30,30,70,591,21,652,33,2

* Theoretische Anzahl der Durchgänge zum Schließen/Öffnen ausgehend von der natürlichen Position.

TECHNISCHES DATENBLATT DANV 720 ÷ DANV 1920
Artikelnummer
DANV0720411S
DANV0960411S
DANV0960412S
DANV1440411S
DANV1440412S
DANV1920411S
DANV1920412S
Dichtungssatz
KGGI0023VX
KGGI0024VX
KGGI0025VX
KGGI0026VX
Baugröße
DANV 720
DANV 960
DANV 1440
DANV 1920
ISO
F10/F12
F10/F12
F14
F14
F12
F14
F12/F16
A
720,1
758
758
919,9
919,9
954,1
954,1
B
27
36
36
36
36
46
46
C x Tiefe
M10x15
M10x15
M16x24
M16x24
M12x18
M16x24
M12x18
D x Tiefe
M12x18
M12x18
-
-
-
-
M20x30
E
102
102
140
140
125
140
125
F
125
125
-
-
-
-
165
G
19,5
19,5
19,5
19,5
19,5
18,5
18,5
H
61,5
78
78
86,5
86,5
99,2
99,2
J
16
16
16
16
16
16
16
K
16
16
16
16
16
16
16
I
22
24
24
27
27
32
32
L
178
198
198
216
216
237,7
237,7
M
78,5
93,5
93,5
101,5
101,5
114,7
114,7
N
99,5
104,5
104,5
114,5
114,5
123
123
O
29,5
38,5
38,5
38,5
38,5
48,5
48,5
P
69,5
74,5
74,5
84,5
84,5
93
93
Q
78,5
93,5
93,5
101,5
101,5
114,7
114,7
R
31,8
36,5
36,5
41
41
46
46
S
30
30
30
30
30
30
30
T
148
168
168
186
186
207,7
207,7
U
216,6
239,7
239,7
283,5
283,5
300,4
300,4
V
350
350
350
400
400
400
400
W (Gas)
1/4"
1/4"
1/4"
1/4"
1/4"
1/4"
1/4"
X
-
-
-
-
-
-
-
Y
282,3
297,1
297,1
365,6
365,6
382,9
382,9
Z
503,5
518,3
518,3
636,4
636,4
653,7
653,7
Ch
27
27
27
36
36
36
36
Anzahl Umdrehungen*  
19
20
25
26
Gewicht (kg)
17,8
23,8
33,6
43
Luft (dm3/Zyklus)
4,6
6,05
9,7
12,9

* Theoretische Anzahl der Durchgänge zum Schließen/Öffnen ausgehend von der natürlichen Position.

DANV 3840

TECHNISCHES DATENBLATT DANV 3840
Artikelnummer
DANV3840E1600A
Dichtungssatz 
KGGI0130VX
Baugröße
DANV 3840
ISO
F16
Anzahl Umdrehungen*
30
Gewicht (Kg)
75
Luft (dm3/Zyklus)
24,3

* Theoretische Anzahl der Durchgänge zum Schließen/Öffnen ausgehend von der natürlichen Position.

BESTANDTEILE DOPPELTWIRKENDER PNEUMATISCHER STELLANTRIEB MIT INTEGRIERTEM HANDRAD - BAUGRÖSSE: BIS DANV1920

WERKSTOFFE BIS DANV1920
PosBezeichnung
Menge
Werkstoff
1Schraube
1Edelstahl
2*Unterlegscheiben für Rollenlager4Stahllegierung
3*Rollenlager
2Stahllegierung
4Flansch1Aluminiumlegierung
5Zentrierring (nur für DANV720)
1Alulegierung Aluminium
6*O-Ring (nur für DANV720)
1Nitrilkautschuk
7*O-Ring
2Nitrilkautschuk
8*O-Ring
1Nitrilkautschuk
9*O-Ring
1Nitrilkautschuk
10*O-Ring
1Nitrilkautschuk
11Schraube1Edelstahl
12Feder
1Edelstahl
13Distanzzylinder
1Aluminiumlegierung
14*O-Ring
1Nitrilkautschuk
15*Dichtungskappe
1Messing + Nitrilkautschuk
16Kappe (verändert)
1Aluminiumlegierung
17Schraube4Edelstahl
18*O-Ring
1Nitrilkautschuk
19Handrad
1Stahllegierung
20Justierschraube
2Edelstahl
21Schutzrohr
1Aluminiumlegierung
22Transparentes Rohr
1PVC
23Schutzkappe
1Aluminiumlegierung
24Schlüssel
1Stahllegierung
25*Niet
1Stahllegierung
26*Anzeige1Polypropylen
27Betätigungsspindel
1Stahllegierung
28Gewindebuchse (nur für DANV480)
2Edelstahl
29Spezialfederteller
1Aluminiumlegierung
30Stift
1Stahllegierung
31Betätigungsschraube
1Stahllegierung
32*Dichtring (Kolben)
2Polyurethan
33*O-Ring Kolben
2Nitrilkautschuk
34Kolben (verändert)
1Aluminiumlegierung
35*Stützscheibe
4P.T.F.E. carbo-graphite filled
36Buchse2Stahllegierung
37Achse
2Stahllegierung
38*Dichtung
2Stahllegierung + Nitrilkautschuk
39Schraube2Edelstahl
40Gabel
1Stahllegierung
41Wellenhalterung
1Acetalharz
42Äußere Spannhülse
1Stahllegierung
43Innere Spannhülse1Stahllegierung
44Welle1Edelstahl
45Gleitbuchse
1Acetalharz
46O-Ring untere Welle
1FKM
47Zylinder
1Aluminiumlegierung
48O-Ring obere Welle
1FKM
49Äußerer Stützring
1Acetalharz
50Unterlegscheibe1Edelstahl
51Seeger-Ring1Edelstahl
52Kolben (Standard)1Aluminiumlegierung
53*O-Ring Kappe
1Nitrilkautschuk
54Kappe (Standard)
1Aluminiumlegierung
55Schraube4Edelstahl
56*O-Ring1Nitrilkautschuk
57Justierschraube
1Edelstahl
58Mutter
1Aluminiumlegierung
59Einsatz für O-Ring
1Edelstahl
*Bestandteile des Ersatzkits

BESTANDTEILE DOPPELTWIRKENDER PNEUMATISCHER STELLANTRIEB MIT INTEGRIERTEM HANDRAD - BAUGRÖSSE: DANV3840

WERKSTOFFE DANV3840
PosBezeichnung
MengeWerkstoff
1Zylinder
1Aluminiumlegierung
2Seitenzylinder
1Aluminiumlegierung
3Seitenzylinder
1Aluminiumlegierung
4Kappe (Standard)1Aluminiumlegierung
5*O-Ring
1Nitrilkautschuk
6Mutter
1Edelstahl
7Justierschraube
1Edelstahl
8Kolben (Standard)1Aluminiumlegierung
9Buchse2Stahllegierung
10*Stützscheibe
4Acetalharz
11Stift
2Stahllegierung
12Achse
2Stahllegierung
13Gabel
1Stahllegierung
14Welle1Edelstahl
15Gleitbuchse
1Acetalharz
16Wellenhalterung
1Acetalharz
17*O-Ring Kappe
1Nitrilkautschuk
18*Buchse (untere Welle)
1P.T.F.E. carbo-graphite filled
19*Buchse (obere Welle)
1P.T.F.E. carbo-graphite filled
20*Äußerer Stützring
1Acetalharz
21Unterlegscheibe1Edelstahl
22*O-Ring
3Nitrilkautschuk
23Seeger-Ring1Edelstahl
24Schraube6Edelstahl
25*O-Ring untere Welle
1FKM
26*O-Ring Kolben2Nitrilkautschuk
27*O-Ring obere Welle
1FKM
28*O-Ring
2Nitrilkautschuk
29*Führungsring
2PTFE kohlenstoff-/graphitverstärkt
30Mutter
12Edelstahl
31Kolben (verändert)1Aluminiumlegierung
32*Lager (Handrad)
2Polyurethan
33Kappe (verändert)1Aluminiumlegierung
34Betätigungsspindel
1Stahllegierung
35Spezialfederteller
1Stahllegierung
36*O-Ring
1Nitrilkautschuk
37*Anzeige1Polypropylen
38Handrad
1Stahllegierung
39Flansch1Aluminiumlegierung
40*Lager2Stahllegierung
41Schraube8Edelstahl
42Schraube1Edelstahl
43Unterlegscheibe1Edelstahl
44Gabelverschluss
1Aluminiumlegierung
45Gabelstütze
1Aluminiumlegierung
46Verriegelung
1Edelstahl
47*O-Ring
1Nitrilkautschuk
48Schraube3Edelstahl
49*Niet1Edelstahl
50Schlüssel
1Edelstahl
51Schraube6Stahllegierung
52*O-Ring
1Nitrilkautschuk
53*O-Ring
1Nitrilkautschuk
54*O-Ring
1Nitrilkautschuk
55Schraube2Edelstahl
56*Dichtung
2Stahllegierung + Nitrilkautschuk
57*O-Ring
1Nitrilkautschuk
58*O-Ring
1Nitrilkautschuk
59*Kappe2PTFE
60Mutter
1Edelstahl
61Schraube1Edelstahl
62Sicherheitsschraube
1Edelstahl
63Betätigungsschraube
1Edelstahl
64Schutzkappe
1Aluminiumlegierung
65Stift
1Edelstahl
66Schutzrohr
1Aluminiumlegierung
67Abnehmbares Schutzrohr1Aluminiumlegierung
* Bestandteile des Ersatzkits

Funktionsschema Stellantrieb mit integriertem Handrad

SIGNALMODUL MIT ENDSCHALTERN

MANUELLE ENTRIEGELUNG

MAGNETVENTILE NAMUR

MAGNETVENTILE

ELEKTROPNEUMATISCHER STELLUNGSREGLER (EIGENSICHERHEIT)

PNEUMATISCHER STELLUNGSREGLER

NÄHERUNGSSCHALTER

ELEKTROMECHANISCHE ENDSCHALTER

PNEUMATISCHE ENDSCHALTER

EXPLOSIONSSICHERE ENDSCHALTER II2GD ExdIIC

WÄHLE GRÖßE
Wählen Sie die Suchparameter
ARTIKEL SUCHEN
SCHLIESSEN

NÄCHSTES EVENT

IVS - Industrial Valve Summit 2026
IVS - Industrial Valve Summit 2026
Bergamo, Italy, 19 - 21 may 2026