images/testate/TYwrds_Template-Header-Sito-OMAL2560x768-AGO-ok.jpg

AGO HANDWHEEL - DA con comando manual integrado

  • ventajas
  • características
  • dimensiones
  • materiales
  • especificaciones
  • accesorios
  • documentos

1. Bandas de sellado y deslizamiento energizadas autolubricantes
Menor fricción entre pistón y cilindro
Se evita el pegado de la junta al cilindro incluso después de largos períodos de parada

2. Ranura, casquillo y enchufes con acero con dureza mayor a 50 HRC
Mayor resistencia a las fuerzas presentes dentro del actuador

3. Fricción a la rodadura entre la ranura y el pistón
Menor fricción

4. Yugo escocés con fricción a la rodadura (transformación del movimiento lineal en movimiento rotatorio mediante pistón y eje sin engranajes)
Menor fricción entre pistón y eje con el consecuente menor desgaste de las piezas
Momento de torsión potenciado en fase de apertura y cierre
Menor espacio con respecto a los actuadores piñón y cremallera con el consecuente menor espacio necesario
Menor peso con respecto a los actuadores piñón y cremallera (-30% Kg/Nm) con los consecuentes ahorros en la realización de la estructura del sistema
Menor consumo de aire con respecto a los actuadores piñón y cremallera (-40% aire cm³/Nm doble efecto y -20% aire cm³/Nm simple efecto) con la consecuente menor carga de trabajo del compresor o posibilidad de uso de compresor con dimensiones reducidas

5. Cilindro laminado
Menor desgaste de las tiras energizadas gracias a la baja rugosidad de la superficie

6. Stainless Steel shaft
Higher corrosion resistance

Interfaz para electroválvulas NAMUR integrada por el DAN15
No requiere ninguna placa de bornes adicional

Proceso productivo totalmente realizado en OMAL
Máximo control en todas las fases de elaboración

Certificado ATEX
Permite la instalación en presencia de entornos potencialmente explosivos

Certificado hasta SIL 3
Alto nivel de seguridad funcional garantizado

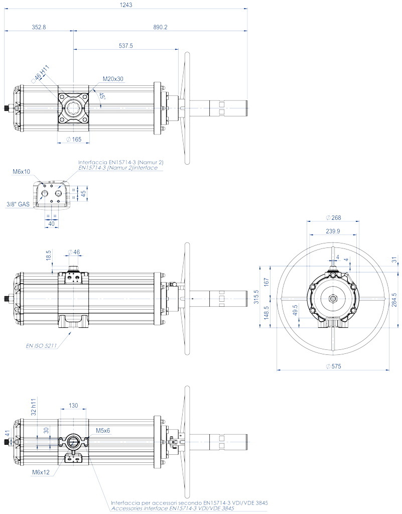
DATOS TÉCNICOS
Par desde 60 Nm a 3840 Nm.
Brida de conexión: EN ISO 5211
F05 - F07 - F10 - F12 - F14 - F16.
Conforme a la EN 15714-3
Ángulo de rotación: 92° (-1°, +91°)
Momento de torsión: Directamente proporcional a la presión de alimentación; ver tabla.
En cada actuador la cifra que sigue a la sigla DANV corresponde al valor del par de aceleración en Nm. a la presión de 5,6 bar.
Versión ATEX de conformidad con la directiva 2014/34/UE. Para la versión ATEX añadir YX al final del código.

CONDICIONES DE EJERCICIO
Temperatura: desde -20°C a +80°C. (Versiones especiales: alta temperatura: -20°C +150°C; baja temperatura: -50°C +60°C)
Presión nominal: 5,6 bar; máxima de ejercicio 8,4 bar.
Fluido de alimentación: aire comprimido filtrado seco no necesariamente lubricado.
En caso de lubricación usar aceite no detergente, compatible con NBR.

Cuando así lo requiera el actuador neumático de cuarto de vuelta de nuestra producción puede estar equipado con un accionamiento manual.
El dispositivo puede estar integrado tanto en la versión Doble Efecto como en la Simple Efecto.
Para el buen funcionamiento del sistema y por la integridad mecánica del dispositivo es indispensable asegurarse de que el actuador neumático esté desconectado de las líneas de alimentación de aire comprimido antes de realizar alguna maniobra usando el dispositivo de accionamiento manual.
El dispositivo de accionamiento manual actúa en la transmisión mecánica primaria del actuador neumático y frente a pares aplicados al volante de conformidad con la norma EN 12570 produce pares de salida de igual valor del par nominal del actuador.

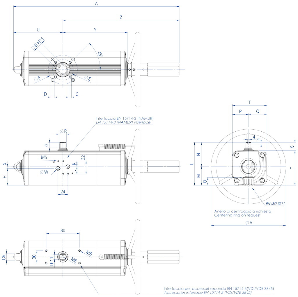
DANV 60 ÷ DANV 1920

FICHA TÉCNICA DANV 60 ÷ DANV 480
Código
DANV0060411SDANV0060412SDANV0106411SDANV0120411SDANV0180411SDANV0240411SDANV0360411SDANV0480411S
Kit juntasKGGI0016VXKGGI0016VXKGGI0060VXKGGI0018VXKGGI0019VXKGGI0020VXKGGI0021VXKGGI0022VX
Medida
DANV 60DANV 60DANV 106DANV 120DANV 180DANV 240DANV 360DANV 480
ISOF04F05/F07F05/F07F05/F07F07/F10F07/F10F07/F10F10/F12
A362,3362,3397,8410,5483510,5567,6634,4
B1414171722222227
C x prof.M5x8M6x9M6x9M6x9M8x12M8x12M8x12M10x15
D x prof.-M8x12M8x12M8x12M10x15M10x15M10x15M12x18
E42505050707070102
F-707070102102102125
G1313131316171919
H33,733,740,842,852,556,15857,4
J1818181818181816
K1414141414141416
I1010121215151919
L90,490,4103,3107137,5141,1148164,9
M37,737,744,846,856,560,16272,9
N52,752,758,560,281818692
O16,516,519,319,324,824,824,329,5
P32,732,738,540,251515662
Q37,737,744,846,856,560,16272,9
R14,514,516,21820,222,525,529
S2020202030303030
T70,470,483,387107,5111,1118134,9
U9999118,5122,1144,9156,8169,6193,8
V180180180180220220300300
W (Gas)1/8"1/8"1/8"1/8"1/8"1/8"1/8"1/4"
X4444444-
Y137,6137,6154,8163,9183,5199,1220,8236,4
Z263,3263,3279,3288,4338,1353,7398440,6
Ch1313171722222227
N° de revoluciones* 1111131416181516
Peso (Kg)2,82,844,56810,213,2
Aire (dm3/ciclo)0,30,30,70,591,21,652,33,2

*Número teórico de vueltas para cerrar / abrir a partir de la posición natural.

FICHA TÉCNICA DANV 720 ÷ DANV 1920
Código
DANV0720411S
DANV0960411S
DANV0960412S
DANV1440411S
DANV1440412S
DANV1920411S
DANV1920412S
Kit juntas
KGGI0023VX
KGGI0024VX
KGGI0025VX
KGGI0026VX
Medida
DANV 720
DANV 960
DANV 1440
DANV 1920
ISO
F10/F12
F10/F12
F14
F14
F12
F14
F12/F16
A
720,1
758
758
919,9
919,9
954,1
954,1
B
27
36
36
36
36
46
46
C x prof.
M10x15
M10x15
M16x24
M16x24
M12x18
M16x24
M12x18
D x prof.
M12x18
M12x18
-
-
-
-
M20x30
E
102
102
140
140
125
140
125
F
125
125
-
-
-
-
165
G
19,5
19,5
19,5
19,5
19,5
18,5
18,5
H
61,5
78
78
86,5
86,5
99,2
99,2
J
16
16
16
16
16
16
16
K
16
16
16
16
16
16
16
I
22
24
24
27
27
32
32
L
178
198
198
216
216
237,7
237,7
M
78,5
93,5
93,5
101,5
101,5
114,7
114,7
N
99,5
104,5
104,5
114,5
114,5
123
123
O
29,5
38,5
38,5
38,5
38,5
48,5
48,5
P
69,5
74,5
74,5
84,5
84,5
93
93
Q
78,5
93,5
93,5
101,5
101,5
114,7
114,7
R
31,8
36,5
36,5
41
41
46
46
S
30
30
30
30
30
30
30
T
148
168
168
186
186
207,7
207,7
U
216,6
239,7
239,7
283,5
283,5
300,4
300,4
V
350
350
350
400
400
400
400
W (Gas)
1/4"
1/4"
1/4"
1/4"
1/4"
1/4"
1/4"
X
-
-
-
-
-
-
-
Y
282,3
297,1
297,1
365,6
365,6
382,9
382,9
Z
503,5
518,3
518,3
636,4
636,4
653,7
653,7
Ch
27
27
27
36
36
36
36
N° de revoluciones*  
19
20
25
26
Peso (Kg)
17,8
23,8
33,6
43
Aire (dm3/ciclo)
4,6
6,05
9,7
12,9

*Número teórico de vueltas para cerrar / abrir a partir de la posición natural.

DANV 3840

FICHA TÉCNICA DANV 3840
Código
DANV3840E1600A
Kit juntas
KGGI0130VX
Medida
DANV 3840
ISO
F16
N° de revoluciones*
30
Peso (Kg)
75
Aire (dm3/ciclo)
24,3

*Número teórico de vueltas para cerrar / abrir a partir de la posición natural.

COMPONENTES ACTUADOR NEUMÁTICO DOBLE EFECTO CON COMANDO MANUAL INTEGRADO - MEDIDA: HASTADANV1920

MATERIALES HASTA DANV1920
PosDenominaciónC.Material
1Tornillos1Acero inoxidable
2*Arandelas para Rodamientos de rodillos4Aleación de acero
3*Rodamientos de rodillos2Aleación de acero 
4Brida  1Aleación de aluminio
5Anillo de Centrado (Solo para DANV720)1Aleación de aluminio
6*Junta tórica (Solo para DANV720)1Goma de nitrilo
7*Junta tórica2Goma de nitrilo
8*Junta tórica1Goma de nitrilo
9*Junta tórica1Goma de nitrilo
10*Junta tórica1Goma de nitrilo
11Tornillos1Acero inoxidable  
12Muelle1Acero inoxidable
13Cilindro distanciador1Aleación de aluminio
14*Junta tórica1Goma de nitrilo
15*Tapón junta1Latón+Goma nitrílica
16Tapón (modificado)1Aleación de aluminio 
17Tornillos4Acero inoxidable
18*Junta tórica1Goma de nitrilo
19Volante de maniobra1Aleación de acero
20Clavija 2Acero inoxidable
21Tubo de protección1Aleación de aluminio
22Tubo transparente 1PVC 
23Tapón de protección1Aleación de aluminio
24Llave 1Aleación de acero
25*Remache1Aleación de acero 
26*Indicador1Polipropileno 
27Rosca de maniobra1Aleación de acero
28Casquillo roscado (Solo para DANV480)2Acero inoxidable
29Contenedor del muelle especial1Aleación de aluminio 
30Clavija1Aleación de acero
31Tornillo de maniobra1Aleación de acero
32*Anillo de estanqueidad (Pistón)2Poliuretano 
33*Junta tórica del pistón2Goma de nitrilo 
34Pistón (modificado)1Aleación de aluminio
35*Disco de soporte4P.T.F.E. carbo-graphite filled
36Brújula2Aleación de acero
37Perno2Aleación de acero
38*Junta2Aleación de acero+Goma nitrílica
39Tornillos2Acero inoxidable
40Horquilla1Aleación de acero
41Soporte eje1Resina acetálica
42Pasador elástico externo1Aleación de acero
43Pasador elástico interno1Aleación de acero
44Eje1Acero inoxidable
45Brújula de deslizamiento1Resina acetálica
46Junta tórica del eje inferior1FKM
47Cilindro 1Aleación de aluminio
48Junta tórica del eje superior1FKM
49Anillo de soporte externo1Resina acetálica 
50Arandela  1Acero inoxidable
51Anillo de retención1Acero inoxidable 
52Pistón (Estándar)1Aleación de aluminio
53*Junta tórica del tapón1Goma de nitrilo
54Tapón (Estándar)1Aleación de aluminio
55Tornillos4Acero inoxidable
56*Junta tórica1Goma de nitrilo
57Clavija1Acero inoxidable
58Tuerca1Aleación de aluminio
59Aplicación para junta tórica1Acero inoxidable
*Detalles del kit de repuesto

COMPONENTES ACTUADOR NEUMÁTICO DOBLE EFECTO CON COMANDO MANUAL INTEGRADO - MEDIDA: DANV3840

MATERIALES DANV3840
PosDenominaciónC.Material
1Cilindro1Aleación de aluminio
2Cilindro Lateral1Aleación de aluminio
3Cilindro Lateral1Aleación de aluminio
4Tapón (Estándar)1Aleación de aluminio
5*Junta tórica1Goma de nitrilo
6Tuerca1Acero inoxidable
7Clavija1Acero inoxidable
8Pistón (Estándar)1Aleación de aluminio
9Brújula2Aleación de acero
10*Disco de soporte4Resina acetálica
11Clavija2Aleación de acero
12Perno 2Aleación de acero
13Horquilla1Aleación de acero
14Eje1Acero inoxidable
15Brújula de deslizamiento1Resina acetálica
16Soporte eje1Resina acetálica
17*Junta tórica del tapón1Gomma nitrilica
18*Casquillo (eje inferior)1P.T.F.E. carbo-graphite filled
19*Casquillo (eje superior)1P.T.F.E. carbo-graphite filled
20*Anillo de soporte externo1Resina acetálica
21Arandela1Acero inoxidable
22*Junta tórica3Goma de nitrilo
23Anillo de retención1Acero inoxidable
24Tornillos6Acero inoxidable
25*Junta tórica del eje inferior1FKM
26*Junta tórica del pistón2Goma de nitrilo
27*Junta tórica del eje superior1FKM
28*Junta tórica2Goma de nitrilo
29*Anillo de guía
2P.T.F.E. Lleno Carbografito
30Tuerca12Acero inoxidable
31Pistón (modificado)1Aleación de aluminio
32*Rodamiento (Volante)2Poliuretano
33Tapón (modificado)1Aleación de aluminio
34Rosca de maniobra1Aleación de acero
35Contenedor del muelle especial1Aleación de acero
36*Junta tórica1Goma de nitrilo
37*Indicador1Polipropileno
38Volante de maniobra1Aleación de acero
39Brida1Aleación de aluminio
40*Rodamiento2Aleación de acero
41Tornillos8Acero inoxidable
42Tornillos1Acero inoxidable
43Arandela1Acero inoxidable
44Cierre horquilla1Aleación de aluminio
45Soporte horquilla1Aleación de aluminio
46Bloqueo1Acero inoxidable
47*Junta tórica1Goma de nitrilo
48Tornillos3Acero inoxidable
49*Remache1Acero inoxidable
50Llave1Acero inoxidable
51Tornillos6Aleación de acero
52*Junta tórica1Goma de nitrilo
53*Junta tórica1Goma de nitrilo
54*Junta tórica1Goma de nitrilo
55Tornillos 2Acero inoxidable
56*Junta
2Aleación de acero+Goma nitrílica
57*Junta tórica1Goma de nitrilo
58*Junta tórica1Goma de nitrilo
59*Tapón  2P.T.F.E
60Tuerca1Acero inoxidable
61Tornillos1Acero inoxidable
62Tornillo de seguridad1Acero inoxidable
63Tornillo de maniobra1Acero inoxidable
64Tapón de protección1Aleación de aluminio
65Clavija1Acero inoxidable
66Tubo de protección1Aleación de aluminio
67Tubo de protección extraíble1Aleación de aluminio
* Detalles del kit de repuesto

ESQUEMA DE FUNCIONAMIENTO ACTUADOR CON COMANDO MANUAL INTEGRADO

CAJA DE SEÑALIZACIÓN CON TOPE

OPERADOR MANUAL DE DESBLOQUEO

TOPES INDUCTIVOS NAMUR

TOPES INDUCTIVOS

POSICIONADOR ELECTRONEUMÁTICO (SEGURIDAD INTRÍNSECA)

POSICIONADOR NEUMÁTICO

TOPE DE PROXIMIDAD

TOPES ELECTROMECÁNICOS

TOPES NEUMÁTICOS

TOPES ANTIDEFLAGRANTES II2GD ExdIIC

SELECCIONA TALLA
Selecciona los parámetros de búsqueda
BUSCA ARTÍCULO
X CERRAR

SIGUIENTE EVENTO

IVS - Industrial Valve Summit 2026
IVS - Industrial Valve Summit 2026
Bergamo, Italy, 19 - 21 may 2026