images/testate/TYwrds_Template-Header-Sito-OMAL2560x768-AGO-ok.jpg

AGO HANDWHEEL - DA con volantino integrato

  • benefits
  • caratteristiche
  • dimensioni
  • materiali
  • specifiche
  • accessori
  • documenti

1.Fasce di tenuta e scorrimento energizzate autolubrificanti
Minor attrito tra pistone e cilindro
Si evita l’incollaggio della guarnizione al cilindro anche dopo lunghi periodi di fermo

2.Slot, bussole e spine con acciaio con durezza maggiore a 50 HRC
Maggior resistenza alle forze presenti all' interno dell'attuatore

3.Attrito volvente tra slot e pistone
Minor attrito

4.Scotch yoke con attrito volvente (trasformazione del movimento lineare in movimento rotatorio mediante pistone e albero privo di ingranaggi).
Minor attrito tra pistone e albero con conseguente minor usura dei pezzi
Momento torcente potenziato in fase di apertura e chiusura
Minor ingombro rispetto agli attuatori pignone e cremagliera con conseguente minor spazio necessario
Minor peso rispetto agli attuatori pignone e cremagliera (-30% Kg/Nm) con conseguenti risparmi sulla realizzazione della struttura dell'impianto
Minor consumo d'aria rispetto agli attuatori pignone e cremagliera (-40% aria cm³/Nm doppio effetto e -20% aria cm³/Nm semplice effetto) con conseguente minor carico di lavoro del compressore o possibilità di utilizzo di un compressore con dimensioni ridotte

5.Cilindro rullato

Minor usura delle fascette energizzate grazie alla bassa rugosità della superficie

6. Albero Inox
Maggiore resistenza alla corrosione

Interfaccia per elettrovalvole NAMUR integrata dal DAN15

Non richiede alcuna basetta supplementare

Processo produttivo interamente eseguito in OMAL
Massimo controllo in tutte le fasi di lavorazione

Certificato ATEX
Ne consente l'installazione in presenza di ambiente potenzialmente esplosivo

Certificato fino a SIL 3
Elevato livello di sicurezza funzionale garantito

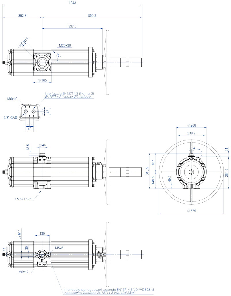
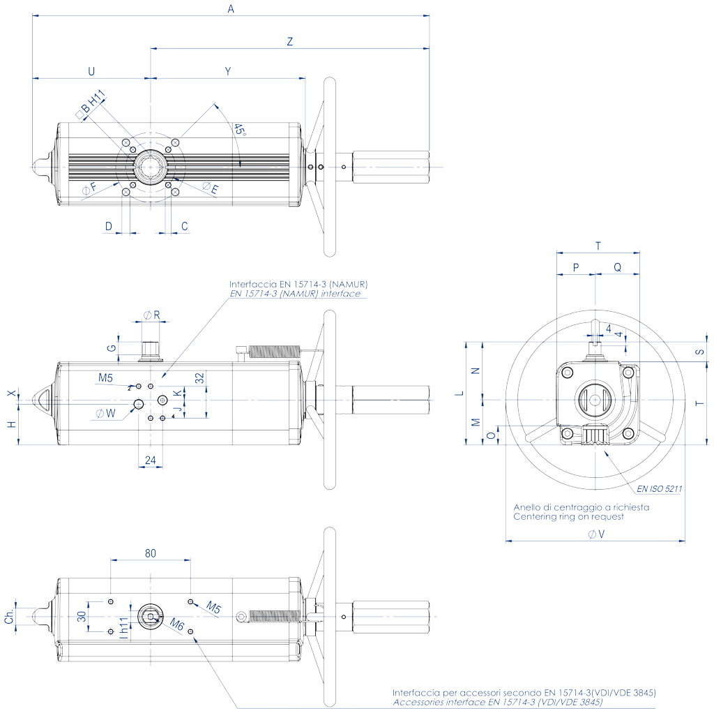
DATI TECNICI
Coppia da 60 Nm a 3840 Nm.
Flangia d’attacco: EN ISO 5211
F05 - F07 - F10 - F12 - F14 - F16.
Conforme alla EN 15714-3
Angolo di rotazione: 92° (-1°, +91°)
Momento torcente: Direttamente proporzionale alla pressione di alimentazione; vedi tabella.
In ciascun attuatore la cifra che segue la sigla DANV corrisponde al valore della coppia di spunto in Nm. alla pressione di 5,6 bar.
Versione ATEX in conformità alla direttiva 2014/34/UE. Per la versione ATEX aggiungere YX alla fine del codice.

CONDIZIONI DI ESERCIZIO
Temperatura: da -20°C a +80°C. (Versioni speciali: alta temperatura: -20°C +150°C; bassa temperatura: -50°C +60°C)
Pressione nominale: 5,6 bar; massima di esercizio 8,4 bar.
Fluido di alimentazione: aria compressa filtrata secca non necessariamente lubrificata.
In caso di lubrificazione usare olio non detergente, compatibile con NBR.

Qualora richiesto l’attuatore pneumatico a quarto di giro di nostra produzione può essere dotato di un azionamento manuale.
Il dispositivo può essere integrato sia nella versione Doppio Effetto che in quella Semplice Effetto.
Per il buon funzionamento del sistema e per l’integrità meccanica del dispositivo è indispensabile accertarsi che l’attuatore pneumatico sia disconnesso dalle linee di alimentazione di aria compressa prima di compiere alcuna manovra impiegando il dispositivo di azionamento manuale.
Il dispositivo di azionamento manuale agisce sulla trasmissione meccanica primaria dell’attuatore pneumatico e a fronte di coppie applicate al volantino conformi alla norma EN 12570 produce coppie in uscita di pari valore della coppia nominale dell’attuatore stesso.

DANV 60 ÷ DANV 1920

SCHEDA TECNICA DANV 60 ÷ DANV 480
CodiceDANV0060411SDANV0060412SDANV0106411SDANV0120411SDANV0180411SDANV0240411SDANV0360411SDANV0480411S
Kit guarniz.KGGI0016VXKGGI0016VXKGGI0060VXKGGI0018VXKGGI0019VXKGGI0020VXKGGI0021VXKGGI0022VX
MisuraDANV 60DANV 60DANV 106DANV 120DANV 180DANV 240DANV 360DANV 480
ISOF04F05/F07F05/F07F05/F07F07/F10F07/F10F07/F10F10/F12
A362,3362,3397,8410,5483510,5567,6634,4
B1414171722222227
C x depthM5x8M6x9M6x9M6x9M8x12M8x12M8x12M10x15
D x depth-M8x12M8x12M8x12M10x15M10x15M10x15M12x18
E42505050707070102
F-707070102102102125
G1313131316171919
H33,733,740,842,852,556,15857,4
J1818181818181816
K1414141414141416
I1010121215151919
L90,490,4103,3107137,5141,1148164,9
M37,737,744,846,856,560,16272,9
N52,752,758,560,281818692
O16,516,519,319,324,824,824,329,5
P32,732,738,540,251515662
Q37,737,744,846,856,560,16272,9
R14,514,516,21820,222,525,529
S2020202030303030
T70,470,483,387107,5111,1118134,9
U9999118,5122,1144,9156,8169,6193,8
V180180180180220220300300
W (Gas)1/8"1/8"1/8"1/8"1/8"1/8"1/8"1/4"
X4444444-
Y137,6137,6154,8163,9183,5199,1220,8236,4
Z263,3263,3279,3288,4338,1353,7398440,6
Ch1313171722222227
N° giri* 1111131416181516
Peso (Kg)2,82,844,56810,213,2
Aria (dm3/cycle)0,30,30,70,591,21,652,33,2

* N° giri teorico per chiu./apert. partendo dalla posizione naturale.

SCHEDA TECNICA DANV 720 ÷ DANV 1920
Codice
DANV0720411S
DANV0960411S
DANV0960412S
DANV1440411S
DANV1440412S
DANV1920411S
DANV1920412S
Kit guarniz. 
KGGI0023VX
KGGI0024VX
KGGI0025VX
KGGI0026VX
Misura
DANV 720
DANV 960
DANV 1440
DANV 1920
ISO
F10/F12
F10/F12
F14
F14
F12
F14
F12/F16
A
720,1
758
758
919,9
919,9
954,1
954,1
B
27
36
36
36
36
46
46
C x depth
M10x15
M10x15
M16x24
M16x24
M12x18
M16x24
M12x18
D x depth
M12x18
M12x18
-
-
-
-
M20x30
E
102
102
140
140
125
140
125
F
125
125
-
-
-
-
165
G
19,5
19,5
19,5
19,5
19,5
18,5
18,5
H
61,5
78
78
86,5
86,5
99,2
99,2
J
16
16
16
16
16
16
16
K
16
16
16
16
16
16
16
I
22
24
24
27
27
32
32
L
178
198
198
216
216
237,7
237,7
M
78,5
93,5
93,5
101,5
101,5
114,7
114,7
N
99,5
104,5
104,5
114,5
114,5
123
123
O
29,5
38,5
38,5
38,5
38,5
48,5
48,5
P
69,5
74,5
74,5
84,5
84,5
93
93
Q
78,5
93,5
93,5
101,5
101,5
114,7
114,7
R
31,8
36,5
36,5
41
41
46
46
S
30
30
30
30
30
30
30
T
148
168
168
186
186
207,7
207,7
U
216,6
239,7
239,7
283,5
283,5
300,4
300,4
V
350
350
350
400
400
400
400
W (Gas)
1/4"
1/4"
1/4"
1/4"
1/4"
1/4"
1/4"
X
-
-
-
-
-
-
-
Y
282,3
297,1
297,1
365,6
365,6
382,9
382,9
Z
503,5
518,3
518,3
636,4
636,4
653,7
653,7
Ch
27
27
27
36
36
36
36
N° giri*  
19
20
25
26
Peso (Kg)
17,8
23,8
33,6
43
Aria (dm3/cycle)
4,6
6,05
9,7
12,9

* N° giri teorico per chiu./apert. partendo dalla posizione naturale.

DANV 3840

SCHEDA TECNICA DANV 3840
Codice
DANV3840E1600A
Kit guarniz. 
KGGI0130VX
Misura
DANV 3840
ISO
F16
N° giri* 
30
Peso (Kg)
75
Aria (dm3/cycle)
24,3

* N° giri teorico per chiu./apert. partendo dalla posizione naturale.

COMPONENTI ATTUATORE PNEUMATICO DOPPIO EFFETTO CON COMANDO MANUALE INTEGRATO - MISURE: FINO A DANV1920

MATERIALI FINO A DANV1920
Pos
Denominazione
Q.
Materiale
1
Vite
1
Acciaio inox
2*
Rondelle per Cuscinetti a rullini
4
Lega di acciaio
3*
Cuscinetti a rullini
2
Lega di acciaio
4
Flangia
1
Lega di alluminio
5
Anello di Centraggio (Solo per DANV720)
1
Lega di alluminio Aluminium
6*
O'ring (Solo per DANV720)
1
Gomma nitrilica
7*
O'ring
2
Gomma nitrilica
8*
O'ring
1
Gomma nitrilica
9*
O'ring
1
Gomma nitrilica
10*
O'ring
1
Gomma nitrilica
11
Vite
1
Acciaio inox
12
Molla
1
Acciaio inox
13
Cilindro distanziale
1
Lega di alluminio
14*
O'ring
1
Gomma nitrilica
15*
Tappo guarnizione
1
Ottone+Gomma  nitrilica
16
Tappo (modificato)
1
Lega di alluminio
17
Vite
4
Acciaio inox
18*
O'ring
1
Gomma nitrilica
19
Volantino di manovra
1
Lega di acciaio
20
Grano
2
Acciaio inox
21
Tubo di protezione
1
Lega di alluminio
22
Tubo trasparente
1
PVC
23
Tappo di protezione
1
Lega di alluminio
24
Chiave
1
Lega di acciaio
25*
Rivetto
1
Lega di acciaio
26*
Indicatore
1
Polipropilene
27
Chiocciola di manovra
1
Lega di acciaio
28
Boccola filettata (Solo per DANV480)
2
Acciaio inox
29
Contenitore molla speciale
1
Lega di alluminio
30
Spina
1
Lega di acciaio
31
Vite di manovra
1
Lega di acciaio
32*
Anello di tenuta (Pistone)
2
Poliuretano
33*
O'ring pistone
2
Gomma nitrilica
34
Pistone (modificato)
1
Lega di alluminio
35*
Dischetto di supporto
4
P.T.F.E. carbo-graphite filled
36
Bussola
2
Lega di acciaio
37
Perno
2
Lega di acciaio
38*
Guarnizione
2
Lega di acciaio+Gomma nitrilica
39
Vite
2
Acciaio ino
40
Forcella
1
Lega di acciaio
41
Supporto albero
1
Resina Acetalic
42
Spina elastica esterna
1
Lega di acciaio
43
Spina elastica interna
1
Lega di acciaio
44
Albero
1
Acciaio inox
45
Bussola di scorrimento
1
Resina Acetalica
46
O'ring albero inferiore
1
FKM
47
Cilindro
1
Lega di alluminio
48
O'ring albero superiore
1
FKM
49
Anello di supporto esterno
1
Resina Acetalica
50
Rondella
1
Acciaio inox
51
Seeger
1
Acciaio inox
52
Pistone (Standard)
1
Lega di alluminio
53*
O'ring tappo
1
Gomma nitrilica
54
Tappo (Standard)
1
Lega di alluminio
55
Vite
4
Acciaio inox
56*
O'ring
1
Gomma nitrilica
57
Grano
1
Acciaio inox
58
Dado
1
Lega di alluminio
59
Inserto per o'ring
1
Acciaio inox
*Particolari del kit di ricambio

COMPONENTI ATTUATORE PNEUMATICO DOPPIO EFFETTO CON COMANDO MANUALE INTEGRATO - MISURA: DANV3840

MATERIALI DANV3840
PosDenominazioneQ.tyMateriale
1Cilindro1Lega di alluminio
2Cilindro Lateral1Lega di alluminio
3Cilindro Laterale 1Lega di alluminio
4Tappo (Standard1Lega di alluminio
5*O'ring1Gomma nitrilica
6Dado 1Acciaio inox
7Grano1Acciaio inox
8Pistone (Standard)1Lega di alluminio
9Bussola2Lega di acciaio
10*Dischetto di supporto 4Resina Acetalica
11Spina 2Lega di acciaio
12Perno 2Lega di acciaio
13Forcella 1Lega di acciaio
14Albero 1Acciaio inox
15Bussola di scorrimento 1Resina Acetalica
16Supporto albero 1Resina Acetalica
17*O'ring tappo 1Gomma nitrilica
18*Boccola (albero inferiore)1P.T.F.E. carbo-graphite filled
19*Boccola (albero superiore) 1P.T.F.E. carbo-graphite filled
20*Anello di supporto esterno1Resina Acetalica
21Rondella1Acciaio inox
22*O'ring3Gomma nitrilica
23Seeger1Acciaio inox
24Vite6Acciaio inox
25*O'ring albero inferiore1FKM
26*O'ring pistone 2Gomma nitrilica
27*O'ring albero superiore 1FKM
28*O'ring2Gomma nitrilica
29*Anello di guida
2P.T.F.E. Carbo-Graphite filled
30Dado12Acciaio inox
31Pistone (modificato1Lega di alluminio
32*Cuscinetto (Volantino)2Poliuretano
33Tappo (modificato) 1Lega di alluminio
34Chiocciola di manovra1Lega di acciaio
35Contenitore molla speciale1Lega di acciaio
36*O'ring1Gomma nitrilica
37*Indicatore Indicator1Polipropilene
38Volantino di manovra1Lega di acciaio
39Flangia1Lega di alluminio
40*Cuscinetto2Lega di acciaio
41Vite8Acciaio inox
42Vite1Acciaio inox
43Rondella1Acciaio inox
44Chiusura forcella1Lega di alluminio
45Supporto forcella1Lega di alluminio
46Lucchettaggio1Acciaio inox
47*O'ring1Gomma nitrilica
48Vite3Acciaio inox
49*Rivetto Rivet1Acciaio inox
50Chiave 1Acciaio inox
51Vite 6Lega di acciaio
52*O'ring1Gomma nitrilica
53*O'ring1Gomma nitrilica
54*O'ring1Gomma nitrilica
55Vite 2Acciaio inox
56*Guarnizione
2Lega di acciaio+Gomma nitrilica
57*O'ring1Gomma nitrilica
58*O'ring1Gomma nitrilica
59*Tappo 2P.T.F.E
60Dado 1Acciaio inox
61Vite 1Acciaio inox
62Vite di sicurezza 1Acciaio inox
63Vite di manovra1Acciaio inox
64Tappo di protezione1Lega di alluminio
65Spina 1Acciaio inox
66Tubo di protezione1Lega di alluminio
67Tubo di protezione removibile1Lega di alluminio
* Particolari del kit di ricambio

Schema funzionamento attuatore con comando manuale integrato

BOX DI SEGNALAZIONE CON FINECORSA

OPERATORE MANUALE DI SBLOCCO

ELETTROVALVOLE NAMUR

ELETTROVALVOLE

POSIZIONATORE ELETTROPNEUMATICO (SICUREZZA INTRINSECA)

POSIZIONATORE PNEUMATICO

FINECORSA DI PROSSIMITA'

FINECORSA ELETTROMECCANICI

FINECORSA PNEUMATICI

FINECORSA ANTIDEFLAGRANTI II2GD ExdIIC

SELEZIONA MISURA
Seleziona i parametri di ricerca
CERCA ARTICOLO
X CHIUDI

PROSSIMO EVENTO

IVS - Industrial Valve Summit 2026
IVS - Industrial Valve Summit 2026
Bergamo, Italia, 19 - 21 maggio 2026