images/testate/TYwrds_Template-Header-Sito-OMAL2560x768-AGO-ok.jpg

AGO HANDWHEEL - DA with integrated handwheel

  • benefits
  • features
  • dimensions
  • materials
  • specifications
  • accessories
  • documents

1.Energized and self-lubricated strips
Less friction between piston and cylinder
It prevents the bonding of the seal to the cylinder even after long periods of inactivity

2.Slots, bushes and pins made by steel with hardness higher than 50 HRC
Higher resistance to the forces inside the actuator

3.Rolling friction between piston and slot
Less friction

4.Scotch yoke with rolling friction (transforming rotary motion into linear motion using piston and shaft without teeths/gears)
Reduced friction between piston and shaft with consequently less wear on the relevant parts
Empowered Breakaway Torque (BTO & BTC)
Smaller volume/size than rack and pinion actuators (with the same torque) therefore less space required for installation
Less weight than the rack and pinion (-30% kg / Nm), with consequent savings on the construction sizing of the plant/equipment
Lower air consumption compared to the rack and pinion actuators (-40% air cm3/Nm for Double Acting and -20% air cm3/Nm for Spring Return) therefore less load on the compressor or the possibility of using a smaller compressor's size.

5.Rolled cylinder

Less wear of the energized ties thanks to the low roughness of the surface

6. Stainless Steel shaft
Higher corrosion resistance

From sizes bigger than DAN15, NAMUR interface for solenoid valve is already integrated.
No need for extra plate.

100% in- house manufacturing process technology
Maximum control and accuracy in all the stages of the manufacturing process

ATEX Certificate
Installation is allowed in a potential explosive environment

Up to SIL 3 Certified
Guarantee of the high level of functional safety.

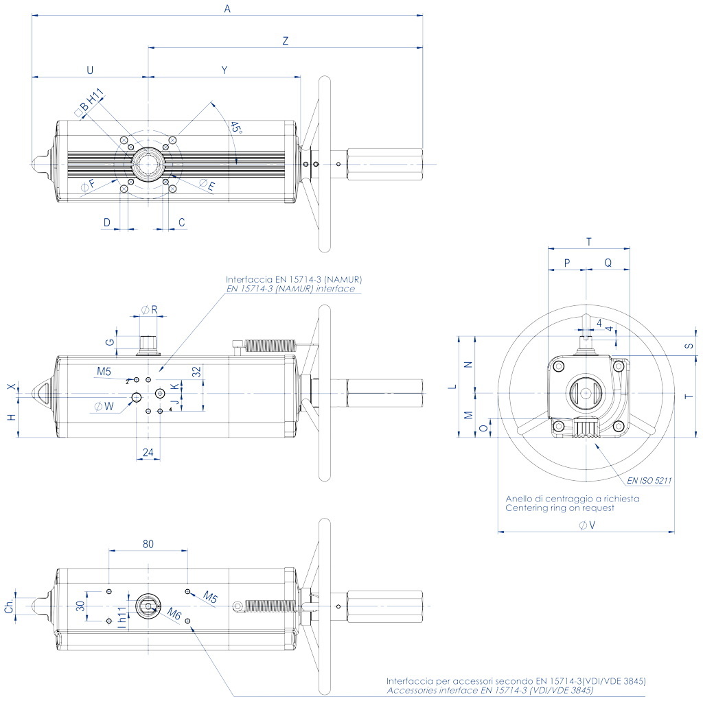
TECHNICAL FEATURES
Torque from 60 Nm to 3840 Nm.
Mounting flange according to EN ISO 5211
F05 - F07 - F10 - F12 - F14 - F16.
In accordance with EN 15714-3
Rotation angle: 92° (-1°, +91°)
Torque: directly proportional to the air supply (see table).
The code numbers after the DANV letters, always correspond to the breakaway torque in Nm by 5,6 bar air supply.
ATEX version in conformity with directive 2014/34/EU. Please add YX at the end of the code for ATEX version.

WORKING CONDITIONS
Temperature: from -20°C to +80°C. (Special versions: high temperature: -20°C +150°C; low temperature: -50°C +60°)
Air supply: 5,6 bar; maximum 8,4 bar.
Actuating media: filtered dry compressed air, not necessarily lubricated.
In case of lubricated air, either non detergent oil, NBR compatible oil, must be used.

Once required the quarter turn pneumatic actuator can be equipped with a manual
handwheel. The device can be integrated either in Double Acting and Spring Return versions.
For the proper functioning of the system and for the mechanical integrity of the device is essential to ensure that the pneumatic actuator is disconnected from the power lines of compressed air before performing any operation using the manual handwheel.
The manual handwheel acts on the transmission of the primary mechanical transmission of the pneumatic actuator and with torques applied to the handwheel according to EN 12570 it releases output torque of equal value of the nominal torque of the actuator.

DANV 60 ÷ DANV 1920

DATA SHEET DANV 60 ÷ DANV 480
CodeDANV0060411SDANV0060412SDANV0106411SDANV0120411SDANV0180411SDANV0240411SDANV0360411SDANV0480411S
Spare SealsKGGI0016VXKGGI0016VXKGGI0060VXKGGI0018VXKGGI0019VXKGGI0020VXKGGI0021VXKGGI0022VX
SizeDANV 60DANV 60DANV 106DANV 120DANV 180DANV 240DANV 360DANV 480
ISOF04F05/F07F05/F07F05/F07F07/F10F07/F10F07/F10F10/F12
A362,3362,3397,8410,5483510,5567,6634,4
B1414171722222227
C x depthM5x8M6x9M6x9M6x9M8x12M8x12M8x12M10x15
D x depth-M8x12M8x12M8x12M10x15M10x15M10x15M12x18
E42505050707070102
F-707070102102102125
G1313131316171919
H33,733,740,842,852,556,15857,4
J1818181818181816
K1414141414141416
I1010121215151919
L90,490,4103,3107137,5141,1148164,9
M37,737,744,846,856,560,16272,9
N52,752,758,560,281818692
O16,516,519,319,324,824,824,329,5
P32,732,738,540,251515662
Q37,737,744,846,856,560,16272,9
R14,514,516,21820,222,525,529
S2020202030303030
T70,470,483,387107,5111,1118134,9
U9999118,5122,1144,9156,8169,6193,8
V180180180180220220300300
W (Gas)1/8"1/8"1/8"1/8"1/8"1/8"1/8"1/4"
X4444444-
Y137,6137,6154,8163,9183,5199,1220,8236,4
Z263,3263,3279,3288,4338,1353,7398440,6
Ch1313171722222227
N°of turns*1111131416181516
Weight (Kg)2,82,844,56810,213,2
Air (dm3/cycle)0,30,30,70,591,21,652,33,2

* Theoretical n° of turns to close/open starting from neutral position.

DATA SHEET DANV 720 ÷ DANV 1920
CodeDANV0720411SDANV0960411SDANV0960412SDANV1440411SDANV1440412SDANV1920411SDANV1920412S
Spare SealsKGGI0023VXKGGI0024VXKGGI0025VXKGGI0026VX
SizeDANV 720DANV 960DANV 1440DANV 1920
ISOF10/F12F10/F12F14F14F12F14F12/F16
A720,1758758919,9919,9954,1954,1
B27363636364646
C x depthM10x15M10x15M16x24M16x24M12x18M16x24M12x18
D x depthM12x18M12x18----M20x30
E102102140140125140125
F125125----165
G19,519,519,519,519,518,518,5
H61,5787886,586,599,299,2
J16161616161616
K16161616161616
I22242427273232
L178198198216216237,7237,7
M78,593,593,5101,5101,5114,7114,7
N99,5104,5104,5114,5114,5123123
O29,538,538,538,538,548,548,5
P69,574,574,584,584,59393
Q78,593,593,5101,5101,5114,7114,7
R31,836,536,541414646
S30303030303030
T148168168186186207,7207,7
U216,6239,7239,7283,5283,5300,4300,4
V350350350400400400400
W (Gas)1/4"1/4"1/4"1/4"1/4"1/4"1/4"
X-------
Y282,3297,1297,1365,6365,6382,9382,9
Z503,5518,3518,3636,4636,4653,7653,7
Ch27272736363636
N°of turns*19202526
Weight (Kg)17,823,833,643
Air (dm3/cycle)4,66,059,712,9

* Theoretical n° of turns to close/open starting from neutral position.

DANV 3840

DATA SHEET DANV 3840
Code
DANV3840E1600A
Spare Seals
KGGI0130VX
Size
DANV 3840
ISO
F16
N°of turns*
30
Weight (Kg)
75
Air (dm3/cycle)
24,3

* Theoretical n° of turns to close/open starting from neutral position.

DOUBLE ACTING ACTUATOR COMPONENTS WITH MANUAL INTEGRATED HANDWHEEL - SIZES: UP TO DANV1920

MATERIALS UP TO DANV1920
PosDenominationQ.Material
1Screw1Stainless Steel
2*Washer for roller bearings4Steel alloy
3*Roller bearings2Steel alloy
4Flange1Aluminium alloy
5Centering ring (Only for DANV720)1Aluminium alloy
6*O'ring (Only for DANV720)1Nitrilic rubber
7*O'ring2Nitrilic rubber
8*O'ring1Nitrilic rubber
9*O'ring1Nitrilic rubber
10*O'ring1Nitrilic rubber
11Screw1Stainless Steel
12Spring1Stainless Steel
13Cylinder spacer1Aluminium alloy
14*O'ring1Nitrilic rubber
15*Seal cap1Ottone+Gomma  nitrilica
16Cap (modified) 1Aluminium alloy
17Vite 4Stainless Steel
18*O'ring1Nitrilic rubber
19Handwheel for maneuever1Steel alloy
20Set screw2Stainless Steel
21Protecting tube1Aluminium alloy
22Trasparent tube1PVC
23Protecting cap1Aluminium alloy
24Key1Steel alloy
25*Rivet1Steel alloy
26*Indicator1Polipropilene 
27Lead nut maneuever1Steel alloy
28Threaded bush (Only for DANV480)2Stainless Steel
29Special spring cap1Aluminium alloy
30Pin1Steel alloy
31Screw maneuever1Steel alloy
32*Dynamic seal (Piston)2Polyurethane
33*Piston O'ring 2Nitrilic rubber
34Piston (modified)1Aluminium alloy
35*Piston's support4P.T.F.E. carbo-graphite filled
36Bush2Steel alloy
37Rotative sleeve2Steel alloy
38*Bounded2Steel alloy+Nitrilic rubber
39Screw2Stainless Steel
40Scotch yoke1Steel alloy
41Shaft support1Acetalic resin
42External elastic pin of the yoke1Steel alloy
43Internal elastic pin of the yoke1Steel alloy
44Shaft1Stainless Steel
45Support bush1Acetalic resin
46Lower sealing shaft1FKM
47Cylinder1Aluminium alloy
48Upper sealing shaft1FKM
49External support ring1Acetalic resin
50Rondella 1Stainless Steel
51Seeger1Stainless Steel
52Piston (Standard)1Aluminium alloy
53*Cap o'ring1Nitrilic rubber
54Cap (Standard)1Aluminium alloy
55Screw4Stainless Steel
56*O'ring1Nitrilic rubber
57Grub screw1Stainless Steel
58Nut1Aluminium alloy
59Insert for o'ring (Only for DANV106-240-360-720)1Stainless Steel
*Components of spare part kit

DOUBLE ACTING ACTUATOR COMPONENTS WITH MANUAL INTEGRATED HANDWHEEL - SIZE: DANV3840

MATERIALS DANV3840
PosDenominationQ.tyMaterial
1Cylinder1Aluminium alloy
2Cylinder1Aluminium alloy
3Cylinder1Aluminium alloy
4Cap (Standard)1Aluminium alloy
5*O'ring1Nitrilic rubber
6Nut1Stainless Steel
7Grub screw1Stainless Steel
8Piston (Standard)1Aluminium alloy
9 Bush2Steel alloy
10*Piston's support4Acetalic resin
11Pin2Steel alloy
12Rotative sleeve2Steel alloy
13Scotch yoke1Steel alloy
14Shaft1Stainless Steel
15Support bush1Acetalic resin
16Shaft support1Acetalic resin
17*Cap o'ring1Nitrilic rubber
18*Bearing (shaft bottom)1P.T.F.E. carbo-graphite filled
19*Bearing (shaft top)1P.T.F.E. carbo-graphite filled
20*External support ring1Acetalic resin
21Washer1Stainless Steel
22*O'ring3Nitrilic rubber
23Seeger1Stainless Steel
24Screw6Stainless Steel
25*Lower sealing shaft1FKM
26*Piston o'ring2Nitrilic rubber
27*Upper sealing shaft1FKM
28*O'ring2Nitrilic rubber
29*Bearing (piston head)
2P.T.F.E. Carbo-Graphite filled
30Nut12Stainless Steel
31Piston (modified)1Aluminium alloy
32*Bearings (Handwheel)2Poliuretano 
33Cap (modified)1Aluminium alloy
34Lead nut maneuever1Steel alloy
35Special spring cap1Steel alloy
36*O'ring1Nitrilic rubber
37*Indicator1Polypropylene
38Handwheel for maneuever1Steel alloy
39Flange1Aluminium alloy
40*Thrust bearings2Steel alloy
41Screw8Stainless Steel
42Screw1Stainless Steel
43Washer1Stainless Steel
44Closing fork1Aluminium alloy
45Fork support1Aluminium alloy
46Lock wheel1Stainless Steel
47*O'ring1Nitrilic rubber
48Screw3Stainless Steel
49*Rivet1Stainless Steel
50Key1Stainless Steel
51Screw6Steel alloy
52*O'ring1Nitrilic rubber
53*O'ring1Nitrilic rubber
54*O'ring1Nitrilic rubber
55Screw2Stainless Steel
56*Bounded2Steel alloy+Nitrilic rubber
57*O'ring1Nitrilic rubber
58*O'ring1Nitrilic rubber
59*Plug2P.T.F.E
60Nut1Stainless Steel
61Screw1Stainless Steel
62Safety screw1Stainless Steel
63Screw maneuever1Stainless Steel
64Protecting cap1Aluminium alloy
65Pin1Stainless Steel
66Protecting tube1Aluminium alloy
67Protecting removable tube1Aluminium alloy
*Components of spare part kit

Working plane pneumatic actuator with integrated handwheel

LIMIT SWITCH BOX

MANUAL OVERRIDE WITH HAND WHEEL

NAMUR SOLENOID VALVES

SOLENOID VALVES

ELECTROPNEUMATIC POSITIONER (INTRINSICALLY SAFE)

PNEUMATIC POSITIONER

PROXIMITY LIMIT SWITCHES

ELECTROMECHANICAL LIMIT SWITCHES

PNEUMATIC LIMIT SWITCHES

EXPLOSION PROOF LIMIT SWITCHES II2GD ExdIIC

SELECT SIZE
Select the search standards
FIND ITEM
X CLOSE

NEXT EVENT

IVS - Industrial Valve Summit 2026
IVS - Industrial Valve Summit 2026
Bergamo, Italy, 19 - 21 may 2026