images/testate/Template-Header-Sito-OMALBALLVALVES.jpg

Кран шаровой чугунный, артикул 216

Кран шаровой чугунный, артикул 216

Кран шаровой чугунный двухходовой фланцевый, полнопроходной

НАСТРОЙКА Привод
ЗАПРОС ИНФОРМАЦИИ
РАСПЕЧАТАТЬ СТРАНИЦУ
  • характеристики
  • размеры
  • материалы
  • диаграммы и пусковые моменты

ОБЩИЕ ХАРАКТЕРИСТИКИ:
• Фланец: EN 1092/2 PN 16
• Строительная длина по EN 558/1 (ISO 5752)
• Рабочая температура: от -10°C до +70°C
• Рабочее давление: макс. 16 бар (10 бар в конце линии) СМ. ГРАФИК
• Рабочая среда: бытовой газ, жидкий газ, газообразные топлива по стандартам UNI-CIG 7129 и DIN-DVGW, таблица G 260/I для газов.

СПЕЦИАЛЬНЫЕ ИСПОЛНЕНИЯ ПОД ЗАКАЗ

• PN 6 - PN 10
• По другим применениям обращаться в наш коммерческий отдел.

СЕРТИФИКАЦИИ:

• Омологация по DIN-DVGW для газообразного топлива в качестве рабочей среды, табл. G260

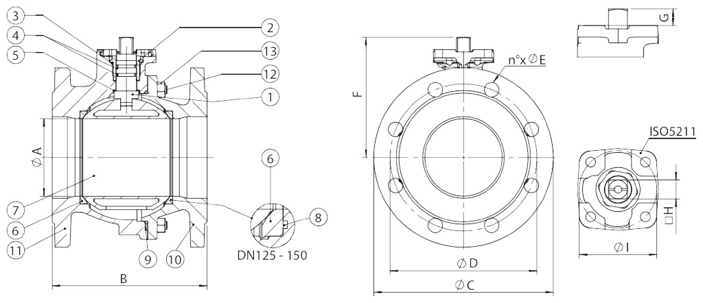
РАЗМЕРЫ   
УСЛОВНЫЙ ПРОХОД  
øA
B
øC
øD
øE
F
G
□H
øI
DN [mm]
[дюймы]
DN 50
2"
50
150
165
125
4x18
100,5
13,5
14
50
DN 65
2" 12
63
170
185
145
4x18
108,5
13,5
14
50
DN 80
3"
76
180
200
160
8x18
133
15
17
70
DN 100
4"
95
190
220
180
8x18
147,5
15
17
70
DN 125
5"
120
200
250
210
8x18
186
21
22
102
DN 150
6"
145
210
285
240
8x22
203,5
21
22
102


МАТЕРИАЛЫ    
1
Шпиндель
Латунь хромированная
CuZn40Pb2
2
Кольцо нажимное
Латунь хромированная
CuZn40Pb2
3
Кольцо уплотнительное верхнее
NBR

4
Кольцо уплотнительное шпинделя
NBR

5
Кольцо антифрикционное
П.Т.Ф.Э.

6
Прокладки уплотнения бокового
П.Т.Ф.Э.

7
Пробка шаровая
Латунь
CuZn40Pb2
8
Кольцо уплотнительное
NBR

9
Кольцо уплотнительное корпусное
NBR

10
Фланец
Чугун с шаровидным графитом
EN GJS 400-15
11
Корпус
Чугун с шаровидным графитом
EN GJS 400-15
12
Шпилька
Сталь углеродистая, оцинкованная

13
Гайка стопорная
Сталь углеродистая, оцинкованная

ГРАФИК ДАВЛЕНИЕ/ТЕМПЕРАТУРА

Расход/падение напора и номинальный коэффициент Kv

Значение Kv численно равно расходу в м3/ч (воды при температуре 15°C), при котором потери напора (на арматуре) составят 1 бар.

МОМЕНТЫ СТРАГИВАНИЯ в Н·м 
УСЛОВНЫЙ ПРОХОД  
DN 50
2"
DN 65
2"1/2
DN 80
3"
DN 100
4"
DN 125
5"
DN 150
6"
PN 16 bar
38
68
112
171
298
445


Значения момента могут варьировать в зависимости от температуры и типа рабочей среды. Применять коэффициент запаса прочности, равный 1,4. При часто повторяющихся циклах открывания и закрывания рабочий момент может значительно снижаться по сравнению с первоначальным. Показанные на последующих страницах присоединения привода к арматуре относятся к арматуре, перекрывающей чистые жидкие или газообразные среды при средних температурах. Для получения более подробной информации и иным применениям проконсультироваться с нашим коммерческим отделом.

НАСТРОЙКА ВОДИТЬ МАШИНУ
Выберите параметры поиска
ПОИСК ИЗДЕЛИЯ
X ЗАКРЫТЬ

СЛЕДУЮЩЕЕ СОБЫТИЕ

IVS - Industrial Valve Summit 2026
IVS - Industrial Valve Summit 2026
Bergamo, Italy, 19 - 21 may 2026