images/testate/Template-Header-Sito-OMALBALLVALVES.jpg

Кран шаровой из нержавеющей стали, артикул 400-401

Кран шаровой из нержавеющей стали, артикул 400-401

Кран шаровой из микролитой нержавеющей стали двухходовой резьбовой, полнопроходной

АРТИКУЛ 400
Внешняя обработка: шлифовка

АРТИКУЛ 401
Внешняя обработка: полировка

НАСТРОЙКА Привод
ЗАПРОС ИНФОРМАЦИИ
РАСПЕЧАТАТЬ СТРАНИЦУ
  • характеристики
  • размеры
  • материалы
  • диаграммы и пусковые моменты
  • документы

ОБЩИЕ ХАРАКТЕРИСТИКИ:
• Предназначен для эксплуатации при средних давлениях.
• Рабочая температура: от -20°C до + 150°C.
• Рабочее давление: см. график
• Рабочая среда: воздух, вода, газ, нефтепродукты и нефтехимические продукты, агрессивные текучие среды.
• Внешняя обработка: артикул 400 отшлифован; артикул 401 отполирован.
• Резьбовые концы согласно стандарту ISO 7/1 для серий 400 и 401; ISO 228 для серии 419.
• Фланец для монтажа привода по ISO 5211.

СПЕЦИАЛЬНЫЕ ИСПОЛНЕНИЯ ПОД ЗАКАЗ:

• Присоединения с внутренней резьбой НТР (NPT) ANSI B1.20.1
• Уплотнительные прокладки из: PTFE со стеклом, PTFE с углеграфитом.
• По другим применениям обращаться в наш коммерческий отдел.

СЕРТИФИКАЦИИ:
• Соответствует европейской Директиве 2014/68/ЕС по оборудованию, работающему под давлением (PED)
• Взрывобезопасное исполнение (ATEX) в соответствии с Директивой 2014/34/ЕС по запросу, для условных проходов DN 10 3/8 дюйма и DN 15 1/2 дюйма не предусмотрено

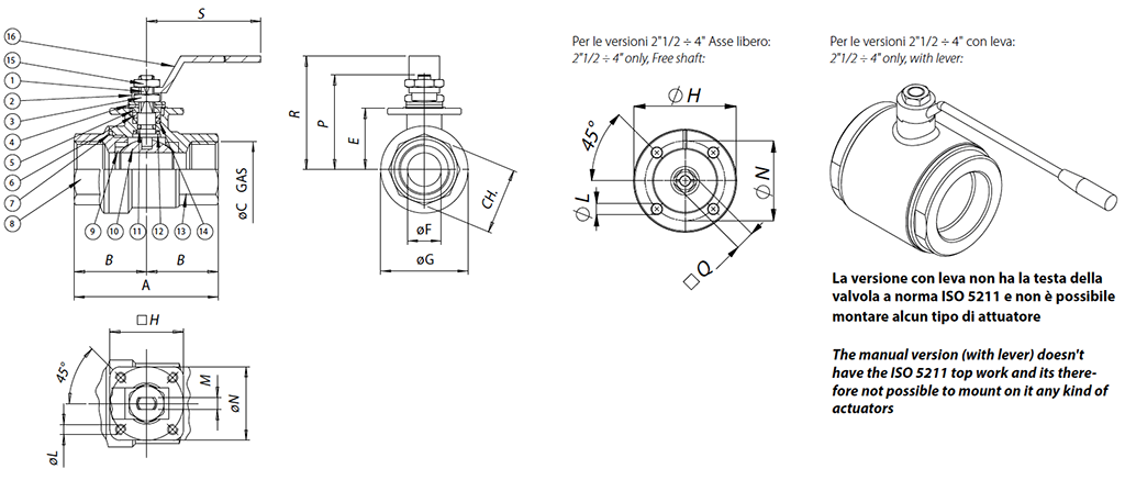
РАЗМЕРЫ    
УСЛОВНЫЙ ПРОХОД 
A
B
øC
E
øF
øG
H
øL
M
□Q
øN
CH
P
R
S
DN [mm]
[дюймы]
DN 10
3/8"
55
25
3/8”
22
10
29
36
M5
4
-
36
21,5
37,5
52
110
DN 15
1/2"
65
30
1/2”
24,8
15
34
36
M5
4
-
36
26,5
40,3
55
110
DN 20
3/4"
70
35
3/4
31,3
20
42,5
36
M5
6
-
36
31,5
50,8
66
140
DN 25
1"
85
42,5
1”
35,3
25
50,5
36
M5
6
-
36
40,5
54,8
70
140
DN 32
1" 1/4
95
47,5
1”1/4
44
32
63
42
M5
8
-
42
49,5
68
85
180
DN 40
1" 1/2
105
52,5
1”1/2
50,3
40
75,5
42
M5
8
-
42
54,5
74,3
91
180
DN 50
2"
125
62,5
2”
57,9
50
91
50
M6
10
-
50
69,5
87
105
230
DN 65
2" 1/2
128
64
2”1/2
94,5
65
110
90
9
-
17
70
-
109,5
110
235
DN 80
3"
150
75
3”
106
80
141
90
9
-
17
70
-
121
130
285
DN 100
4"
178
89
4”
120
100
160
120
11
-
17
102
-
135
150
310

МАТЕРИАЛЫ   
1
Шпиндель
сталь нерж. 304 S.S.1.4401
UNI X5CrNiMo 17 12
2
Планка стопорная гайки
сталь нерж. 304 S.S.
1.4301
UNI X5CrNi 18 10
3
Гайка стопорная
сталь нерж. 304 S.S.
1.4301
UNI X5CrNi 18 10
4
Пружина тарельчатая
сталь нерж. 304 S.S.
1.4310
UNI X12CrNi 17 07
5
Шайба прокладочная
сталь нерж. 304 S.S.
1.4301
UNI X5CrNi 18 10
6
Кольцо сальника
сталь нерж. 304 S.S.
1.4301
UNI X5CrNi 18 10
7*
Прокладка неподвижная
П.Т.Ф.Э.


8
Муфта с внутренней резьбой
сталь нерж. 304 S.S.
1.4408

9*
Прокладки уплотнения бокового
П.Т.Ф.Э.


10
Пробка шаровая
сталь нерж. 304 S.S.
1.4401
UNI X5CrNiMo 17 12
11*
Кольцо уплотнительное промежуточное
FKM

Not available in ATEX version
12*
Уплотнение кольцевое нижнее
П.Т.Ф.Э.


13
Корпус с муфтой с внутренней резьбой  
сталь нерж. 304 S.S.
1.4408

14*
Уплотнение двойное верхнее
П.Т.Ф.Э.


15
Гайка стопорная рукоятки
сталь нерж. 304 S.S.
1.4301
UNI X5CrNi 18 10
16
Рукоятка ручного управления
сталь нерж. 304 S.S.
1.4301
UNI X5CrNi 18 10
* Входит в комплект запасных частей KGBV50...

ГРАФИК ДАВЛЕНИЕ/ТЕМПЕРАТУРА

Расход/падение напора и номинальный коэффициент Kv

Значение Kv численно равно расходу в м3/ч (воды при температуре 15°C), при котором потери напора (на арматуре) составят 1 бар.

МОМЕНТЫ СТРАГИВАНИЯ в Н·м 
УСЛОВНЫЙ ПРОХОД
DN 10 3/8"
DN 15 1/2"
DN 20 3/4"
DN 25
1"

DN 32 1"1/4
DN 40 1"1/2
DN 50
2"

DN 65 2"1/2
DN 80
3"

DN 100
4"

PN 25 bar







76
106
146
PN 40 bar






56



PN 64 bar




28
40




PN 100 bar
8
10
14
20







Значения момента могут варьировать в зависимости от температуры и типа рабочей среды. Применять коэффициент запаса прочности, равный 1,4. При часто повторяющихся циклах открывания и закрывания рабочий момент может значительно снижаться по сравнению с первоначальным. Показанные на последующих страницах присоединения привода к арматуре относятся к арматуре, перекрывающей чистые жидкие или газообразные среды при средних температурах. Для получения более подробной информации и иным применениям проконсультироваться с нашим коммерческим отделом.

 СЕРТИФИКАТЫ

 ИНСТРУКЦИИ

НАСТРОЙКА ВОДИТЬ МАШИНУ
Выберите параметры поиска
ПОИСК ИЗДЕЛИЯ
X ЗАКРЫТЬ

СЛЕДУЮЩЕЕ СОБЫТИЕ

IVS - Industrial Valve Summit 2026
IVS - Industrial Valve Summit 2026
Bergamo, Italy, 19 - 21 may 2026