images/testate/Template-Header-Sito-OMALBALLVALVES.jpg

Pirinç küresel vana Item 100

Pirinç küresel vana Item 100

2 yollu dişli pirinç küresel vana, integral hatve

KONFİGÜRE İşlem
BİLGİ İSTEYİN
SAYFAYI YAZDIRIN
  • özellikleri
  • boyutlar
  • malzemeler
  • şemalar ve başlangıç momentleri
  • belgeler

GENEL ÖZELLİKLER:
• Vana, agresif olmayan akışkanlarla düşük basınçlarda kullanılmak üzere üretilmiştir.
• Çalışma sıcaklığı:  sıvılar için -20°C ile +150°C aralığındadır.
• Çalışma basıncı: şemaya bakınız.
• Tutulan sıvı: hava, su, yağlar, hafif uygulamalar.
• ISO 7/1 standardına uygun vida dişli uçlar.
• ISO 5211'e göre aktüatör montaj flanşı.

İSTEĞE UYGUN ÖZEL UYGULAMALAR:

• Diğer uygulamalar için teknik servisimize başvurunuz.

SERTİFİKALAR:

• 2014/68/UE “PED” Nolu Avrupa Direktifine  uygundur.

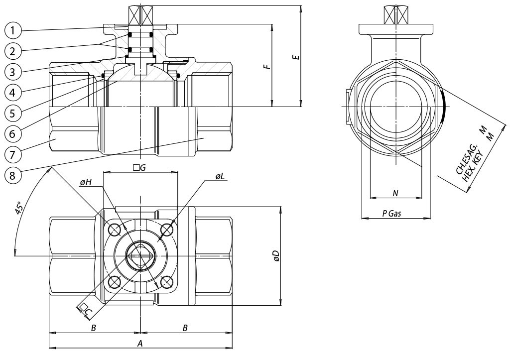
BOYUTLAR   
ÖLÇÜA
B
☐C
øD
E
F
☐G
øH
øL
ch.M
N
DN [mm]
[inç]
DN 10
3/8"
69
34,5
9
31,8
38,5
29,5
36
36
5,5
25
10
DN 15
1/2"
69
34,5
9
31,8
38,5
29,5
36
36
5,5
25
15
DN 20
3/4"
77
38,5
9
40
45,3
36,3
36
36
5,5
31
20
DN 25
1"
89
44,5
9
48
49,2
40,2
36
36
5,5
38
25
DN 32
1" 1/4
103
51,5
11
62
59,6
50,5
42
36
5,5
47
32
DN 40
1" 1/2
114
57
11
72,6
66,2
57
42
36
5,5
54
40
DN 50
2"
134
67
11
88,5
75,5
64,3
46
36/42
5,5
66
50

MALZEMELER  
1
Sap
PirinçEN 12164 CW614N
2
O-ring
FKM

3
Sürtünme önleyi halkaP.T.F.E.

4
Yanal o-ring
FKM

5
Yanal sızdırmazlık contaları  
P.T.F.E.

6
BilyeNickel-chrome plating
EN 12164 CW614N
7
Gövde*
Pirinç
EN 12165 CW617N
8
Dişi manşon*
Pirinç
EN 12165 CW617N
* Harici işlem parlak nikel kaplama

Basınç/sıcaklık şeması

Basınç debisi/düşüşü ve Kv nominal katsayısı

Kv değeri, 1 bar'lık basınç düşüşüne neden olan  m3/sa (15°C'de su ile) cinsinden akış hızıdır.

Nm cinsinden BASINÇ MOMENTLERİ  
ÖLÇÜ
DN 10
3/8"
DN 15
1/2"
DN 20
3/4"
DN 25
1"
DN 32
1"1/4
DN 40
1"1/2
DN 50
2"
PN 16 bar
3
3
4
5
7
9
15


moment değerleri, sıcaklığa ve akışkanın türüne bağlı olarak değişebilir.. ‘1.4’e eşdeğer  olan bir emniyet faktörünü dikkate alınız.
Sık açılma ve kapanma döngülerinde hareket momenti başlangıçtakine nazaran önemli ölçüde azalmaktadır. İlerleyen sayfalarda gösterilen aktüatör/vana bağlantıları, sıvı veya gaz akışkanları kesen, temiz ve orta sıcaklıklardaki vanalar için yapılmıştır. Daha fazla bilgi veya farklı kullanımlar için teknik servisimize danışınız.

 SERTIFIKALAR

 TALİMATLAR

KONFİGÜRE SÜRÜCÜ
Arama parametrelerini seçin
MAKALE ARAYIN
X KAPAT

GELECEK ETKİNLİK

IVS - Industrial Valve Summit 2026
IVS - Industrial Valve Summit 2026
Bergamo, Italy, 19 - 21 may 2026