images/testate/Template-Header-Sito-OMALBALLVALVES.jpg

Pirinç küresel vana Item 101

Pirinç küresel vana Item 101

2 yollu dişli küresel vana integral hatve özellikler

KONFİGÜRE İşlem
BİLGİ İSTEYİN
SAYFAYI YAZDIRIN
  • özellikleri
  • boyutlar
  • malzemeler
  • şemalar ve başlangıç momentleri
  • belgeler

GENEL ÖZELLİKLER:
• Vana, agresif olmayan akışkanlarla orta basınçlarda kullanılmak üzere üretilmiştir.
• Çalışma sıcaklığı:  sıvılar için -20°C ile +150°C aralığındadır.
• Çalışma basıncı: şemaya bakınız.
• Tutulan sıvı: hava, su, gaz, petrol ve petrokimya ürünleri, vakum.
• ISO 7/1 and NPT standardına uygun vida dişli uçlar.
• ISO 5211'e göre aktüatör montaj flanşı.
• Ayrıca kirli veya katı partiküllü sıvılarla kullanıma uygun, kendinden ayarlı bilyalı conta profilli bir versiyon da mevcuttur.

İSTEĞE GÖRE UYGULAMALAR:

• Diğer uygulamalar için teknik servisimize başvurunuz.

SERTİFİKALAR:

• 2014/68/UE “PED” Avrupa Direktifine uygun
• İsteğe göre 2014/34/UE direktifine uyumlu ATEX versiyonu 

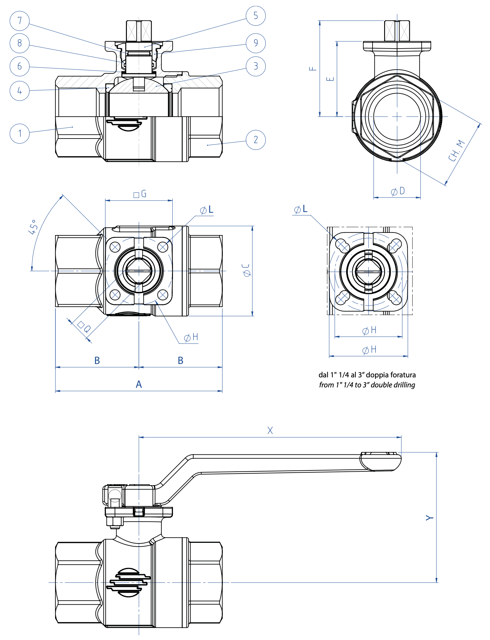
BOYUTLAR   
ÖLÇÜ  
øD
ISO 7/1NPTøc
☐Q
EFGøH
ISOøL
ch.MXY
DN [mm]
[inç]
ABAB
DN 10
3/8"
106934,5623131,8930,538,53636F035,5
2514058,5
DN 15
1/2"
156934,5623131,8930,538,53636F03
5,5
2514058,5
DN 20
3/4"
207738,568344011*36,347,13636F03
5,5
3114065
DN 25
1"
258944,579,539,84811*40,250,93636F03
5,5
3814068
DN 32
1" 1/4
3210351,59246601151,562,54236/42F03/F04
5,5
4714080
DN 40
1" 1/2
40114571025170,61158694236/42F03/F04
5,5
5414086
DN 50
2"
50134671165888,51165,376,34642/50F04/F05
5,5/6,5
6614093,5
DN 65
2" 1/2
6516180,5146731121483976550/70F05/F07
6,5/8,5
84212118
DN 80
3"
8018592,516884138,41494,5108,56550/70F05/F07
6,5/8,5
98212127,5

* Supply with control panel 9 is available upon request.

MALZEMELER    
1
Gövde*
Pirinç
EN 12165 CW617N
2
Manşon*
Pirinç
EN 12165 CW617N
3
Küre
Nickel-chrome plating
EN 12164 CW614N
4
Yan contalar
P.T.F.E.

5
Mil
Pirinç
EN 12164 CW614N
6
Sürtünme önleyici halkalar
P.T.F.E.

7
O-ringFKM
8
Mil contası
P.T.F.E.

9
Conta tutucu*
Pirinç
EN 12164 CW614N
* Dış yüzey işlemi: Parlak nikel kaplama

Basınç/sıcaklık şeması

Basınç debisi/düşüşü ve Kv nominal katsayısı

Kv değeri, 1 bar'lık basınç düşüşüne neden olan  m3/sa (15°C'de su ile) cinsinden akış hızıdır.

 Nm cinsinden BAŞLANGIÇ MOMENTLERİ
 ÖLÇÜ
DN 10
3/8"
DN 15
1/2"
DN 20
3/4"
DN 25
1"
DN 32 1"1/4
DN 40
1"1/2
DN 50
2"
DN 65 2"1/2
DN 80
3"
PN 25 bar







48
70
PN 32 bar





23

PN 40 bar




11
16


PN 50 bar


58




PN 64 bar
4
4








moment değerleri, sıcaklığa ve akışkanın türüne bağlı olarak değişebilir.. ‘1.4’e eşdeğer  olan bir emniyet faktörünü dikkate alınız.
Sık açılma ve kapanma döngülerinde hareket momenti başlangıçtakine nazaran önemli ölçüde azalmaktadır. İlerleyen sayfalarda gösterilen aktüatör/vana bağlantıları, sıvı veya gaz akışkanları kesen, temiz ve orta sıcaklıklardaki vanalar için yapılmıştır. Daha fazla bilgi veya farklı kullanımlar için satış servisimize danışınız.

KONFİGÜRE SÜRÜCÜ
Arama parametrelerini seçin
MAKALE ARAYIN
X KAPAT

GELECEK ETKİNLİK

IVS - Industrial Valve Summit 2026
IVS - Industrial Valve Summit 2026
Bergamo, Italy, 19 - 21 may 2026