images/testate/Template-Header-Sito-OMALBALLVALVES.jpg

Pirinç küresel vana Item 160-161

Pirinç küresel vana Item 160-161

Pirinç küresel vana 3 yol 4 conta - “T” veya “L” bilyeli dişli
ITEM 160
"T” bilyeli vana
ITEM 161
"L"bilyeli vana

KONFİGÜRE İşlem
BİLGİ İSTEYİN
SAYFAYI YAZDIRIN
  • özellikleri
  • boyutlar
  • malzemeler
  • şemalar ve başlangıç momentleri
  • özellikler

GENEL ÖZELLİKLER:
Bilye üzerinde 4 contalı vana, akışın her yöne sapmasını sağlar, şemaya bakınız
• Çalışma sıcaklığı: -15°C ile + 120°C arasında
•Çalışma basıncı: tabloya bakınız.
• Tutulan sıvı: hava, su, gaz, yağlar, petrol ve petrokimya ürünleri, vakum, agresif olmayan akışkanlar.
• ISO 7/1 standardına uygun vida dişli uçlar.

İSTEĞE GÖRE UYGULAMALAR:

• Diğer uygulamalar için satış servisimize başvurunuz.

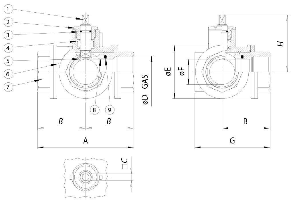
BOYUTLAR
ÖLÇÜA
B
□C
øD
øE
øF
G
H
DN [mm]
[inç]
DN 15
1/2"
80
40
7
1/2”
38
13
61
43,2
DN 20
3/4"
96
48
10
3/4”
48
18
74
52,9
DN 25
1"
113
56,5
10
1”
58
23
88
57,3
DN 32
1" 1/4
130
65
14
1" 1/4
67
29
99
74,5
DN 40
1" 1/2
147
73,5
14
1" 1/2
78
35
114
79
DN 50
2"
169
84,5
17
2”
95
44
132
94,2

MAlZEMELER   
1
Sap*
PirinçEN 12164 CW614N
2
Packing takım conta*
Pirinç
EN 12164 CW614N
3
O-ring
FKM

4
Üst sızdırmazlık momentiP.T.F.E.

5
BilyeCilalı krom pirinçEN 12164 CW614N
6
Gövde*
Pirinç
EN 12165 CW617N
7
Dişi manşon*
Pirinç
EN 12165 CW617N
8
Yanal sızdırmazlık contalarıP.T.F.E.

9
Orta sızdırmazlık o-ringi
FKM

* Harici işlem parlak nikel kaplama

Basınç/sıcaklık şeması

Nm cinsinden BAŞLANGIÇ MOMENTLERİ
ÖLÇÜDN 15
1/2"
DN 20
3/4"
DN 25
1"
DN 32
1"1/4
DN 40
1"1/2
DN 50
2"
PN 16 bar



31
43
74
PN 25 bar


20



PN 40 bar
8
14






moment değerleri, sıcaklığa ve akışkanın türüne bağlı olarak değişebilir.. ‘1.4’e eşdeğer  olan bir emniyet faktörünü dikkate alınız.
Sık açılma ve kapanma döngülerinde hareket momenti başlangıçtakine nazaran önemli ölçüde azalmaktadır. İlerleyen sayfalarda gösterilen aktüatör/vana bağlantıları, sıvı veya gaz akışkanları kesen, temiz ve orta sıcaklıklardaki vanalar için yapılmıştır. Daha fazla bilgi veya farklı kullanımlar için satış servisimize danışınız.

"L” bilye şeması

NOT:
NORMAL OLARAK SR aktüatörü KAPALI iken bilyenin bekleme pozisyonu A olmalıdır.
NORMAL OLARAK SR aktüatörü AÇIK iken bilyenin bekleme pozisyonu B olmalıdır.

Üstten görünüş

"T” bilye şeması

Aktüatör ile 90° lik dönüş sadece iki pozisyonda mümkündür: bilyenin konfigürasyonu konusunda daima satış ofisimize iletişim içinde olunması gerekmektedir.
NOT.:
NORMAL OLARAK SR aktüatörü KAPALI iken bilyenin bekleme pozisyonunu seçin; ilerletildiğinde, aktüatör saat yönünün tersine döner.
NORMAL OLARAK SR aktüatörü AÇIK iken bilyenin bekleme pozisyonunu seçin; ilerletildiğinde, aktüatör saat yönünde döner.

Üstten görünüş

KONFİGÜRE SÜRÜCÜ
Arama parametrelerini seçin
MAKALE ARAYIN
X KAPAT

GELECEK ETKİNLİK

Asia Water 2026
Asia Water 2026
Kuala Lumpur, 7-9 April 2026