images/testate/Template-Header-Sito-OMALBALLVALVES.jpg

Dökme demir küresel vana Item 216

Dökme demir küresel vana Item 216

2 yollu dökme demir flanşlı küresel vana tam hatve

KONFİGÜRE İşlem
BİLGİ İSTEYİN
SAYFAYI YAZDIRIN
  • özellikleri
  • boyutlar
  • malzemeler
  • şemalar ve başlangıç momentleri

GENEL ÖZELLİKLER:
• Flanşlar: EN 1092/2 PN16
• Mastar EN558/1 (ISO 5752)
• Çalışma sıcaklığı: -10°C ile +70°C arası
• Çalışma basıncı: maks. 16 Bar (10 Bar son çizgi olarak) ŞEMAYA BAKINIZ
• Tutulan sıvı: şehir gazları, sıvı gazlar, UNI-CIG 7129 ve DIN-DVGW tablosu G 260/I uyarınca gaz için gaz yakıtları.

İSTEĞE GÖRE UYGULAMALAR:

• PN 6 - PN 10
• Diğer uygulamalar için satış servisimizle iletişime geçiniz.

SERTİFİKALAR:

• yanıcı gazların önlenmesi için DIN-DVGW onayı tab. G260

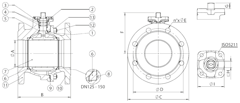
BOYUTLAR 
ÖLÇÜøA
B
øC
øD
øE
F
G
□H
øI
DN [mm]
[inç]
DN 50
2"
50
150
165
125
4x18
100,5
13,5
14
50
DN 65
2" 12
63
170
185
145
4x18
108,5
13,5
14
50
DN 80
3"
76
180
200
160
8x18
133
15
17
70
DN 100
4"
95
190
220
180
8x18
147,5
15
17
70
DN 125
5"
120
200
250
210
8x18
186
21
22
102
DN 150
6"
145
210
285
240
8x22
203,5
21
22
102

MALZEMELER
1
Sap
Krom kaplı pirinçCuZn40Pb2
2
Yüzük somunKrom kaplı pirinç
CuZn40Pb2
3
Üst sızdırmaz o-ringi
NBR

4
Sap sızdırmaz o-ringiNBR

5
Sürtünme önleyici halkaP.T.F.E.

6
Yanal sızdırmazlık contaları:P.T.F.E.

7
BilyePirinç
CuZn40Pb2
8
O-ring
NBR

9
Gövde sızdırmaz o-ringiNBR

10
Flanş
Sfero dökümEN GJS 400-15
11
GövdeSfero döküm
EN GJS 400-15
12
Bağlantı çubuğuGalvanizli karbon çeliği

13
Kilitleme somunuGalvanizli karbon çeliği

Basınç/sıcaklık şeması

Basınç debisi/düşüşü ve Kv nominal katsayısı

Kv değeri, 1 bar'lık basınç düşüşüne neden olan  m3/sa (15°C'de su ile) cinsinden akış hızıdır.

 Nm cinsinden BAŞLANGIÇ MOMENTLERİ
ÖLÇÜ 
DN 50
2"
DN 65
2"1/2
DN 80
3"
DN 100
4"
DN 125
5"
DN 150
6"
PN 16 bar
38
68
112
171
298
445


moment değerleri, sıcaklığa ve akışkanın türüne bağlı olarak değişebilir.. ‘1.4’e eşdeğer  olan bir emniyet faktörünü dikkate alınız.
Sık açılma ve kapanma döngülerinde hareket momenti başlangıçtakine nazaran önemli ölçüde azalmaktadır. İlerleyen sayfalarda gösterilen aktüatör/vana bağlantıları, sıvı veya gaz akışkanları kesen, temiz ve orta sıcaklıklardaki vanalar için yapılmıştır. Daha fazla bilgi veya farklı kullanımlar için satış servisimize danışınız.

KONFİGÜRE SÜRÜCÜ
Arama parametrelerini seçin
MAKALE ARAYIN
X KAPAT

GELECEK ETKİNLİK

Asia Water 2026
Asia Water 2026
Kuala Lumpur, 7-9 April 2026