images/testate/Template-Header-Sito-OMALBALLVALVES.jpg

Küresel vana paslanmaz çelik Item 400-401

Küresel vana paslanmaz çelik Item 400-401

Hassas döküm paslanmaz çelik küresel vana 2 yollu dişli tam hatve

ITEM 400

Harici işlem: kumlanmış

ITEM 401

Harici işlem: parlatma

KONFİGÜRE İşlem
BİLGİ İSTEYİN
SAYFAYI YAZDIRIN
  • özellikleri
  • boyutlar
  • malzemeler
  • şemalar ve başlangıç momentleri
  • belgeler

GENEL KARAKTERİSTİKLER:
• Orta basınçta kullanım için üretilmiştir.
• Çalışma sıcaklığı: -20°C  + 150°C.arası
• Çalışma basıncı: şemaya bakınız
• Tutulan sıvı: hava, su, gaz, petrol ve petrokimya ürünleri, agresif sıvılar.
• Harici işlem: madde 400 kumlama; madde 401 parlatma.
• 400 ve 401 serileri için ISO 7/1 spesifikasyonlarına göre dişli uçlar; 419 serisi için ISO 228.
• ISO 5211'e göre aktüatör montaj flanşı.

İSTEĞE UYGUN ÖZEL UYGULAMALAR:

• Dişi bağlantı parçaları NPT ANSI B1.20.1
• Aşağıdaki malzemelerden contalar: PTFE cam takılı; PTFE karbo grafit takılı.
• Diğer uygulamalar için satış servisimize başvurunuz.

SERTİFİKALAR:
Avrupa Direktifi 2014/68/AB "PED" ile uyumlu
• İsteğe göre 2014/34/EU direktifine göre ATEX sürümü, DN10 3/8 "ve DN15 1/2" boyutları için mevcut değildir

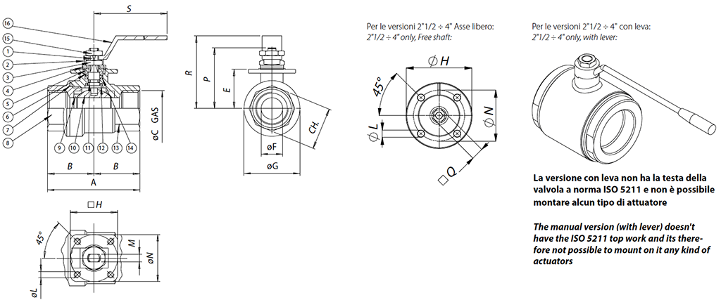
BOYUTLAR    
ÖLÇÜ
A
B
øC
E
øF
øG
H
øL
M
□Q
øN
CH
P
R
S
DN [mm]
[inç]
DN 10
3/8"
55
25
3/8”
22
10
29
36
M5
4
-
36
21,5
37,5
52
110
DN 15
1/2"
65
30
1/2”
24,8
15
34
36
M5
4
-
36
26,5
40,3
55
110
DN 20
3/4"
70
35
3/4
31,3
20
42,5
36
M5
6
-
36
31,5
50,8
66
140
DN 25
1"
85
42,5
1”
35,3
25
50,5
36
M5
6
-
36
40,5
54,8
70
140
DN 32
1" 1/4
95
47,5
1”1/4
44
32
63
42
M5
8
-
42
49,5
68
85
180
DN 40
1" 1/2
105
52,5
1”1/2
50,3
40
75,5
42
M5
8
-
42
54,5
74,3
91
180
DN 50
2"
125
62,5
2”
57,9
50
91
50
M6
10
-
50
69,5
87
105
230
DN 65
2" 1/2
128
64
2”1/2
94,5
65
110
90
9
-
17
70
-
109,5
110
235
DN 80
3"
150
75
3”
106
80
141
90
9
-
17
70
-
121
130
285
DN 100
4"
178
89
4”
120
100
160
120
11
-
17
102
-
135
150
310

MALZEMELER  
1
Sap
316 S.S.
1.4401
UNI X5CrNiMo 17 12
2
Somun kilit plakası
304 S.S.
1.4301
UNI X5CrNi 18 10
3
Kilitleme somunu304 S.S.
1.4301
UNI X5CrNi 18 10
4
Çanak yay301 S.S.
1.4310
UNI X12CrNi 17 07
5
Ara parça304 S.S.
1.4301
UNI X5CrNi 18 10
6
Packing conta halkası304 S.S.
1.4301
UNI X5CrNi 18 10
7*
Statik conta
P.T.F.E.


8
Dişi manşon316 S.S.
1.4408

9*
Yanal sızdırmazlık contaları:
P.T.F.E.


10
Bilye316 S.S.
1.4401
UNI X5CrNiMo 17 12
11*
Orta sızdırmaz conta momentiFKM

Not available in ATEX version
12*
Alt conta bileziğiP.T.F.E.


13
Dişi manşolu gövde316 S.S.
1.4408

14*
Üst sızdırmazlık momenti
P.T.F.E.


15
Kol kilitleme somunu304 S.S.
1.4301
UNI X5CrNi 18 10
16
İşletim kolu304 S.S.
1.4301
UNI X5CrNi 18 10
* KGBV50... yedek parça kitinin detayları

Basınç/sıcaklık şeması

Basınç debisi/düşüşü ve Kv nominal katsayısı

Kv değeri, 1 bar'lık basınç düşüşüne neden olan  m3/sa (15°C'de su ile) cinsinden akış hızıdır.

Nm cinsinden BAŞLANGIÇ MOMENTLERİ  
ÖLÇÜ
DN 10 3/8"
DN 15 1/2"
DN 20 3/4"
DN 25
1"
DN 32 1"1/4
DN 40 1"1/2
DN 50
2"
DN 65 2"1/2
DN 80
3"
DN 100
4"
PN 25 bar







76
106
146
PN 40 bar






56



PN 64 bar




28
40




PN 100 bar
8
10
14
20








moment değerleri, sıcaklığa ve akışkanın türüne bağlı olarak değişebilir.. ‘1.4’e eşdeğer  olan bir emniyet faktörünü dikkate alınız. Sık açılma ve kapanma döngülerinde hareket momenti başlangıçtakine nazaran önemli ölçüde azalmaktadır. İlerleyen sayfalarda gösterilen aktüatör/vana bağlantıları, sıvı veya gaz akışkanları kesen, temiz ve orta sıcaklıklardaki vanalar için yapılmıştır. Daha fazla bilgi veya farklı kullanımlar için satış servisimize danışınız.

KONFİGÜRE SÜRÜCÜ
Arama parametrelerini seçin
MAKALE ARAYIN
X KAPAT

GELECEK ETKİNLİK

IVS - Industrial Valve Summit 2026
IVS - Industrial Valve Summit 2026
Bergamo, Italy, 19 - 21 may 2026