GENEL ÖZELLİKLER: • Vana genel olarak hidrolik, pnömatik ve endüstriyel tesislerde yüksek basınçlı uygulamalar için üretilmiştir. • Çalışma sıcaklığı: -20°C +80°C.arası • Çalışma basıncı: 210 bar, şemaya bakınız • Tutulan sıvı: yağlar, petrol ve petrokimya ürünleri, agresif olmayan akışkanlar. • ISO 7/1 standardına uygun vida dişli uçlar.
İSTEĞE GÖRE UYGULAMALAR: • Diğer uygulamalar için satış servisimize başvurunuz.
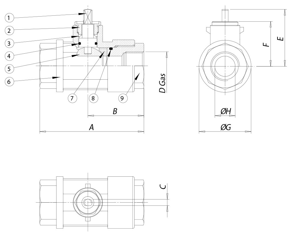
BOYUTLAR
ÖLÇÜ
A
B
C
øD
E
F
øG
øH
DN [mm]
[inç]
DN 10
3/8"
75
44
7
3/8”
45
35
30
8
DN 15
1/2"
85
47
7
1/2”
47
36,5
36
12
DN 20
3/4"
95
54
10
3/4”
64,5
50,5
45
16
DN 25
1"
105
56
10
1”
66,8
53
53
20
MALZEMELER
1
Sap*
Pirinç
EN 12164 CW614N
2
Packing takım conta*
Pirinç
EN 12164 CW614N
3
Üst sızdırmazlık momenti
P.T.F.E.
4
Sap sızdırmaz o-ring
FKM
5
Bilye
Cilalı krom pirinç
EN 12164 CW614N
6
Gövde*
Pirinç
EN 12165 CW617N
7
Yanal sızdırma contaları
Asetal reçine
8
Manşon sızdırmaz o-ring
FKM
9
Dişi manşon*
Pirinç
EN 12165 CW617N
* Harici işlem parlak nikel kaplama
Basınç/sıcaklık şeması
Basınç debisi/düşüşü ve Kv nominal katsayısı
Kv değeri, 1 bar'lık basınç düşüşüne neden olan m3/sa (15°C'de su ile) cinsinden akış hızıdır.
Nm cinsinden BAŞLANGIÇ MOMENTLERİ
ÖLÇÜ
DN 10 3/8"
DN 15 1/2"
DN 20 3/4"
DN 25 1"
PN 210 bar
7
11
15
20
moment değerleri, sıcaklığa ve akışkanın türüne bağlı olarak değişebilir.. ‘1.4’e eşdeğer olan bir emniyet faktörünü dikkate alınız. Sık açılma ve kapanma döngülerinde hareket momenti başlangıçtakine nazaran önemli ölçüde azalmaktadır. İlerleyen sayfalarda gösterilen aktüatör/vana bağlantıları, sıvı veya gaz akışkanları kesen, temiz ve orta sıcaklıklardaki vanalar için yapılmıştır. Daha fazla bilgi veya farklı kullanımlar için satış servisimize danışınız.